Перейти к блогу GetChip.net - блог        JilTE[1] - в разработке     Модификации устройств - модификации

 
Текущее время: 21 дек 2025, 10:35

Часовой пояс: UTC + 3 часа [ Летнее время ]



Начать новую тему Ответить на тему  [ Сообщений: 158 ]  На страницу Пред.  1 ... 3, 4, 5, 6, 7, 8, 9 ... 16  След.
Автор Сообщение
 Заголовок сообщения: Re: действие кнопки при ее удержании.
СообщениеДобавлено: 07 дек 2013, 11:18 
Не в сети

Зарегистрирован: 08 ноя 2012, 23:06
Сообщения: 300
SVN... 1000 извинений :oops: Нащел в чем был мой косяк... у меня тормоз был нажат ,когда длительно нажимал на кнопку. :( Поэтому так и работало непонятно,сейчас все в норме,прости что заставил ломать голову.
Теперь осталось только убрать проверку состояния двигателя при первом нажатии кнопки(при включении АСС.


Вернуться к началу
 Профиль Отправить личное сообщение  
Ответить с цитатой  
 Заголовок сообщения: Re: действие кнопки при ее удержании.
СообщениеДобавлено: 07 дек 2013, 11:46 
Не в сети
Аватара пользователя

Зарегистрирован: 29 май 2011, 17:59
Сообщения: 3769
Откуда: Россия


Вернуться к началу
 Профиль Отправить личное сообщение  
Ответить с цитатой  
 Заголовок сообщения: Re: действие кнопки при ее удержании.
СообщениеДобавлено: 07 дек 2013, 12:58 
Не в сети

Зарегистрирован: 08 ноя 2012, 23:06
Сообщения: 300


Вложения:
Knopka_V1.1.zip [12.92 КБ]
Скачиваний: 657
Вернуться к началу
 Профиль Отправить личное сообщение  
Ответить с цитатой  
 Заголовок сообщения: Re: действие кнопки при ее удержании.
СообщениеДобавлено: 07 дек 2013, 13:16 
Не в сети

Зарегистрирован: 08 ноя 2012, 23:06
Сообщения: 300
И еще я не могу понять,как в этом алгоритме,поставить контроль работы двигателя после удачного запуска с автозапуска в течении секунд 3 ,и только потом моргать фарами 3-и раза.


Вернуться к началу
 Профиль Отправить личное сообщение  
Ответить с цитатой  
 Заголовок сообщения: Re: действие кнопки при ее удержании.
СообщениеДобавлено: 07 дек 2013, 15:30 
Не в сети

Зарегистрирован: 08 ноя 2012, 23:06
Сообщения: 300
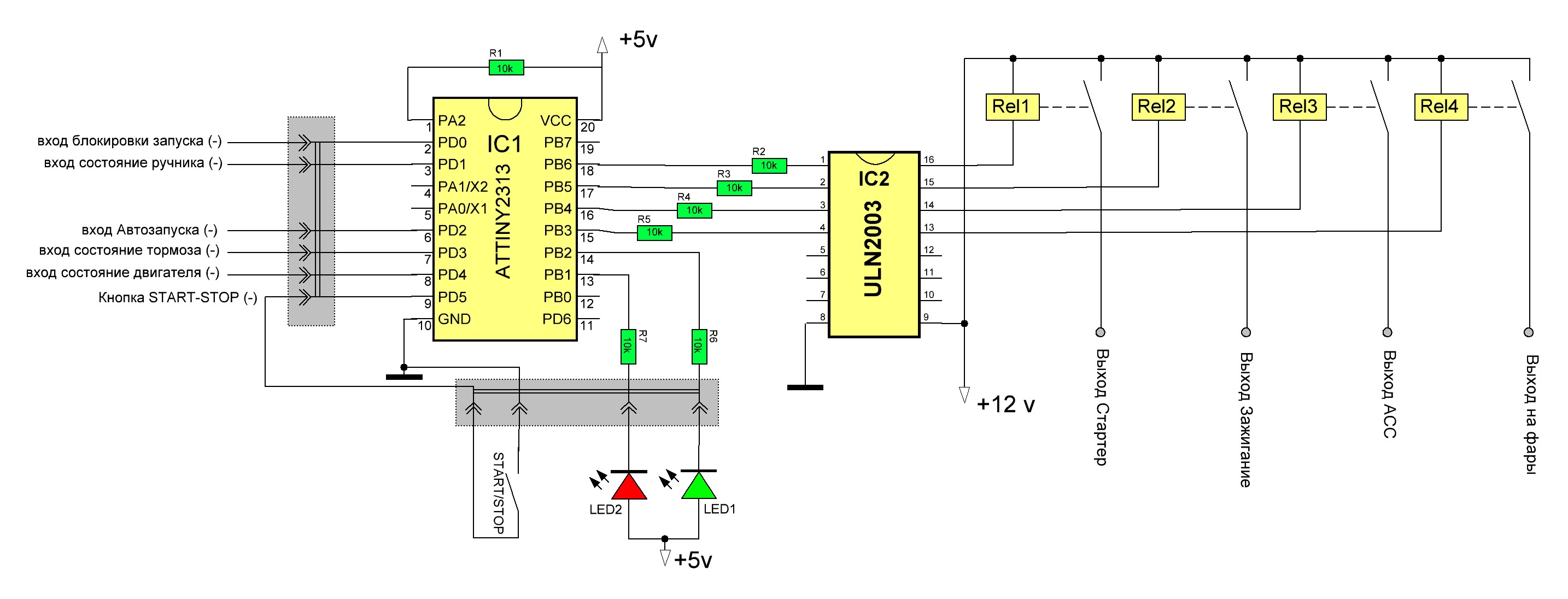
Может кому пригодится.
Кнопка СТАРТ - СТОП.
___Предназначена для управления запуском двигателя автомобиля,вместо штатного замка зажигания.
___После подачи питания система начинает опрашивать состояние Автозапуска и Разрешения запуска,(в данном случае это выход с сигнализачии(-).
___Если охрана снята ,то при нажатии на кнопку START включается состояние АСС(аксесуары), при следующем (длительном) нажатии на кнопку START - выключается состояние АСС ,при однократном нажатии - включается состояние ЗАЖИГАНИЕ. Если на кнопку START нажать еще раз (однократно) - выключится ВСЕ(АСС и Зажигание). Если же кнопку удерживать ,то выключится только ЗАЖИГАНИЕ.
___Для запуск двигателя: Выключено ВСЕ , нажимаем педаль тормоза затем кнопку START(однократно) - включается АСС,ЗАЖИГАНИЕ и через 3-и секунды включается СТАРТЕР. Стартер будет работать в течении 3-х секунд, либо если произойдет запуск двигателя быстрее 3-х секунд ,то СТАРТЕР так же отключится. При заведенном двигателе однократное нажатие кнопки START - выключает ВСЕ,при длительном удержании -выключает только ЗАЖИГАНИЕ ,последующее длительное нажатие выключает АСС.
___Так-же есть возможность запуска двигателя с любого состояния ("0" , АСС либо ЗАЖИГАНИЕ) , достаточно просто нажать педаль тормоза затем на кнопку START.
___При удачном запуске,загорается красный светодиод в кнопке.
___Если автомобиль поставить на охрану при заведенном двигателе,то он сразу же глушится.
Что касается АВТОЗАПУСКА.
___Функция АВТОЗАПУСКА,не блокируется состоянием согнализации,по этому двигатель можно заводить при поставленной охране.
___При старте с АВТОЗАПУСКА - проверяется положение ручного тормоза,если ручник отпущен - фары моргнут 2-а раза и запуска не произойдет.Если ручник поднят, включается АСС затем ЗАЖИГАНИЕ, затем СТАРТЕР. При удачном пуске,загорается зеленый светодиод в кнопке и фары моргают 3-и раза подтверждая удачный запуск.
___Если же двигатель не завелся с первого раза,то в системе есть три попытки запуска. Если двигатель не завелся с трех попыток,фары моргнут 2-а раза, все выключается и система возвращается в начальное состояние.
___Если при работающем двигателе (автозапуск) ,снять с ручника,то двигатель заглохнет.
Так же если пуск был произведен АВТОЗАПУСКОМ, то можно заглушить двигатель,как повторной командой АВТОЗАПУСКА,так и кнопкой START.

Вот вроде и все описание работы данного устройства.

Рабочий вариант без считывателя уже готов.
схема в sPlan7.0 Схема 1.spl7 [33.97 КБ]
Скачиваний: 678

схема 1.JPG
схема 1.JPG [ 251.98 КБ | Просмотров: 11006 ]


фаил прошивки с исходеиком от SVN с моими поправками. и печатка в архиве.
Knopka_V1.1.zip [26.54 КБ]
Скачиваний: 667
Печатка исправленна!

фьюзы.

Еще раз БОЛЬШОЕ СПАСИБО SVN за твою ОГОРОМНУЮ помощь!
Надеюсь в ближайщее время в надежде на дальнейшую помощь от SVN, кнопка еще доработается считывателем ключей TouchMemory. .


Последний раз редактировалось Akademik 09 дек 2013, 12:37, всего редактировалось 9 раз(а).

Вернуться к началу
 Профиль Отправить личное сообщение  
Ответить с цитатой  
 Заголовок сообщения: Re: действие кнопки при ее удержании.
СообщениеДобавлено: 07 дек 2013, 17:13 
Не в сети
Аватара пользователя

Зарегистрирован: 29 май 2011, 17:59
Сообщения: 3769
Откуда: Россия
Knopka_V2.zip [13.26 КБ]
Скачиваний: 676


Последний раз редактировалось SVN 07 дек 2013, 19:21, всего редактировалось 2 раз(а).

Вернуться к началу
 Профиль Отправить личное сообщение  
Ответить с цитатой  
 Заголовок сообщения: Re: действие кнопки при ее удержании.
СообщениеДобавлено: 07 дек 2013, 17:38 
Не в сети

Зарегистрирован: 08 ноя 2012, 23:06
Сообщения: 300


Вернуться к началу
 Профиль Отправить личное сообщение  
Ответить с цитатой  
 Заголовок сообщения: Re: действие кнопки при ее удержании.
СообщениеДобавлено: 07 дек 2013, 18:14 
Не в сети
Аватара пользователя

Зарегистрирован: 29 май 2011, 17:59
Сообщения: 3769
Откуда: Россия
Может, дело не в бобине… ;) прошивка тут не причём. :mrgreen:

В это версии светодиоды (красный, зелёный), показывают работает двигатель или нет. Автозапуск работает только когда машина под охраной, это сделано для того, чтобы находясь в машине, при случайном нажатии автозапуска, не заглушить двигатель. Устройство в этом варианте, чётко смотрит за приоритетными входными сигналами. Так, что косяк исходит в очередной раз от водителя. :D


Вернуться к началу
 Профиль Отправить личное сообщение  
Ответить с цитатой  
 Заголовок сообщения: Re: действие кнопки при ее удержании.
СообщениеДобавлено: 07 дек 2013, 18:36 
Не в сети

Зарегистрирован: 08 ноя 2012, 23:06
Сообщения: 300
Да не :-) Я же когда обратно предыдущюю прошивку ставлю,все таботает,а последнюю записываю - не работает. :( Я сначала тоже подумал про бабину. :D
Щас еще раз попробую :-)

Вот щас пробую,я незнал,что автозапуск теперь включается только при поставленной охране ,он заработал,
а вот со светодиодом красным,всетаки чтото не то :( он не загорается при удачном пуске,а загорается только при повторном нажатии на кнопку,и повторное нажатие выключает все.
и еще перестало ВСЕ выключаться ,при постановке на охрану,если завод был с кнопки.


Последний раз редактировалось Akademik 07 дек 2013, 18:58, всего редактировалось 1 раз.

Вернуться к началу
 Профиль Отправить личное сообщение  
Ответить с цитатой  
 Заголовок сообщения: Re: действие кнопки при ее удержании.
СообщениеДобавлено: 07 дек 2013, 18:58 
Не в сети
Аватара пользователя

Зарегистрирован: 29 май 2011, 17:59
Сообщения: 3769
Откуда: Россия
При запуске двигателя, 1 на PD4 остаётся? Если нет, то LED не будет работать.


Вернуться к началу
 Профиль Отправить личное сообщение  
Ответить с цитатой  
Показать сообщения за:  Поле сортировки  
Начать новую тему Ответить на тему  [ Сообщений: 158 ]  На страницу Пред.  1 ... 3, 4, 5, 6, 7, 8, 9 ... 16  След.

Часовой пояс: UTC + 3 часа [ Летнее время ]


Кто сейчас на конференции

Сейчас этот форум просматривают: нет зарегистрированных пользователей и гости: 0


Вы можете начинать темы
Вы можете отвечать на сообщения
Вы не можете редактировать свои сообщения
Вы не можете удалять свои сообщения
Вы не можете добавлять вложения

Найти:
Перейти:  
cron
Powered by phpBB © 2000, 2002, 2005, 2007 phpBB Group
Русская поддержка phpBB