Перейти к блогу GetChip.net - блог        JilTE[1] - в разработке     Модификации устройств - модификации

 
Текущее время: 26 май 2026, 07:14

Часовой пояс: UTC + 3 часа [ Летнее время ]



Начать новую тему Ответить на тему  [ Сообщений: 42 ]  На страницу 1, 2, 3, 4, 5  След.
Автор Сообщение
 Заголовок сообщения: Mod#084 (Двуканальный термостат) Вариант на СИ от Dust
СообщениеДобавлено: 06 сен 2013, 07:49 
Не в сети
Аватара пользователя

Зарегистрирован: 09 сен 2011, 06:43
Сообщения: 294
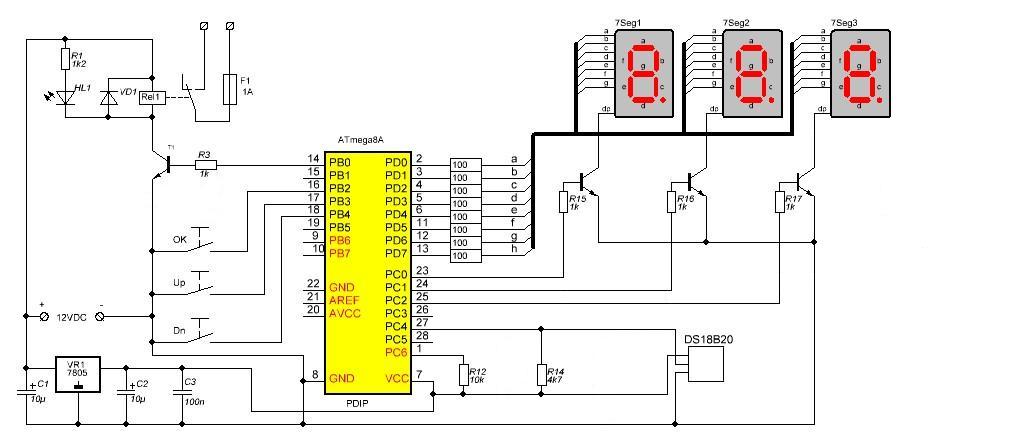
Ну вот дописал я свою версию термостата.. не знаю насколько это можно считать модом. проект был написан с нуля и на С.. схема практически осталась как у автора.. и так какие были изменения:
1. используется только один датчик DS18B20.
2. используется трех разрядный индикатор.
3. были упрощены настройки.(используются также три кнопки OK, UP, DN)

Если все правильно собрано при запуске на индикаторах пишутся три нуля "000" после этого показывает температуру. При ошибке датчика пишит "Err".
Управление:
При кратковременном нажатии на кнопку ОК показывает нижний порог (включение нагрузки). Кнопками UP/DN можно менять значения. При повторном нажатии на кнопку OK показывает верхние значение (отключение нагрузки). Кнопками UP/DN также можно менять значения. Нажимаем еще раз на кнопку ОК и на дисплее пишутся три восьмерки "888". Это значит, что данные записались в энергонезависимую память (eeprom). И на дисплее показывает температуру. Также реализован автоматический выход из меню если не была нажатий кнопки в течении примерно 5 сек. при этом данные не записываются в eeprom. Внимание!!! при входе в меню если нагрузка включена она отключается... Так же реализовано проверка датчика температуры на линии. Если датчик "отвалился" то на дисплее пишется "Err" . при этом нагрузка отключается..

Ну вроде ничего не забыл... будут вопросы пишите..



P.S. забыл уточнить.. диапазон измерения от 0 до 99 градусов.


Вложения:
Termo.jpg
Termo.jpg [ 56.13 КБ | Просмотров: 29836 ]
термостат.rar [92.08 КБ]
Скачиваний: 1887


Последний раз редактировалось Dust 26 ноя 2013, 16:20, всего редактировалось 2 раз(а).
Вернуться к началу
 Профиль Отправить личное сообщение  
Ответить с цитатой  
 Заголовок сообщения: Re: Мод #084 (Двуканальный термостат) Вариант на СИ от Dust
СообщениеДобавлено: 19 ноя 2013, 20:24 


Вернуться к началу
  
Ответить с цитатой  
 Заголовок сообщения: Re: Мод #084 (Двуканальный термостат) Вариант на СИ от Dust
СообщениеДобавлено: 26 ноя 2013, 01:08 
искал одноканальный термостат, и нашел, !!! Благодарю Даст! Сделаю отпишусь, могу фото выслать =))


Вернуться к началу
  
Ответить с цитатой  
 Заголовок сообщения: Re: Мод #084 (Двуканальный термостат) Вариант на СИ от Dust
СообщениеДобавлено: 26 ноя 2013, 16:31 
Не в сети
Аватара пользователя

Зарегистрирован: 09 сен 2011, 06:43
Сообщения: 294


Вложения:
Фото0053.jpg
Фото0053.jpg [ 172.31 КБ | Просмотров: 29835 ]
Фото0045.jpg
Фото0045.jpg [ 126.01 КБ | Просмотров: 29835 ]
Фото0044.jpg
Фото0044.jpg [ 159.88 КБ | Просмотров: 29835 ]
Вернуться к началу
 Профиль Отправить личное сообщение  
Ответить с цитатой  
 Заголовок сообщения: Re: Мод #084 (Двуканальный термостат) Вариант на СИ от Dust
СообщениеДобавлено: 06 дек 2013, 13:49 


Вернуться к началу
  
Ответить с цитатой  
 Заголовок сообщения: Re: Мод #084 (Двуканальный термостат) Вариант на СИ от Dust
СообщениеДобавлено: 06 дек 2013, 15:42 
Не в сети
Аватара пользователя

Зарегистрирован: 09 сен 2011, 06:43
Сообщения: 294
Индикатор ОК.... печатку нет смысла выкладывать я ее делал как говорится под тот корпус который был.... а точнее DIN..... ну если есть такой корпус то скину... но по личному опыту могу сказать, что не очень удобно все получилось... планирую после нового года, когда время свободное будет все соберу более благородно в ящике... вот тогда и все схемы и печатки выложу так что все будет.. ели нет времени ждать, то развести плату не так уж и долго......


Вернуться к началу
 Профиль Отправить личное сообщение  
Ответить с цитатой  
 Заголовок сообщения: Re: Мод #084 (Двуканальный термостат) Вариант на СИ от Dust
СообщениеДобавлено: 12 фев 2014, 13:43 
Здравствуйте Dust, пара вопросов по теме.
1 Какой версией компилятора создан проект? ( не могу открыть исходник )
2 Не могу смоделировать в Протеусе. У Вас работает?


Вернуться к началу
  
Ответить с цитатой  
 Заголовок сообщения: Re: Мод #084 (Двуканальный термостат) Вариант на СИ от Dust
СообщениеДобавлено: 12 фев 2014, 14:12 
Не в сети
Аватара пользователя

Зарегистрирован: 09 сен 2011, 06:43
Сообщения: 294
Я писал в CodeVisionAVR Evaluation 3.06...


Вернуться к началу
 Профиль Отправить личное сообщение  
Ответить с цитатой  
 Заголовок сообщения: Re: Мод #084 (Двуканальный термостат) Вариант на СИ от Dust
СообщениеДобавлено: 20 фев 2014, 23:59 
подскажите какая правильная сехма та что в первом посте под "схема " или в архиве тоже в первом посте????


Вернуться к началу
  
Ответить с цитатой  
 Заголовок сообщения: Re: Мод #084 (Двуканальный термостат) Вариант на СИ от Dust
СообщениеДобавлено: 21 фев 2014, 03:34 
Не в сети
Аватара пользователя

Зарегистрирован: 09 сен 2011, 06:43
Сообщения: 294
правильная та что на картинке, а в архиве забыл поменять :) там выводы разрядов на сегменты в другом порядки....


Вернуться к началу
 Профиль Отправить личное сообщение  
Ответить с цитатой  
Показать сообщения за:  Поле сортировки  
Начать новую тему Ответить на тему  [ Сообщений: 42 ]  На страницу 1, 2, 3, 4, 5  След.

Часовой пояс: UTC + 3 часа [ Летнее время ]


Кто сейчас на конференции

Сейчас этот форум просматривают: нет зарегистрированных пользователей и гости: 3


Вы можете начинать темы
Вы можете отвечать на сообщения
Вы не можете редактировать свои сообщения
Вы не можете удалять свои сообщения
Вы не можете добавлять вложения

Найти:
Перейти:  
cron
Powered by phpBB © 2000, 2002, 2005, 2007 phpBB Group
Русская поддержка phpBB