Перейти к блогу GetChip.net - блог        JilTE[1] - в разработке     Модификации устройств - модификации

 
Текущее время: 20 янв 2026, 15:50

Часовой пояс: UTC + 3 часа [ Летнее время ]



Начать новую тему Ответить на тему  [ Сообщений: 48 ]  На страницу Пред.  1, 2, 3, 4, 5  След.
Автор Сообщение
 Заголовок сообщения: Re: Доработка контроллера КИТ bm8036
СообщениеДобавлено: 21 апр 2012, 21:19 
Не в сети

Зарегистрирован: 18 апр 2012, 10:40
Сообщения: 16


Вложения:
BM8036 2.GIF
BM8036 2.GIF [ 10.51 КБ | Просмотров: 16284 ]
Вернуться к началу
 Профиль Отправить личное сообщение  
Ответить с цитатой  
 Заголовок сообщения: Re: Доработка контроллера КИТ bm8036
СообщениеДобавлено: 21 апр 2012, 21:25 
Не в сети

Зарегистрирован: 20 май 2011, 23:58
Сообщения: 545

_________________
Чтобы получить правильные ответы, надо задавать правильные вопросы!


Вернуться к началу
 Профиль Отправить личное сообщение  
Ответить с цитатой  
 Заголовок сообщения: Re: Доработка контроллера КИТ bm8036
СообщениеДобавлено: 21 апр 2012, 21:51 
Не в сети
Аватара пользователя

Зарегистрирован: 29 май 2011, 17:59
Сообщения: 3769
Откуда: Россия


Вернуться к началу
 Профиль Отправить личное сообщение  
Ответить с цитатой  
 Заголовок сообщения: Re: Доработка контроллера КИТ bm8036
СообщениеДобавлено: 22 апр 2012, 06:56 
Не в сети

Зарегистрирован: 18 апр 2012, 10:40
Сообщения: 16
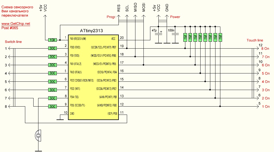
Смотрите что нашел http://nice.artip.ru/prostaya-sensornay ... nye-knopki :-) как раз то что нужно. Только нужны коментарии по схеме. Тот же микроконтроллер...
touchsens3.gif
touchsens3.gif [ 27.65 КБ | Просмотров: 16278 ]


Скажите пожалуйста как в эту схемку вместо светодиодов подключить транзисторные оптроны о которых вы говорили ранее?

И еще вопрос: есть ли реле которые не щелкают? или что еще может выполнять функцию реле?


Вернуться к началу
 Профиль Отправить личное сообщение  
Ответить с цитатой  
 Заголовок сообщения: Re: Доработка контроллера КИТ bm8036
СообщениеДобавлено: 22 апр 2012, 08:21 
Не в сети
Аватара пользователя

Зарегистрирован: 29 май 2011, 17:59
Сообщения: 3769
Откуда: Россия


Вложения:
Mod.jpg
Mod.jpg [ 103.43 КБ | Просмотров: 16281 ]
Вернуться к началу
 Профиль Отправить личное сообщение  
Ответить с цитатой  
 Заголовок сообщения: Re: Доработка контроллера КИТ bm8036
СообщениеДобавлено: 22 апр 2012, 21:40 
Не в сети

Зарегистрирован: 18 апр 2012, 10:40
Сообщения: 16


Вернуться к началу
 Профиль Отправить личное сообщение  
Ответить с цитатой  
 Заголовок сообщения: Re: Доработка контроллера КИТ bm8036
СообщениеДобавлено: 22 апр 2012, 22:46 
Не в сети
Аватара пользователя

Зарегистрирован: 29 май 2011, 17:59
Сообщения: 3769
Откуда: Россия
Мод (модификация).
Мы же вели разговор о светодиодах, значит я говорил о 9-16.
Оптрон к примеру МСТ6 (два в одном).


Вернуться к началу
 Профиль Отправить личное сообщение  
Ответить с цитатой  
 Заголовок сообщения: Re: Доработка контроллера КИТ bm8036
СообщениеДобавлено: 23 апр 2012, 05:57 
Не в сети

Зарегистрирован: 18 апр 2012, 10:40
Сообщения: 16
Я читал здесь на форумах, что микроконтроллеры надо прошивать. Скажите SVN, ваш мод тоже нуждается в прошивке? (просьба за глупые вопросы не бить ногами)... :oops:


А на каком растоянии от контроллера может находиться площадка? и может ли она быть выполнена из любого токопроводящего материала? например расстояние 2 метра, а площадка - болт с декоративной шляпкой.


Вернуться к началу
 Профиль Отправить личное сообщение  
Ответить с цитатой  
 Заголовок сообщения: Re: Доработка контроллера КИТ bm8036
СообщениеДобавлено: 23 апр 2012, 16:52 
Не в сети
Аватара пользователя

Зарегистрирован: 29 май 2011, 17:59
Сообщения: 3769
Откуда: Россия


Вернуться к началу
 Профиль Отправить личное сообщение  
Ответить с цитатой  
 Заголовок сообщения: Re: Доработка контроллера КИТ bm8036
СообщениеДобавлено: 23 апр 2012, 19:28 
Не в сети

Зарегистрирован: 18 апр 2012, 10:40
Сообщения: 16
Cпасибо вам SVN за помощь и за советы, вы мне очень помогли. Я еще обязательно попрошу у вас помощи, не откажите.


Вернуться к началу
 Профиль Отправить личное сообщение  
Ответить с цитатой  
Показать сообщения за:  Поле сортировки  
Начать новую тему Ответить на тему  [ Сообщений: 48 ]  На страницу Пред.  1, 2, 3, 4, 5  След.

Часовой пояс: UTC + 3 часа [ Летнее время ]


Кто сейчас на конференции

Сейчас этот форум просматривают: нет зарегистрированных пользователей и гости: 9


Вы можете начинать темы
Вы можете отвечать на сообщения
Вы не можете редактировать свои сообщения
Вы не можете удалять свои сообщения
Вы не можете добавлять вложения

Найти:
Перейти:  
cron
Powered by phpBB © 2000, 2002, 2005, 2007 phpBB Group
Русская поддержка phpBB