Перейти к блогу GetChip.net - блог        JilTE[1] - в разработке     Модификации устройств - модификации

 
Текущее время: 20 мар 2026, 06:08

Часовой пояс: UTC + 3 часа [ Летнее время ]



Начать новую тему Ответить на тему  [ Сообщений: 198 ]  На страницу Пред.  1 ... 7, 8, 9, 10, 11, 12, 13 ... 20  След.
Автор Сообщение
 Заголовок сообщения: Re: 076-Управление нагрузками при помощи IR-пульта (ATtiny13
СообщениеДобавлено: 19 мар 2012, 11:49 
Не в сети
Аватара пользователя

Зарегистрирован: 14 мар 2012, 16:34
Сообщения: 21
Dust огромное спасибо....... работает шоколадно.... :-) вот что я хотел.... ;)


Вернуться к началу
 Профиль Отправить личное сообщение  
Ответить с цитатой  
 Заголовок сообщения: Re: 076-Управление нагрузками при помощи IR-пульта (ATtiny13
СообщениеДобавлено: 25 мар 2012, 18:22 
А можно прошивку, которая будет работать не в триггерном режиме, а в импульсном?
или может доработали устройство на ATtiny2313?
По сути сейчас мне жизненно необходимо три канала импульсных. В идеале еще один триггерный.
Возможен, как вариант, 2 канала импульсных, один триггерный.
А, кстати, а железка помнит запрограммированный пульт при пропадении питания?


Вернуться к началу
  
Ответить с цитатой  
 Заголовок сообщения: Re: 076-Управление нагрузками при помощи IR-пульта (ATtiny13
СообщениеДобавлено: 25 мар 2012, 18:39 
Не в сети

Зарегистрирован: 25 мар 2012, 18:23
Сообщения: 25
Пардон. Не совсем так. Не в импульсном, а "есть сигнал -> есть нагрузка".
Можно два канала(один оставить для включения программирования).
UPD. Блин.. Все равно не получается.
Если можно, то две прошивки:
1. с двумя каналами в описанном выше режиме
2. с одним, так как выше, а вторым в триггерном.

P.S. Делаю управление круиз-контролем в машину. 3 кнопки и один выключатель. Все равно минимум два драйвера, если на ATtiny13.


Вернуться к началу
 Профиль Отправить личное сообщение  
Ответить с цитатой  
 Заголовок сообщения: Re: 076-Управление нагрузками при помощи IR-пульта (ATtiny13
СообщениеДобавлено: 25 мар 2012, 20:41 
Не в сети
Аватара пользователя

Зарегистрирован: 12 фев 2012, 22:25
Сообщения: 72


Вернуться к началу
 Профиль Отправить личное сообщение  
Ответить с цитатой  
 Заголовок сообщения: Re: 076-Управление нагрузками при помощи IR-пульта (ATtiny13
СообщениеДобавлено: 25 мар 2012, 20:44 
Не в сети

Зарегистрирован: 25 мар 2012, 18:23
Сообщения: 25


Вернуться к началу
 Профиль Отправить личное сообщение  
Ответить с цитатой  
 Заголовок сообщения: Re: 076-Управление нагрузками при помощи IR-пульта (ATtiny13
СообщениеДобавлено: 25 мар 2012, 22:55 
Не в сети
Аватара пользователя

Зарегистрирован: 14 мар 2012, 16:34
Сообщения: 21
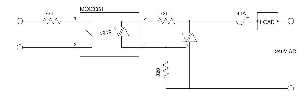
Dust..... как можно питать схему при последовательном соединений лампой т.е. хочу заменит механически выключатель а на механическом выключателе есть только два провода... для коммутации собрал вот эту схему и при открывании симистора падение напряжения около 2-3 вольт и это не достаточно для питании attiny13 tsop1738 moc3061...
заранее благодарен.
и извини что так часто беспокою.


Вложения:
comm.png
comm.png [ 14.35 КБ | Просмотров: 19182 ]
Вернуться к началу
 Профиль Отправить личное сообщение  
Ответить с цитатой  
 Заголовок сообщения: Re: 076-Управление нагрузками при помощи IR-пульта (ATtiny13
СообщениеДобавлено: 25 мар 2012, 23:01 
Не в сети

Зарегистрирован: 25 мар 2012, 18:23
Сообщения: 25


Вернуться к началу
 Профиль Отправить личное сообщение  
Ответить с цитатой  
 Заголовок сообщения: Re: 076-Управление нагрузками при помощи IR-пульта (ATtiny13
СообщениеДобавлено: 25 мар 2012, 23:09 
Не в сети
Аватара пользователя

Зарегистрирован: 14 мар 2012, 16:34
Сообщения: 21
к сожалению вы правы я этого не учел..... :( я собрал уже 10 штук для дома и верхний резюк установил 200 ом а нижний 470 ом....... придется заменит 470ом на 470ком.... спасибо за подсказку ;)


Вернуться к началу
 Профиль Отправить личное сообщение  
Ответить с цитатой  
 Заголовок сообщения: Re: 076-Управление нагрузками при помощи IR-пульта (ATtiny13
СообщениеДобавлено: 25 мар 2012, 23:35 
Не в сети
Аватара пользователя

Зарегистрирован: 29 май 2011, 17:59
Сообщения: 3769
Откуда: Россия


Вернуться к началу
 Профиль Отправить личное сообщение  
Ответить с цитатой  
 Заголовок сообщения: Re: 076-Управление нагрузками при помощи IR-пульта (ATtiny13
СообщениеДобавлено: 25 мар 2012, 23:52 
Не в сети
Аватара пользователя

Зарегистрирован: 29 май 2011, 17:59
Сообщения: 3769
Откуда: Россия


Вернуться к началу
 Профиль Отправить личное сообщение  
Ответить с цитатой  
Показать сообщения за:  Поле сортировки  
Начать новую тему Ответить на тему  [ Сообщений: 198 ]  На страницу Пред.  1 ... 7, 8, 9, 10, 11, 12, 13 ... 20  След.

Часовой пояс: UTC + 3 часа [ Летнее время ]


Кто сейчас на конференции

Сейчас этот форум просматривают: нет зарегистрированных пользователей и гости: 0


Вы не можете начинать темы
Вы можете отвечать на сообщения
Вы не можете редактировать свои сообщения
Вы не можете удалять свои сообщения
Вы не можете добавлять вложения

Найти:
Перейти:  
cron
Powered by phpBB © 2000, 2002, 2005, 2007 phpBB Group
Русская поддержка phpBB