Перейти к блогу GetChip.net - блог        JilTE[1] - в разработке     Модификации устройств - модификации

 
Текущее время: 18 дек 2025, 19:03

Часовой пояс: UTC + 3 часа [ Летнее время ]



Ответить
Имя пользователя:
Заголовок:
Текст сообщения:
Введите текст вашего сообщения. Длина сообщения в символах не более: 60000

Размер шрифта:
Цвет шрифта
Настройки:
BBCode ВКЛЮЧЁН
[img] ВКЛЮЧЁН
[flash] ВЫКЛЮЧЕН
[url] ВКЛЮЧЁН
Смайлики ВЫКЛЮЧЕНЫ
Отключить в этом сообщении BBCode
Не преобразовывать адреса URL в ссылки
Анти-спам
Анти-спам:
Выполните задание
   

Обзор темы - Часы-термометр на матрицах MAX7219/1088AS
Автор Сообщение
  Заголовок сообщения:  Re: Часы-термометр на матрицах MAX7219/1088AS  
Цитата
Вот как это выглядит. :-)
20190724_175745.jpg
20190724_175745.jpg [ 51.49 КБ | Просмотров: 21185 ]
Сообщение Добавлено: 24 июл 2019, 17:05
  Заголовок сообщения:  Re: Часы-термометр на матрицах MAX7219/1088AS  
Цитата
Установка значений часов:
Вход в режим установки времени осуществляется нажатием кнопку «время». На экране появляется мигающая цифра соответствующая дню недели (1…7). А с право высвечивается «Дн», указывающее на выбор дня недели. Если кнопка «Далее» не нажималась, то есть возможность выхода из данного режима без изменения значений нажав повторно кнопку «Время». Кнопкой «Выбор» устанавливается текущий день недели, а нажатием на кнопку «Далее» осуществляется запоминания выбранного значения, и переход к следующий установке. Далее производится выбор числа (с право высвечивается «ч»), далее производится выбор месяца (с право высвечивается «м»), далее производится выбор года (с право высвечивается «г»), далее производится выбор часов, далее производится выбор минут. При переходе на установку секунд, секунды не мигают, а с право высвечивается «Се». Установка секунд осуществляется сбросом их в ноль нажатием на кнопку «Выбор». При этом происходит запись всех установленных значений в микросхему часов, а также автоматический выход из режима установки.

В данной прошивке прописан переключатель выбора показаний на дисплее. Если переключатель установлен в положение время – на дисплее будет отображаться только время. Если переключатель установлен в положение температура – на дисплее будет отображаться только температура. Если переключатель установлен в нижнее по схеме положение, то на экране будут попеременно отображаться время и температура (время 10 сек, температура 5 сек).
1.png
1.png [ 37.45 КБ | Просмотров: 21581 ]

MAX7219_Clock_V1a.hex [19.39 КБ]
Скачиваний: 2462
Сообщение Добавлено: 30 мар 2019, 16:40
  Заголовок сообщения:  Re: Часы-термометр на матрицах MAX7219/1088AS  
Цитата
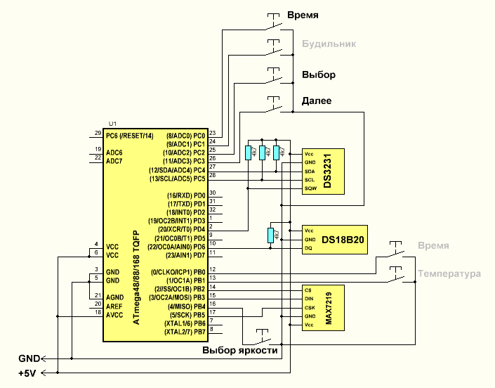
Вот схема и прошивка к данному устройству. Описание установки значений часов опишу позже. На схеме есть переключатель выбора яркости. Если его не ставить, то яркость индикатора при старте устанавливается на минимум. При замыкании переключателя устанавливается высокая яркость. Но в прошивке выбрана только средняя яркость от максимально возможной.
Схема:
Схема.png
Схема.png [ 35.39 КБ | Просмотров: 21600 ]

MAX7219.spl7 [126.42 КБ]
Скачиваний: 2472


Прошивка:
MAX7219_Clock.hex [19.29 КБ]
Скачиваний: 2524
Сообщение Добавлено: 28 мар 2019, 22:11
  Заголовок сообщения:  Часы-термометр на матрицах MAX7219/1088AS  
Цитата
Умерли такие часы.
Корпус.png
Корпус.png [ 121.08 КБ | Просмотров: 21611 ]

Решил в данном корпусе реализовать иной вариант часов с датчиком температуры DS18B20. Индикатор буду использовать на базе модуля MAX7219 с матрицами 1088AS.
Модуль max7219.png
Модуль max7219.png [ 135.42 КБ | Просмотров: 21607 ]

МК буду использовать на базе платки ардуино мини.
Модуль часов DS3231.
DS3231_2.png
DS3231_2.png [ 153.33 КБ | Просмотров: 21607 ]


Программа пока проходит тест: https://yadi.sk/i/G5pPnwjKY4-eCA
Сообщение Добавлено: 28 мар 2019, 01:56

Часовой пояс: UTC + 3 часа [ Летнее время ]


Перейти:  
cron
Powered by phpBB © 2000, 2002, 2005, 2007 phpBB Group
Русская поддержка phpBB