Перейти к блогу GetChip.net - блог        JilTE[1] - в разработке     Модификации устройств - модификации

 
Текущее время: 14 окт 2025, 02:04

Часовой пояс: UTC + 3 часа [ Летнее время ]



Ответить
Имя пользователя:
Заголовок:
Текст сообщения:
Введите текст вашего сообщения. Длина сообщения в символах не более: 60000

Размер шрифта:
Цвет шрифта
Настройки:
BBCode ВКЛЮЧЁН
[img] ВКЛЮЧЁН
[flash] ВЫКЛЮЧЕН
[url] ВКЛЮЧЁН
Смайлики ВЫКЛЮЧЕНЫ
Отключить в этом сообщении BBCode
Не преобразовывать адреса URL в ссылки
Анти-спам
Анти-спам:
Выполните задание
   

Обзор темы - Термометр
Автор Сообщение
  Заголовок сообщения:  Re: Термометр  
Цитата
Сообщение Добавлено: 07 май 2012, 21:41
  Заголовок сообщения:  Re: Термометр  
Цитата
А чем питать датчики? от батарейки внешнего источника 5в или от мк?
Сообщение Добавлено: 07 май 2012, 19:05
  Заголовок сообщения:  Re: Термометр  
Цитата


Вложения:
DS18B20.jpg
DS18B20.jpg [ 13.02 КБ | Просмотров: 14924 ]
Сообщение Добавлено: 07 май 2012, 08:59
  Заголовок сообщения:  Re: Термометр  
Цитата
Т.е. мне нужно просто припаять 14 штырьков и вставить в модуль?
Правильно ли я понимаю, что каждую кнопку, параллельно с резистором, я подключаю одним концом в соответствующий выход, другим на землю?
И в правильном ли порядке я прошил 2 hex файла? Или неважно?
И все же, я не понимаю, т.е. к одному выходу модуля я подключаю 2 термометра? А куда у них еще 2 остальных выхода подключать? 1 на землю и 1 на питание?
Сообщение Добавлено: 06 май 2012, 22:28
  Заголовок сообщения:  Re: Термометр  
Цитата


Вложения:
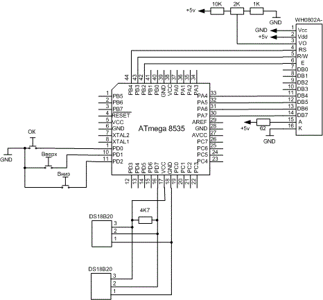
Схема.gif
Схема.gif [ 13.49 КБ | Просмотров: 14931 ]
0007-pic6.jpg
0007-pic6.jpg [ 14.07 КБ | Просмотров: 14931 ]
Сообщение Добавлено: 06 май 2012, 08:25
  Заголовок сообщения:  Re: Термометр  
Цитата
Да, я уже купил детали в точности те же, что вы описываете, зашил прошивку в мк (сначала ds18b20v3b.hex, потом EE_ds18b20v3b.hex). Теперь не могу подключить дисплей и термометры. У вас в описании написано, что он подключается по 4-х проводной схеме. Но я не знаю, какие входы нужно использовать? И как подключить 2 термометра к одному контакту D7?
Вероятно, эти вопросы очень глупые, но я новичок в этом деле, простите, что отвлекаю
Сообщение Добавлено: 05 май 2012, 23:42
  Заголовок сообщения:  Re: Термометр  
Цитата
Сообщение Добавлено: 05 май 2012, 22:15
  Заголовок сообщения:  Re: Термометр  
Цитата
Сообщение Добавлено: 05 май 2012, 18:49
  Заголовок сообщения:  Re: Термометр  
Цитата
Сообщение Добавлено: 05 май 2012, 05:02
  Заголовок сообщения:  Re: Термометр  
Цитата
А не могли бы вы более подробные фотографии выложить, пожалуйста.
Сообщение Добавлено: 05 май 2012, 00:00

Часовой пояс: UTC + 3 часа [ Летнее время ]


Перейти:  
cron
Powered by phpBB © 2000, 2002, 2005, 2007 phpBB Group
Русская поддержка phpBB