Автор |
Сообщение |
|
|
Заголовок сообщения: |
Re: Термометр |
Цитата |
|
[quote="magician"]А чем питать датчики? от батарейки внешнего источника 5в или от мк?[/quote] Вам как удобней? Разницы в принципе нет, главное чтобы общий провод внешнего питания соединялся с общим МК. Делайте как на схеме и будет Вам счастье. ;)
|
|
|
 |
Добавлено: 07 май 2012, 21:41 |
|
|
 |
|
|
Заголовок сообщения: |
Re: Термометр |
Цитата |
|
А чем питать датчики? от батарейки внешнего источника 5в или от мк?
А чем питать датчики? от батарейки внешнего источника 5в или от мк?
|
|
|
 |
Добавлено: 07 май 2012, 19:05 |
|
|
 |
|
|
Заголовок сообщения: |
Re: Термометр |
Цитата |
|
Вложения: |

DS18B20.jpg [ 13.02 КБ | Просмотров: 14931 ]
|
[quote="magician"]Т.е. мне нужно просто припаять 14 штырьков и вставить в модуль?[/quote] Да верно. [quote="magician"]Правильно ли я понимаю, что каждую кнопку, параллельно с резистором, я подключаю одним концом в соответствующий выход, другим на землю?[/quote] Не совсем так. Кнопки подключаются как указанно на схеме, один вывод кнопки подключается к порту МК, другой вывод кнопки подсоединяется к «земле» (общий провод, указан как GND). Резисторов на кнопках быть не должно, так как выводы порта кнопок настроены на вход с подтяжкой внутреннего резистора МК к плюсу. Внутренний резистор имеет сопротивление в районе 40 кОм, нет смысла устанавливать дополнительный. [quote="magician"]И в правильном ли порядке я прошил 2 hex файла? Или неважно?[/quote] Для данной программы достаточно одного. А у Вас какой программатор? Не тот что продаётся на том же сайте где модуль? Если тот, то установите Algorithm Builder и не будете заморачиваться. [quote="magician"]И все же, я не понимаю, т.е. к одному выходу модуля я подключаю 2 термометра? А куда у них еще 2 остальных выхода подключать? 1 на землю и 1 на питание?[/quote] Да к одному выводу МК Вы подключаете выводы данных обоих термометров, согласно схеме. Не забудьте установить резистор на 4,7 кОм. Остальные два вывода у датчика это его питание. Датчики работают с шиной 1-Wire, и имеют индивидуальный код, который прошивается на заводе и никогда не повторяется. Потому в начале я описывал как этот код сохраняется в МК. Таким образом, при записанных кодах термометров в МК, он обращается к каждому датчику по его коду. [spoiler=][attachment=0]DS18B20.jpg[/attachment][/spoiler]
|
|
|
 |
Добавлено: 07 май 2012, 08:59 |
|
|
 |
|
|
Заголовок сообщения: |
Re: Термометр |
Цитата |
|
Т.е. мне нужно просто припаять 14 штырьков и вставить в модуль? Правильно ли я понимаю, что каждую кнопку, параллельно с резистором, я подключаю одним концом в соответствующий выход, другим на землю? И в правильном ли порядке я прошил 2 hex файла? Или неважно? И все же, я не понимаю, т.е. к одному выходу модуля я подключаю 2 термометра? А куда у них еще 2 остальных выхода подключать? 1 на землю и 1 на питание?
Т.е. мне нужно просто припаять 14 штырьков и вставить в модуль? Правильно ли я понимаю, что каждую кнопку, параллельно с резистором, я подключаю одним концом в соответствующий выход, другим на землю? И в правильном ли порядке я прошил 2 hex файла? Или неважно? И все же, я не понимаю, т.е. к одному выходу модуля я подключаю 2 термометра? А куда у них еще 2 остальных выхода подключать? 1 на землю и 1 на питание?
|
|
|
 |
Добавлено: 06 май 2012, 22:28 |
|
|
 |
|
|
Заголовок сообщения: |
Re: Термометр |
Цитата |
|
Вложения: |

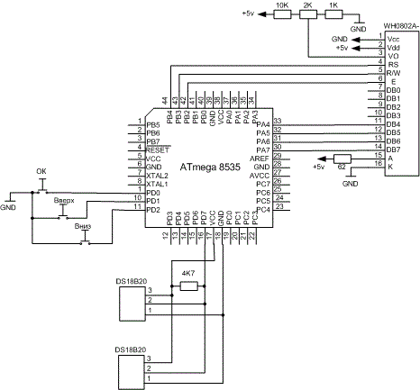
Схема.gif [ 13.49 КБ | Просмотров: 14938 ]
|

0007-pic6.jpg [ 14.07 КБ | Просмотров: 14938 ]
|
[quote="magician"]Да, я уже купил детали в точности те же, что вы описываете, зашил прошивку в мк (сначала ds18b20v3b.hex, потом EE_ds18b20v3b.hex). Теперь не могу подключить дисплей и термометры. У вас в описании написано, что он подключается по 4-х проводной схеме. Но я не знаю, какие входы нужно использовать? И как подключить 2 термометра к одному контакту D7? Вероятно, эти вопросы очень глупые, но я новичок в этом деле, простите, что отвлекаю[/quote] Если Вы приобрели именно модуль, то с ним идёт схема. В ней указанно, какие выводы используются для дисплея. Вам всего-то нужно припаять штырьки к дисплею и вставить в разъём модуля. [spoiler=][attachment=1]0007-pic6.jpg[/attachment][/spoiler] Датчики вешаются параллельно. [spoiler=][attachment=0]Схема.gif[/attachment][/spoiler]
|
|
|
 |
Добавлено: 06 май 2012, 08:25 |
|
|
 |
|
|
Заголовок сообщения: |
Re: Термометр |
Цитата |
|
Да, я уже купил детали в точности те же, что вы описываете, зашил прошивку в мк (сначала ds18b20v3b.hex, потом EE_ds18b20v3b.hex). Теперь не могу подключить дисплей и термометры. У вас в описании написано, что он подключается по 4-х проводной схеме. Но я не знаю, какие входы нужно использовать? И как подключить 2 термометра к одному контакту D7? Вероятно, эти вопросы очень глупые, но я новичок в этом деле, простите, что отвлекаю
Да, я уже купил детали в точности те же, что вы описываете, зашил прошивку в мк (сначала ds18b20v3b.hex, потом EE_ds18b20v3b.hex). Теперь не могу подключить дисплей и термометры. У вас в описании написано, что он подключается по 4-х проводной схеме. Но я не знаю, какие входы нужно использовать? И как подключить 2 термометра к одному контакту D7? Вероятно, эти вопросы очень глупые, но я новичок в этом деле, простите, что отвлекаю
|
|
|
 |
Добавлено: 05 май 2012, 23:42 |
|
|
 |
|
|
Заголовок сообщения: |
Re: Термометр |
Цитата |
|
[quote="magician"][quote="SVN"][quote="magician"]А не могли бы вы более подробные фотографии выложить, пожалуйста.[/quote] Вы к кому обращаетесь? Фото, чего?[/quote] К вам. Я, если честно, с мк работаю в первый раз, уже купил детали и даже зашил программатор, однако как как собрать схему мне не совсем понятно. Хотелось бы увидеть фото готового устройства.[/quote] У меня есть два устройства на которых в железе проверяю свою прошивку. Полностью готового устройства для данного алгоритма просто нет, так как данный алгоритм может использоваться в различных целях и устройствах. Напишите подробно, что вас интересует, какой у Вас МК, ну и всё что даже не подозреваете важным. В итоге, как правило, важно всё, каждая мелочь. Может у меня есть уже готовое устройство, или находится в разработке. Что касается данного девайся в железе, [url=http://www.ekits.ru/index.php?ukey=product&productID=2048]вот[/url] и [url=http://www.ekits.ru/index.php?productID=1427]вот[/url]
|
|
|
 |
Добавлено: 05 май 2012, 22:15 |
|
|
 |
|
|
Заголовок сообщения: |
Re: Термометр |
Цитата |
|
[quote="SVN"][quote="magician"]А не могли бы вы более подробные фотографии выложить, пожалуйста.[/quote] Вы к кому обращаетесь? Фото, чего?[/quote] К вам. Я, если честно, с мк работаю в первый раз, уже купил детали и даже зашил программатор, однако как как собрать схему мне не совсем понятно. Хотелось бы увидеть фото готового устройства.
|
|
|
 |
Добавлено: 05 май 2012, 18:49 |
|
|
 |
|
|
Заголовок сообщения: |
Re: Термометр |
Цитата |
|
[quote="magician"]А не могли бы вы более подробные фотографии выложить, пожалуйста.[/quote] Вы к кому обращаетесь? Фото, чего?
|
|
|
 |
Добавлено: 05 май 2012, 05:02 |
|
|
 |
|
|
Заголовок сообщения: |
Re: Термометр |
Цитата |
|
А не могли бы вы более подробные фотографии выложить, пожалуйста.
А не могли бы вы более подробные фотографии выложить, пожалуйста.
|
|
|
 |
Добавлено: 05 май 2012, 00:00 |
|
|
 |
|