| Автор |
Сообщение |
|
|
| |
Заголовок сообщения: |
Re: Микропроцессорное зажигание |
Цитата |
|
|
Программа написана в среде Algorithm Builder
Программа написана в среде Algorithm Builder
|
|
|
 |
Добавлено: 12 июн 2017, 20:37 |
|
|
 |
|
|
| |
Заголовок сообщения: |
Re: Микропроцессорное зажигание |
Цитата |
|
|
сразу вопрос .. в какой среде вы пишете программку...мега32 - неплохо конечна, распространенность максимальная и это большой +...ни асм ни сишного кода нет в архиве...ну да ладна... датчик холл...8рашный...кто его будет перекрывать? наверху видел мотор 8 цилиндровый..(что за монстр такой?)...что за катушка будет?...на макс оборотах ей будет хватать времени для накопления?
сразу вопрос .. в какой среде вы пишете программку...мега32 - неплохо конечна, распространенность максимальная и это большой +...ни асм ни сишного кода нет в архиве...ну да ладна... датчик холл...8рашный...кто его будет перекрывать? наверху видел мотор 8 цилиндровый..(что за монстр такой?)...что за катушка будет?...на макс оборотах ей будет хватать времени для накопления?
|
|
|
 |
Добавлено: 12 июн 2017, 20:17 |
|
|
 |
|
|
| |
Заголовок сообщения: |
Re: Микропроцессорное зажигание |
Цитата |
|
|
[quote="Гость"]здравствуйте ну даже и не знаю...пишите посмотрите...протестируйте.. все ак то сумбурно вот...схема неполная...ну ладно...что бы тестировать желательно бы иметь исходник и там можно уЖе что увидеть (а у вас в зипе его не видно - если это коммерческая тайна то как тестировать сие а!?) ..далее и конечно же четкое понимание что вы все таки хотите и как это будет реализовано...из этого сразу выработаются определенные алгоритмы управления --> то что у вас должно быть в схеме...а вот там то и кроется много много нюансов...ни сколько не отговариваю Вас а наоборот настаиваю что бы вы смогли добиться результата...например посмотреть в интернете ..не стараюсь здесь рекламировать другие ресурсы...но их хватает народ этим ак и вы уже давно занимался и там есть очень очень много для вас полезного в том числе как программному и так аппаратному содержанию.[/quote] Достаточно ресурсов изучил на эту тему, сейчас прошивка более менее стабильная, обмен данными с ПК уже протестировал, на макетке работало. Сейчас занят сборкой макетки с транзисторами и стенда для тестирования, как соберу, постараюсь отснять видео работы. Принципиальную схему немножко доделал и залил другой архив с алгоритмом и необходимыми файлами. Что реализовано: Аппаратная часть: датчик импульсов - датчик Холла Ваз 2108-09, возможность использовать датчики давления MPX4115AP и 45.3829, применяемая катушка зажигания Б-116 и аналоги, выходной силовой каскад на транзисторе BU941ZPFI, выход для тахометра(ОК), возможность подключения к ПК по UART.
Программная часть: Диапазон оборотов 120-6000 об/мин., диапазон работы ДАД: 97-20 кПа, регулировка времени накопления энергии в катушке (3 значения). Собственный протокол связи по UART (16/24 байтный пакет). Возможность производить как чтение, так и запись строк ОЗУ, поддержка режима он-лайн, что позволяет полностью настроить работу блока для любого двигателя. Ну вот практически основные характеристики и возможности блока.
PS: забыл написать, что расчёт нагрузочной таблицы производил в Excel, там же и график. По желанию, могу залить сюда. Хотел сделать программу для корректировки УОЗ и связи с блоком средствами Excel VBA. Прочитал кучу информации, как в Excel сделать обмен данными по COM порту, но не хватает знаний по программированию VBA.
|
|
|
 |
Добавлено: 09 июн 2017, 00:05 |
|
|
 |
|
|
| |
Заголовок сообщения: |
Re: Микропроцессорное зажигание |
Цитата |
|
|
здравствуйте ну даже и не знаю...пишите посмотрите...протестируйте.. все ак то сумбурно вот...схема неполная...ну ладно...что бы тестировать желательно бы иметь исходник и там можно уЖе что увидеть (а у вас в зипе его не видно - если это коммерческая тайна то как тестировать сие а!?) ..далее и конечно же четкое понимание что вы все таки хотите и как это будет реализовано...из этого сразу выработаются определенные алгоритмы управления --> то что у вас должно быть в схеме...а вот там то и кроется много много нюансов...ни сколько не отговариваю Вас а наоборот настаиваю что бы вы смогли добиться результата...например посмотреть в интернете ..не стараюсь здесь рекламировать другие ресурсы...но их хватает народ этим ак и вы уже давно занимался и там есть очень очень много для вас полезного в том числе как программному и так аппаратному содержанию.
здравствуйте ну даже и не знаю...пишите посмотрите...протестируйте.. все ак то сумбурно вот...схема неполная...ну ладно...что бы тестировать желательно бы иметь исходник и там можно уЖе что увидеть (а у вас в зипе его не видно - если это коммерческая тайна то как тестировать сие а!?) ..далее и конечно же четкое понимание что вы все таки хотите и как это будет реализовано...из этого сразу выработаются определенные алгоритмы управления --> то что у вас должно быть в схеме...а вот там то и кроется много много нюансов...ни сколько не отговариваю Вас а наоборот настаиваю что бы вы смогли добиться результата...например посмотреть в интернете ..не стараюсь здесь рекламировать другие ресурсы...но их хватает народ этим ак и вы уже давно занимался и там есть очень очень много для вас полезного в том числе как программному и так аппаратному содержанию.
|
|
|
 |
Добавлено: 08 июн 2017, 18:22 |
|
|
 |
|
|
| |
Заголовок сообщения: |
Re: Микропроцессорное зажигание |
Цитата |
|
|
Немного подкорректировал программу, теперь есть возможность использовать датчик давления типа 45.3829, а также допиливаю возможность подключения ПК для корректировки углов зажигания через программу.
Немного подкорректировал программу, теперь есть возможность использовать датчик давления типа 45.3829, а также допиливаю возможность подключения ПК для корректировки углов зажигания через программу.
|
|
|
 |
Добавлено: 17 май 2017, 01:01 |
|
|
 |
|
|
| |
Заголовок сообщения: |
Re: Микропроцессорное зажигание |
Цитата |
|
|
[quote="RockMANN"]Ещё вопрос по моделям МК, которых нет в списке опций проекта AB? Как на них писать прогу? Придется в регистры периферии всё вручную забивать (настройщик отпадает)?[/quote] Никак не получится с ними работать (разве что это полные аналоги того что есть в списке) - формат файла описания неизвестен - разве что Громова поспрашивать...
По тестированию - нужно самому собрать платку - по личному опыту дистанционная отладка - это почти крах проекта. А если будет плата под рукой все будет на порядок легче!
|
|
|
 |
Добавлено: 24 мар 2016, 00:08 |
|
|
 |
|
|
| |
Заголовок сообщения: |
Re: Микропроцессорное зажигание |
Цитата |
|
|
Помогите с тестированием прошивки, желательно на отладочной плате. Создал схему в протезусе, но там проявляются какие-то баги, хотя в симуляторе AB всё вроде работает.
Помогите с тестированием прошивки, желательно на отладочной плате. Создал схему в протезусе, но там проявляются какие-то баги, хотя в симуляторе AB всё вроде работает.
|
|
|
 |
Добавлено: 23 мар 2016, 22:32 |
|
|
 |
|
|
| |
Заголовок сообщения: |
Re: Микропроцессорное зажигание |
Цитата |
|
|
Ещё вопрос по моделям МК, которых нет в списке опций проекта AB? Как на них писать прогу? Придется в регистры периферии всё вручную забивать (настройщик отпадает)?
Ещё вопрос по моделям МК, которых нет в списке опций проекта AB? Как на них писать прогу? Придется в регистры периферии всё вручную забивать (настройщик отпадает)?
|
|
|
 |
Добавлено: 24 дек 2015, 23:57 |
|
|
 |
|
|
| |
Заголовок сообщения: |
Re: Микропроцессорное зажигание |
Цитата |
|
|
|
|
 |
Добавлено: 24 дек 2015, 21:08 |
|
|
 |
|
|
| |
Заголовок сообщения: |
Микропроцессорное зажигание |
Цитата |
|
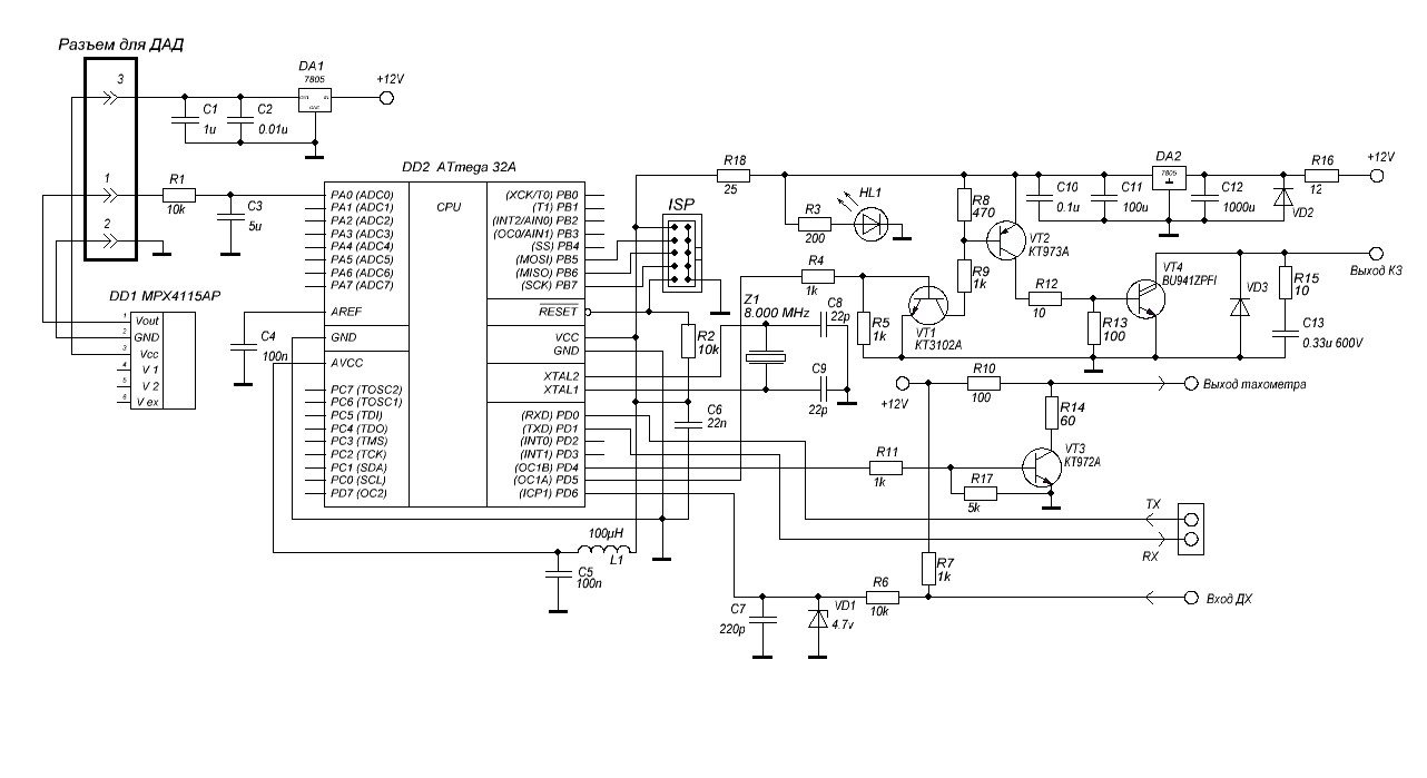
Всех приветствую, очень давно хотел научиться прогать микроконтроллеры, и эта работа самая первая из серъезных, написал пока что под Мегу 32, великоват кристалл по размерам, ищу что-то поменьше из серии Automotive. Итак программа ведет расчет оптимального угла опережения зажигания в зависимости от оборотов и нагрузки на ДВС. Нагрузку (разрежение) измеряет датчик абсолютного давления MPX4115AP, в качестве силового транзистора на первое время используется BU941ZPFI. Так же есть возможность менять время накопления энергии в катушке и вывод для тахометра. Программу писал для 8-цилиндрового двигателя с одной катушкой зажигания.
V8 Ignition v2.JPG [ 126.51 КБ | Просмотров: 38374 ]
v8_ignition_v2.0.rar [19.65 КБ]
Скачиваний: 2142
Всех приветствую, очень давно хотел научиться прогать микроконтроллеры, и эта работа самая первая из серъезных, написал пока что под Мегу 32, великоват кристалл по размерам, ищу что-то поменьше из серии Automotive. Итак программа ведет расчет оптимального угла опережения зажигания в зависимости от оборотов и нагрузки на ДВС. Нагрузку (разрежение) измеряет датчик абсолютного давления MPX4115AP, в качестве силового транзистора на первое время используется BU941ZPFI. Так же есть возможность менять время накопления энергии в катушке и вывод для тахометра. Программу писал для 8-цилиндрового двигателя с одной катушкой зажигания. [attachment=1]V8 Ignition v2.JPG[/attachment] [attachment=0]v8_ignition_v2.0.rar[/attachment]
|
|
|
 |
Добавлено: 24 дек 2015, 21:03 |
|
|
 |