Перейти к блогу GetChip.net - блог        JilTE[1] - в разработке     Модификации устройств - модификации

 
Текущее время: 15 фев 2026, 20:03

Часовой пояс: UTC + 3 часа [ Летнее время ]



Ответить
Имя пользователя:
Заголовок:
Текст сообщения:
Введите текст вашего сообщения. Длина сообщения в символах не более: 60000

Размер шрифта:
Цвет шрифта
Настройки:
BBCode ВКЛЮЧЁН
[img] ВКЛЮЧЁН
[flash] ВЫКЛЮЧЕН
[url] ВКЛЮЧЁН
Смайлики ВЫКЛЮЧЕНЫ
Отключить в этом сообщении BBCode
Не преобразовывать адреса URL в ссылки
Анти-спам
Анти-спам:
Выполните задание
   

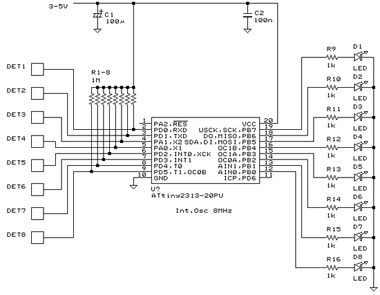
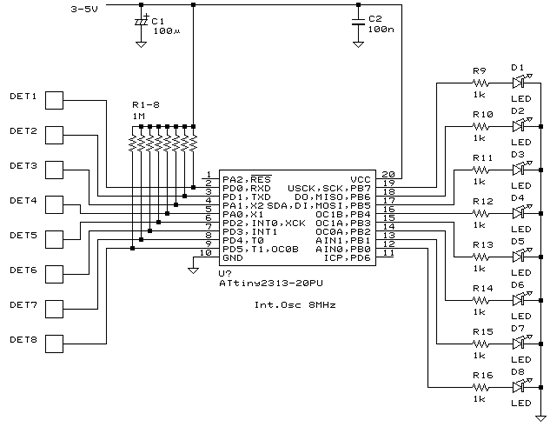
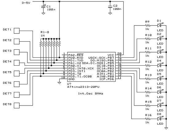
Обзор темы - Mod#065 (Четырехканальный сенсорный переключатель нагрузок)
Автор Сообщение
  Заголовок сообщения:  Re: Mod#065 (Четырехканальный сенсорный переключатель нагруз  
Цитата


Вложения:
touchsens3.gif
touchsens3.gif [ 27.65 КБ | Просмотров: 11431 ]
Сообщение Добавлено: 15 дек 2016, 13:59
  Заголовок сообщения:  Re: Mod#065 (Четырехканальный сенсорный переключатель нагруз  
Цитата
Сообщение Добавлено: 15 дек 2016, 13:55
  Заголовок сообщения:  Re: Mod#065 (Четырехканальный сенсорный переключатель нагруз  
Цитата
Какие числа получились по каналам? Проблемный канал получилось подтянуть?
Сообщение Добавлено: 26 май 2016, 00:01
  Заголовок сообщения:  Re: Mod#065 (Четырехканальный сенсорный переключатель нагруз  
Цитата
Евгений, всё работает. Спасибо :OK: :OK: :OK:
Сообщение Добавлено: 25 май 2016, 23:59
  Заголовок сообщения:  Re: Mod#065 (Четырехканальный сенсорный переключатель нагруз  
Цитата
Немного подправил. пробуй каждый раз одинаковыми уставками для всех каналов и из ряда 3, 5, 10, 15, 20, 30


Вложения:
touch_switch-Mod2_by_aleksunches_1sec_timer_56.zip [14.08 КБ]
Скачиваний: 1970
Сообщение Добавлено: 24 май 2016, 23:09
  Заголовок сообщения:  Re: Mod#065 (Четырехканальный сенсорный переключатель нагруз  
Цитата
Всёравно не работает. Пробывал от 1 до 10 каждый канал.
Сообщение Добавлено: 24 май 2016, 18:26
  Заголовок сообщения:  Re: Mod#065 (Четырехканальный сенсорный переключатель нагруз  
Цитата
Ааа. Понятно. Буду экспериментировать.
Сообщение Добавлено: 24 май 2016, 00:10
  Заголовок сообщения:  Re: Mod#065 (Четырехканальный сенсорный переключатель нагруз  
Цитата
В данной прошивке устройство автоматически не устанавливает чувствительность. Ее нужно самому установить в SENSE_OVER_n по каналам и сделать это нужно опытным путем.
Сообщение Добавлено: 23 май 2016, 23:58
  Заголовок сообщения:  Re: Mod#065 (Четырехканальный сенсорный переключатель нагруз  
Цитата
Сообщение Добавлено: 23 май 2016, 20:08
  Заголовок сообщения:  Re: Mod#065 (Четырехканальный сенсорный переключатель нагруз  
Цитата
Не работает ни один канал.
Сообщение Добавлено: 22 май 2016, 23:02

Часовой пояс: UTC + 3 часа [ Летнее время ]


Перейти:  
cron
Powered by phpBB © 2000, 2002, 2005, 2007 phpBB Group
Русская поддержка phpBB