| Автор |
Сообщение |
|
|
| |
Заголовок сообщения: |
Re: Шаговый двигатель и AVR |
Цитата |
|
|
У меня на лоджии ATmega8 и шаговый двигатель открывают/закрывают жалюзи в зависимости от освещенности на улице.
У меня на лоджии ATmega8 и шаговый двигатель открывают/закрывают жалюзи в зависимости от освещенности на улице.
|
|
|
 |
Добавлено: 10 май 2017, 13:40 |
|
|
 |
|
|
| |
Заголовок сообщения: |
Re: Шаговый двигатель и AVR |
Цитата |
|
|
Здравствуйте! Может кто нибудь поможет собрать контроллер для биполярного шагового двигателя. Хочу собрать намоточный станочек, нужно чтоб обороты регулировались + реверс. Есть ATtiny2313, ATmega8, биполярник M49SP-2NK, модуль на L298N, две руки, желание, но в программировании полный ноль.
Здравствуйте! Может кто нибудь поможет собрать контроллер для биполярного шагового двигателя. Хочу собрать намоточный станочек, нужно чтоб обороты регулировались + реверс. Есть ATtiny2313, ATmega8, биполярник M49SP-2NK, модуль на L298N, две руки, желание, но в программировании полный ноль.
|
|
|
 |
Добавлено: 16 сен 2015, 16:44 |
|
|
 |
|
|
| |
Заголовок сообщения: |
Re: Шаговый двигатель и AVR |
Цитата |
|
|
Вот тоже начинал делать с одним знакомым (прогу писал он), работает.Дистанционное управление одним или двумя шаговыми двигателями.Да вспомнил, там разъём для рограммирования нужно поставить со стороны дорожек, и разведён он под программатор от МастерКит ВМ9010.Чего будет непонятно пишите,попробую прояснить.
Вот тоже начинал делать с одним знакомым (прогу писал он), работает.Дистанционное управление одним или двумя шаговыми двигателями.Да вспомнил, там разъём для рограммирования нужно поставить со стороны дорожек, и разведён он под программатор от МастерКит ВМ9010.Чего будет непонятно пишите,попробую прояснить.
|
|
|
 |
Добавлено: 13 янв 2015, 01:51 |
|
|
 |
|
|
| |
Заголовок сообщения: |
Re: Шаговый двигатель и AVR |
Цитата |
|
|
[quote="ewgeny"]Этот дравер я наваял, вспоминая горизонтальные жалюзи на кухне... Как достало там крутить ручку для открывания-закрывания жалюзей[/quote] Каким образом эта штука будет крутить жалюзя?Она же не умеет считать шаги.Когда ей остановиться не особо понятно.Скажем надо бы что бы устройство один раз приучилось к крайним точкам и потом само разбило путь от края к краю на 5-10 шагов и вот тогда пультом можно крутить их туда сюда.Одно нажатие пульта и на 10-20 процентов жалюзи открываются.
|
|
|
 |
Добавлено: 03 янв 2014, 10:59 |
|
|
 |
|
|
| |
Заголовок сообщения: |
Re: Шаговый двигатель и AVR |
Цитата |
|
|
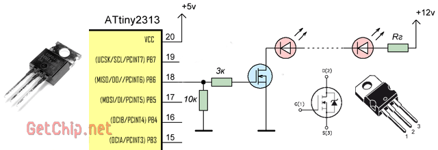
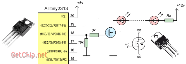
Для увелечения мощности воткните полевеки по схеме нижэ
| Вложения: |

062-MOSFET.png [ 20.01 КБ | Просмотров: 45243 ]
|
Для увелечения мощности воткните полевеки по схеме нижэ
|
|
|
 |
Добавлено: 03 ноя 2012, 10:52 |
|
|
 |
|
|
| |
Заголовок сообщения: |
Re: Шаговый двигатель и AVR |
Цитата |
|
|
[quote="ewgeny"]В старых завалах в шкафу нашел сделанный когда-то драйвер шагового двигателя на Тини2313. Помнится, что программу писал тогда на Algorithm Builder'е. Но сырков не осталось...[/quote] Какая жалость. :)
|
|
|
 |
Добавлено: 11 июл 2011, 19:20 |
|
|
 |
|
|
| |
Заголовок сообщения: |
Re: Шаговый двигатель и AVR |
Цитата |
|
Этот дравер я наваял, вспоминая горизонтальные жалюзи на кухне... Как достало там крутить ручку для открывания-закрывания жалюзей.... А если к этому модулю прицепить модуль IR-приемника, то... 
Этот дравер я наваял, вспоминая горизонтальные жалюзи на кухне... Как достало там крутить ручку для открывания-закрывания жалюзей.... А если к этому модулю прицепить модуль IR-приемника, то... :)
|
|
|
 |
Добавлено: 11 июл 2011, 17:06 |
|
|
 |
|
|
| |
Заголовок сообщения: |
Шаговый двигатель и AVR |
Цитата |
|
|
В старых завалах в шкафу нашел сделанный когда-то драйвер шагового двигателя на Тини2313. Помнится, что программу писал тогда на Algorithm Builder'е. Но сырков не осталось... Поэтому отряхнув от пыли, написал новый драйвер для нее на Си. Работает прекрасно, из минусов только - транзисторы надо было ставить помощнее, у меня там воткнуты обычные С547.
Конечно, добавил функционала. Платка сейчас работает и по замыканию контактов "вперед/назад", и по UART. Схему мне рисовать как обычно лень, но она и проста как три рубля. Выходы РВ0...3 идут через резисторы 1кОм на базы N-P-N транзисторов, эмиттеры на землю, коллекторы - на обмотки моторчика. Не забываем про защитные диоды на каждый транзюк. Общая точка катушек - на +питания двигателя. Я гоняю моторчик на 5 вольт питания, но там вроде как можно/нужно больше вольт подавать. Не вдавался в детали. Входы РА0...1 при замыкании на землю крутят моторчик в обе стороны. Управление по UART интересней. Управляется МК одним байтом. Старший бит определяет направление вращения, биты 6...0 - количество шагов двигателя. Т.е. за один раз можно повернуть ротор до 127 шагов (228,6 градуса). Для большего угла есть фича - отправлять не один, а два байта сразу друг за другом. МК отработает без остановки. Также, когда МК отработает свой "байт", то по UARTу отправляет мастеру подтверждение - ранее полученный байт. Это может быть командой для отправки мастером нового байта на МК. Или просто для контроля, что МК байт принял правильно и успешно отработал повернув ротор. Проект на Си CodeVision в аттаче.
В старых завалах в шкафу нашел сделанный когда-то драйвер шагового двигателя на Тини2313. Помнится, что программу писал тогда на Algorithm Builder'е. Но сырков не осталось... Поэтому отряхнув от пыли, написал новый драйвер для нее на Си. Работает прекрасно, из минусов только - транзисторы надо было ставить помощнее, у меня там воткнуты обычные С547.
[img]http://scorpion-zs.narod.ru/DSCN8410.JPG[/img]
Конечно, добавил функционала. Платка сейчас работает и по замыканию контактов "вперед/назад", и по UART. Схему мне рисовать как обычно лень, но она и проста как три рубля. Выходы РВ0...3 идут через резисторы 1кОм на базы N-P-N транзисторов, эмиттеры на землю, коллекторы - на обмотки моторчика. Не забываем про защитные диоды на каждый транзюк. Общая точка катушек - на +питания двигателя. Я гоняю моторчик на 5 вольт питания, но там вроде как можно/нужно больше вольт подавать. Не вдавался в детали. Входы РА0...1 при замыкании на землю крутят моторчик в обе стороны. Управление по UART интересней. Управляется МК одним байтом. Старший бит определяет направление вращения, биты 6...0 - количество шагов двигателя. Т.е. за один раз можно повернуть ротор до 127 шагов (228,6 градуса). Для большего угла есть фича - отправлять не один, а два байта сразу друг за другом. МК отработает без остановки. Также, когда МК отработает свой "байт", то по UARTу отправляет мастеру подтверждение - ранее полученный байт. Это может быть командой для отправки мастером нового байта на МК. Или просто для контроля, что МК байт принял правильно и успешно отработал повернув ротор. Проект на Си CodeVision в аттаче.
|
|
|
 |
Добавлено: 11 июл 2011, 16:55 |
|
|
 |
|