| Автор |
Сообщение |
|
|
| |
Заголовок сообщения: |
Re: Ктонибудь располагает информацией о жки 122х32 на русско |
Цитата |
|
|
[quote="Streetstyle"]Есть че по ссылкам или докам ? Собрал драйвер на тини 2313 кварц 16 мгц пробовал писать прогу но досихпор кроме подсветки нече невижу :grump: Нужно побольше инфы на нормальном языке ![/quote] Посмотрите [url=http://www.embed.com.ua/mikrokontrollernyiy-konstruktor/zhidko-kristallicheskaya-matritsa-indikator-wg12232e/]здесь[/url], может что-то возьмёте.
|
|
|
 |
Добавлено: 09 июн 2012, 22:08 |
|
|
 |
|
|
| |
Заголовок сообщения: |
Re: Ктонибудь располагает информацией о жки 122х32 на русско |
Цитата |
|
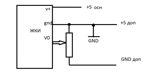
По схеме "Или так" я уже спаял, она неработает. В протусе программа рисует черную строку на экране но в реальной схеме ничего непроисходит. Я выпаял из схемы вывод V0 и припоял его к резистору на 10к который подключон одной нагой к ( gnd доп.) а второй (+5 доп и GND осн.) и толко так экран чернеет в зависимости от положения резистора. Но чернеет экран не так как я запрогромировал (со всякими багами и какимито глюками, неописать, их надо видеть  ) возможно глюки изза того что питанее не двуполярное по сути всеголиш два стабилезатора по 5 воль включонные последоательно (двуполярного источника у меня нет)
| Вложения: |

Снимок.PNG [ 12.6 КБ | Просмотров: 11679 ]
|
По схеме "Или так" я уже спаял, она неработает. В протусе программа рисует черную строку на экране но в реальной схеме ничего непроисходит. Я выпаял из схемы вывод V0 и припоял его к резистору на 10к который подключон одной нагой к ( gnd доп.) а второй (+5 доп и GND осн.) и толко так экран чернеет в зависимости от положения резистора. Но чернеет экран не так как я запрогромировал (со всякими багами и какимито глюками, неописать, их надо видеть :zomg: ) возможно глюки изза того что питанее не двуполярное по сути всеголиш два стабилезатора по 5 воль включонные последоательно (двуполярного источника у меня нет)
|
|
|
 |
Добавлено: 29 апр 2012, 21:09 |
|
|
 |
|
|
| |
Заголовок сообщения: |
Re: Ктонибудь располагает информацией о жки 122х32 на русско |
Цитата |
|
|
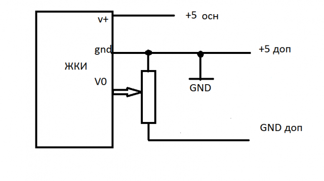
Или так.
| Вложения: |

05.gif [ 1.37 КБ | Просмотров: 11684 ]
|
Или так. [spoiler=][attachment=0]05.gif[/attachment][/spoiler]
|
|
|
 |
Добавлено: 29 апр 2012, 14:55 |
|
|
 |
|
|
| |
Заголовок сообщения: |
Re: Ктонибудь располагает информацией о жки 122х32 на русско |
Цитата |
|
|
О как. А так не пробовали?
| Вложения: |

1.gif [ 3.78 КБ | Просмотров: 11693 ]
|
О как. А так не пробовали? [spoiler=][attachment=0]1.gif[/attachment][/spoiler]
|
|
|
 |
Добавлено: 28 апр 2012, 19:55 |
|
|
 |
|
|
| |
Заголовок сообщения: |
Re: Ктонибудь располагает информацией о жки 122х32 на русско |
Цитата |
|
|
[quote="Streetstyle"]ЖКИ модулю нужно двуполярное питание :mad:[/quote] Аааа!!! Они преобразователь не сделали. Было такое очень давно. С +-12Вольт питания. С старыми ЖКИ. Но потом от это-го быстро ушли.
|
|
|
 |
Добавлено: 28 апр 2012, 19:38 |
|
|
 |
|
|
| |
Заголовок сообщения: |
Re: Ктонибудь располагает информацией о жки 122х32 на русско |
Цитата |
|
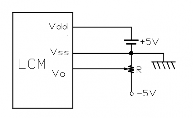
ЖКИ модулю нужно двуполярное питание 
| Вложения: |

Снимок.PNG [ 18.18 КБ | Просмотров: 25659 ]
|
ЖКИ модулю нужно двуполярное питание :mad:
|
|
|
 |
Добавлено: 28 апр 2012, 19:08 |
|
|
 |
|
|
| |
Заголовок сообщения: |
Re: Ктонибудь располагает информацией о жки 122х32 на русско |
Цитата |
|
|
[quote="anatoliy"][quote="Streetstyle"]Оказывается ему на подстройку яркости отрицательная полярность нужна :shock: :crazy: блин нафиг такую каку делать :mad:[/quote] Что-то тут не так :roll:[/quote] Думаю что Streetstyle имел ввиду не отрицательный а общий провод. :-)
|
|
|
 |
Добавлено: 28 апр 2012, 15:12 |
|
|
 |
|
|
| |
Заголовок сообщения: |
Re: Ктонибудь располагает информацией о жки 122х32 на русско |
Цитата |
|
|
[quote="Streetstyle"]Оказывается ему на подстройку яркости отрицательная полярность нужна :shock: :crazy: блин нафиг такую каку делать :mad:[/quote] Что-то тут не так :roll:
|
|
|
 |
Добавлено: 28 апр 2012, 14:40 |
|
|
 |
|
|
| |
Заголовок сообщения: |
Re: Ктонибудь располагает информацией о жки 122х32 на русско |
Цитата |
|
Оказывается ему на подстройку яркости отрицательная полярность нужна  блин нафиг такую каку делать 
Оказывается ему на подстройку яркости отрицательная полярность нужна :shock: :crazy: блин нафиг такую каку делать :mad:
|
|
|
 |
Добавлено: 27 апр 2012, 19:52 |
|
|
 |
|
|
| |
Заголовок сообщения: |
Re: Ктонибудь располагает информацией о жки 122х32 на русско |
Цитата |
|
Дисплей прибыл из китая и причем все серийные номера замазаны краской и стерты. сдается мне он был украден из некондиции с завода и продан через Ebay  В любом случае остается толко одно чтоб убедится в его исправности, дрыгать ногами управляя мк через uatr .
| Вложения: |

Фото0359.jpg [ 218.49 КБ | Просмотров: 25757 ]
|
Дисплей прибыл из китая и причем все серийные номера замазаны краской и стерты. сдается мне он был украден из некондиции с завода и продан через Ebay ;) В любом случае остается толко одно чтоб убедится в его исправности, дрыгать ногами управляя мк через uatr .
|
|
|
 |
Добавлено: 12 апр 2012, 08:36 |
|
|
 |