|
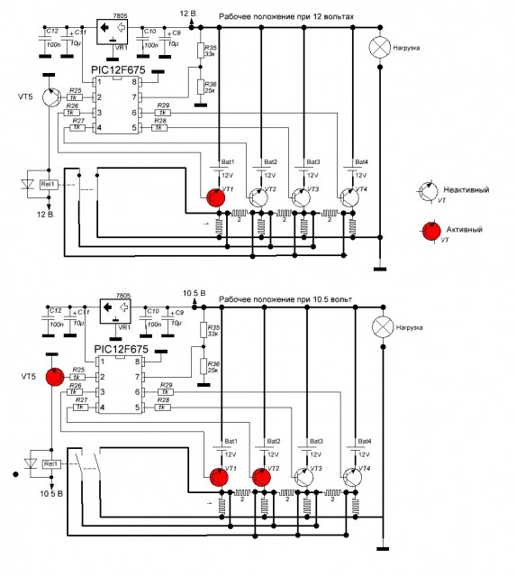
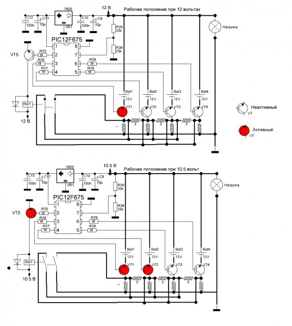
Здравствуйте, помогите пожалуйста, нужна прошивка микроконтроллера PIC12F675 для отключения аккумуляторов при напряжении 10.5 вольт. Будет использоваться как безперебойник в лодочном гараже ,для сигнализации, Устал уже гараж от снега откапывать.Схему примерно набросал.Алгоритм такой. При 12 вольтах включена батарея BAT1 ( транзистор VT1 ) , раз в минуту идет измерение микроконтроллером напряжения на батарее , при 10,5 вольтах на батарее BAT1 включается VT5 и VT2 , отключается VT1 и VT5 и т.д по порядку. При 12 вольтах включена батарея BAT2 ( транзистор VT2 ) , раз в минуту идет измерение микроконтроллером напряжения на батарее , при 10,5 вольтах на батарее BAT2 включается VT5 и VT3 , отключается VT2 и VT5 При 12 вольтах включена батарея BAT3 ( VT3 ) , раз в минуту идет измерение микроконтроллером напряжения на батарее , при 10,5 вольтах на батарее BAT3 включается VT5 и VT4 , отключается VT3 и VT5 .. При 12 вольтах включена батарея BAT4 ( VT4 ) , раз в минуту идет измерение микроконтроллером напряжения на батарее , при 10,5 вольтах на батарее BAT4 отключается VT4 ..Нагрузка отключается. Время переключения между транзисторами 1..2 милисекунду, вероятно придется подбирать.
| Вложения: |

_PIC12~1.JPG [ 157.86 КБ | Просмотров: 27178 ]
|
four batteries.rar [156.7 КБ]
Скачиваний: 1417
|
|