Перейти к блогу GetChip.net - блог        JilTE[1] - в разработке     Модификации устройств - модификации

 
Текущее время: 15 май 2026, 15:51

Часовой пояс: UTC + 3 часа [ Летнее время ]



Начать новую тему Ответить на тему  [ Сообщений: 17 ]  На страницу 1, 2  След.
Автор Сообщение
 Заголовок сообщения: kalibrator 4-20mA
СообщениеДобавлено: 05 сен 2011, 19:23 
Хочу собирать калибратор 4-20 мА на базе микроконтроллера Atmega8. Можно ли
использовать внутренне РС , без использование XTAL1 1


Вернуться к началу
  
Ответить с цитатой  
 Заголовок сообщения: Re: kalibrator 4-20mA
СообщениеДобавлено: 05 сен 2011, 20:00 
Не в сети
Администратор
Аватара пользователя

Зарегистрирован: 15 май 2011, 23:00
Сообщения: 1904
Калибратор чего?


Вернуться к началу
 Профиль Отправить личное сообщение  
Ответить с цитатой  
 Заголовок сообщения: Re: kalibrator 4-20mA
СообщениеДобавлено: 05 сен 2011, 21:01 
Не в сети
Аватара пользователя

Зарегистрирован: 29 май 2011, 17:59
Сообщения: 3769
Откуда: Россия


Вернуться к началу
 Профиль Отправить личное сообщение  
Ответить с цитатой  
 Заголовок сообщения: Re: kalibrator 4-20mA
СообщениеДобавлено: 05 сен 2011, 22:28 
Источник тока это верно ....
----------------------------------------
Мне посоветовали что использование внутренне РС генератора часто встречаются
сбоями при использовании UART RS232


Вернуться к началу
  
Ответить с цитатой  
 Заголовок сообщения: Re: kalibrator 4-20mA
СообщениеДобавлено: 05 сен 2011, 23:19 
Не в сети
Администратор
Аватара пользователя

Зарегистрирован: 15 май 2011, 23:00
Сообщения: 1904
Если не гнаться за большими скоростями UART, то проблем не будет. Кроме того, всегда можно подстроить задающий генератор программно.

С другой стороны, кварц поставить совсем не сложно и вопросов по уходу частоты не будет вообще.


Вернуться к началу
 Профиль Отправить личное сообщение  
Ответить с цитатой  
 Заголовок сообщения: Re: kalibrator 4-20mA
СообщениеДобавлено: 06 сен 2011, 11:20 
Не в сети

Зарегистрирован: 06 сен 2011, 11:01
Сообщения: 10
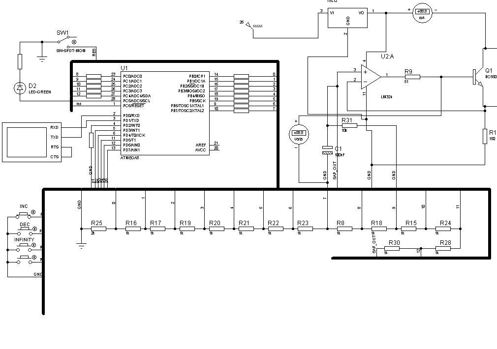
Использование внешнего кварца не возможно , потому что я использую 12 разрядный параллельный ЦАП .PIN-ы для внешнего кварца используются


download/file.php?mode=view&id=94


Вложения:
kalibtator.jpg
kalibtator.jpg [ 70.34 КБ | Просмотров: 32818 ]
Вернуться к началу
 Профиль Отправить личное сообщение  
Ответить с цитатой  
 Заголовок сообщения: Re: kalibrator 4-20mA
СообщениеДобавлено: 06 сен 2011, 20:48 
Не в сети
Аватара пользователя

Зарегистрирован: 29 май 2011, 17:59
Сообщения: 3769
Откуда: Россия
А что нельзя взять другой камень?


Вернуться к началу
 Профиль Отправить личное сообщение  
Ответить с цитатой  
 Заголовок сообщения: Re: kalibrator 4-20mA
СообщениеДобавлено: 06 сен 2011, 20:52 
Не в сети
Администратор
Аватара пользователя

Зарегистрирован: 15 май 2011, 23:00
Сообщения: 1904
Если скорость UART небольшая - оставляй так - будет нормально работать.


Вернуться к началу
 Профиль Отправить личное сообщение  
Ответить с цитатой  
 Заголовок сообщения: Re: kalibrator 4-20mA
СообщениеДобавлено: 08 сен 2011, 13:23 
Не в сети

Зарегистрирован: 06 сен 2011, 11:01
Сообщения: 10


Вернуться к началу
 Профиль Отправить личное сообщение  
Ответить с цитатой  
 Заголовок сообщения: Re: kalibrator 4-20mA
СообщениеДобавлено: 08 сен 2011, 13:29 
Не в сети

Зарегистрирован: 06 сен 2011, 11:01
Сообщения: 10


Вернуться к началу
 Профиль Отправить личное сообщение  
Ответить с цитатой  
Показать сообщения за:  Поле сортировки  
Начать новую тему Ответить на тему  [ Сообщений: 17 ]  На страницу 1, 2  След.

Часовой пояс: UTC + 3 часа [ Летнее время ]


Кто сейчас на конференции

Сейчас этот форум просматривают: нет зарегистрированных пользователей и гости: 4


Вы можете начинать темы
Вы можете отвечать на сообщения
Вы не можете редактировать свои сообщения
Вы не можете удалять свои сообщения
Вы не можете добавлять вложения

Найти:
Перейти:  
cron
Powered by phpBB © 2000, 2002, 2005, 2007 phpBB Group
Русская поддержка phpBB