Перейти к блогу GetChip.net - блог        JilTE[1] - в разработке     Модификации устройств - модификации

 
Текущее время: 06 фев 2026, 22:18

Часовой пояс: UTC + 3 часа [ Летнее время ]



Начать новую тему Ответить на тему  [ Сообщений: 965 ]  На страницу Пред.  1 ... 85, 86, 87, 88, 89, 90, 91 ... 97  След.
Автор Сообщение
 Заголовок сообщения: Re: Разработка устройства управления электрокотлом (Рубин 03
СообщениеДобавлено: 05 авг 2016, 14:14 
Не в сети
Аватара пользователя

Зарегистрирован: 29 май 2011, 17:59
Сообщения: 3769
Откуда: Россия


Вернуться к началу
 Профиль Отправить личное сообщение  
Ответить с цитатой  
 Заголовок сообщения: Re: Разработка устройства управления электрокотлом (Рубин 03
СообщениеДобавлено: 05 авг 2016, 14:28 
Не в сети

Зарегистрирован: 03 ноя 2015, 09:38
Сообщения: 870
я с тобой согласен что будет погрешность. гляну где стоит у меня дома на рубине. мне кажется где то на гайку тэна.
можно например немного ниже температуру взять и за счет погрешности примерно на эти же 95 и выйти.
посмотрю на рубине постараюсь сделать фото.
Я не хочу переделывать котел. Сам не сварю как надо а просить кого то это затраты. проработал он на даче 2 сезона будет и дальше работать в том виде в котором он есть сейчас. Немного подстрахуюсь доп защитой.


Вернуться к началу
 Профиль Отправить личное сообщение  
Ответить с цитатой  
 Заголовок сообщения: Re: Разработка устройства управления электрокотлом (Рубин 03
СообщениеДобавлено: 05 авг 2016, 14:34 
Не в сети

Зарегистрирован: 03 ноя 2015, 09:38
Сообщения: 870
SVN хороших выходных. Постараюсь сделать фотки как на рубине и на неделе выложу.


Вернуться к началу
 Профиль Отправить личное сообщение  
Ответить с цитатой  
 Заголовок сообщения: Re: Разработка устройства управления электрокотлом (Рубин 03
СообщениеДобавлено: 05 авг 2016, 14:48 
Не в сети
Аватара пользователя

Зарегистрирован: 29 май 2011, 17:59
Сообщения: 3769
Откуда: Россия
Спасибо! И тебе удачи.
Что касается сварки… нет ничего сложного… инвертор тоже не проблема… я на даче, всё «варю» сам… мужик должен много чего уметь в хозяйстве… 8-)


Вернуться к началу
 Профиль Отправить личное сообщение  
Ответить с цитатой  
 Заголовок сообщения: Re: Разработка устройства управления электрокотлом (Рубин 03
СообщениеДобавлено: 05 авг 2016, 14:55 
Не в сети

Зарегистрирован: 03 ноя 2015, 09:38
Сообщения: 870
да я тоже варю немного. Инвертор ресанта 160 серии ПН. но тут серьезно боюсь будет бежать. У меня это отопление чисто вспомогательное поддерживать градусов 15 в течении зимы а так буду еще и печь ставить.

Хороших выходных


Вернуться к началу
 Профиль Отправить личное сообщение  
Ответить с цитатой  
 Заголовок сообщения: Re: Разработка устройства управления электрокотлом (Рубин 03
СообщениеДобавлено: 10 авг 2016, 06:04 
Не в сети

Зарегистрирован: 03 ноя 2015, 09:38
Сообщения: 870
SVN доброго дня.

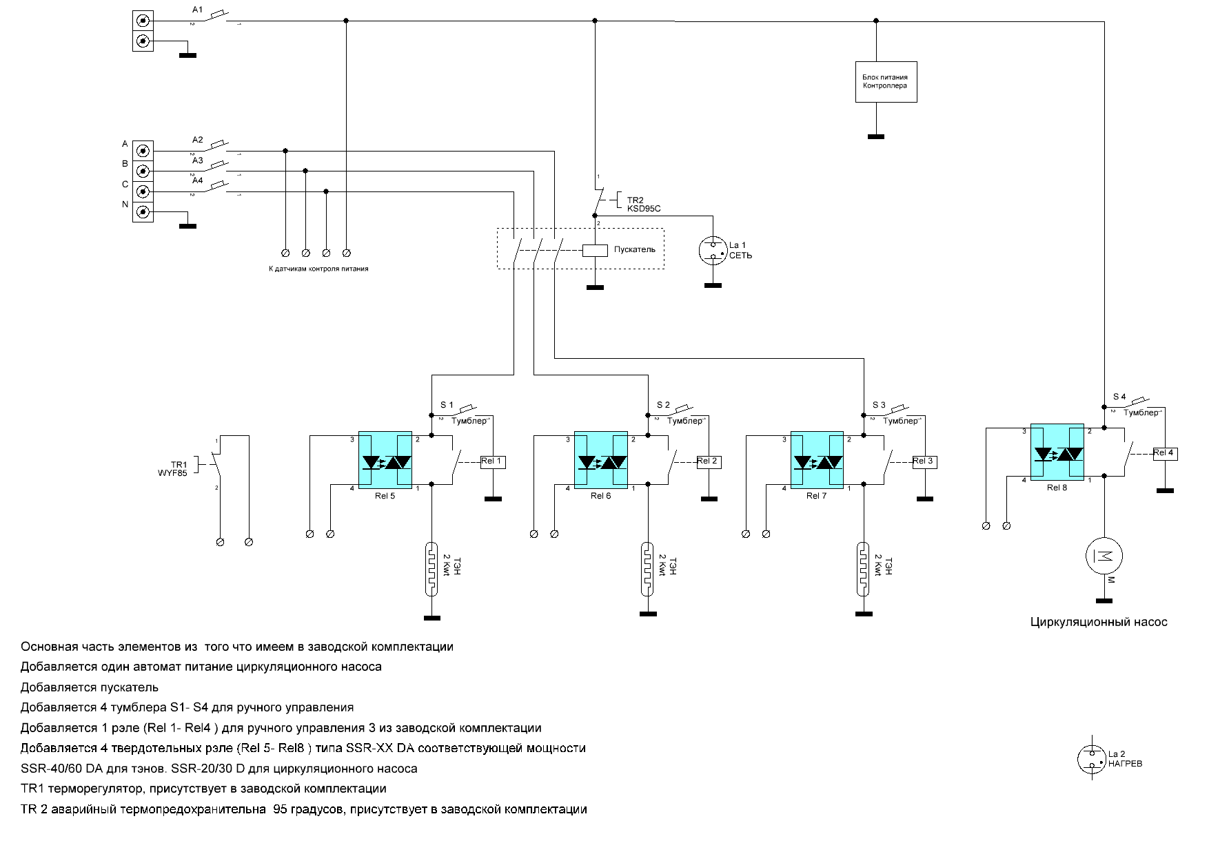
Подскажи пожалуйста, контроль наличия напряжения на тэнах подключать в какую точку лучше?
Сразу после автоматов или после пускателя? и еще один вопросик, пускатель подключен к одному из автоматов с которых питается тэн. На рисунке пускатель питается через отдельный автомат на мой взгляд так лучше. И для БП контроллера тоже отдельный автомат.

SVN еще один вопрос, в рекомендациях по использованию твердотелок, рекомендуют ставить автоматы класса В. Что ты думаешь по этому поводу?


Вложения:
Силовая часть.GIF
Силовая часть.GIF [ 40.18 КБ | Просмотров: 11593 ]
Вернуться к началу
 Профиль Отправить личное сообщение  
Ответить с цитатой  
 Заголовок сообщения: Re: Разработка устройства управления электрокотлом (Рубин 03
СообщениеДобавлено: 10 авг 2016, 18:42 
Не в сети
Аватара пользователя

Зарегистрирован: 29 май 2011, 17:59
Сообщения: 3769
Откуда: Россия


Вернуться к началу
 Профиль Отправить личное сообщение  
Ответить с цитатой  
 Заголовок сообщения: Re: Разработка устройства управления электрокотлом (Рубин 03
СообщениеДобавлено: 11 авг 2016, 05:54 
Не в сети

Зарегистрирован: 03 ноя 2015, 09:38
Сообщения: 870
День добрый.

SVN что касается класса автоматов естественно не знаю. В статье где написано про класс В сказано что у этого класса автоматов скорость срабатывания при КЗ выше. В плане доступности, не проблема да и в цене приемлемо, если конечно это соответствует действительности.

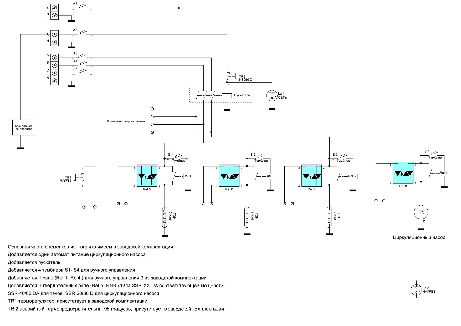
SVN поправил схему силовой части согласно твоим рекомендациям. Исходя из нее получается что датчик наличия напряжения на канале насоса не актуален. Если выбьет автомат то и вся схема не будет работать. Рисунок1.

Схема включения на рисунке 2.
Автомат А2, есть автоматы на небольшой ток. Если не найду можно и без него, просто поставить предохранитель.

Блок питания контроллера включен постоянно, в качестве защиты предохранитель.

Что касается цепей контроля питания тэнов. На мой взгляд правильнее снимть сигнал после пускателя.
Что это нам дает?
1 - В случае когда сработает аварийный термо предохранитель, контроллер выдаст сигнал аварии так как питание на тэнах будет отсутствовать. В первом варианте этого не произойдет и контроллер будет отрабатывать программу пока предохранитель не восстановится.
2 - Если сгорела катушка пускателя, будет похожая ситуация, питание на тэнах есть, программа работает температура носителя не поднимается.
3 - в случае если сработает один из автоматов в цепи питания тэнов. датчик сработает, контроллер будет продолжать программу согласно алгоритма подключив следующие тэн(ы).
Как то вот так я вижу работу датчиков контроля питания. Возможно не прав поправь.


Вложения:
Силовая часть.GIF
Силовая часть.GIF [ 42.18 КБ | Просмотров: 11581 ]
Силовая часть2.GIF
Силовая часть2.GIF [ 42.94 КБ | Просмотров: 11581 ]
Вернуться к началу
 Профиль Отправить личное сообщение  
Ответить с цитатой  
 Заголовок сообщения: Re: Разработка устройства управления электрокотлом (Рубин 03
СообщениеДобавлено: 11 авг 2016, 15:06 
Не в сети
Аватара пользователя

Зарегистрирован: 29 май 2011, 17:59
Сообщения: 3769
Откуда: Россия


Вернуться к началу
 Профиль Отправить личное сообщение  
Ответить с цитатой  
 Заголовок сообщения: Re: Разработка устройства управления электрокотлом (Рубин 03
СообщениеДобавлено: 30 авг 2016, 13:51 
Не в сети

Зарегистрирован: 03 ноя 2015, 09:38
Сообщения: 870
SVN доброго дня.

Ну вот добрался до конторы и приобрел датчик протока.
На вид невзрачная железячка. Вот тут про нее уже есть статейка.
http://we.easyelectronics.ru/smarthouse ... otoka.html
Все давольно качественно сделано, правда ни документации ни какой нет и коробка не взрачная.


Вернуться к началу
 Профиль Отправить личное сообщение  
Ответить с цитатой  
Показать сообщения за:  Поле сортировки  
Начать новую тему Ответить на тему  [ Сообщений: 965 ]  На страницу Пред.  1 ... 85, 86, 87, 88, 89, 90, 91 ... 97  След.

Часовой пояс: UTC + 3 часа [ Летнее время ]


Кто сейчас на конференции

Сейчас этот форум просматривают: нет зарегистрированных пользователей и гости: 19


Вы можете начинать темы
Вы можете отвечать на сообщения
Вы не можете редактировать свои сообщения
Вы не можете удалять свои сообщения
Вы не можете добавлять вложения

Найти:
Перейти:  
cron
Powered by phpBB © 2000, 2002, 2005, 2007 phpBB Group
Русская поддержка phpBB