Перейти к блогу GetChip.net - блог        JilTE[1] - в разработке     Модификации устройств - модификации

 
Текущее время: 07 мар 2026, 13:09

Часовой пояс: UTC + 3 часа [ Летнее время ]



Начать новую тему Ответить на тему  [ Сообщений: 666 ]  На страницу Пред.  1 ... 55, 56, 57, 58, 59, 60, 61 ... 67  След.
Автор Сообщение
 Заголовок сообщения: Re: LED подсветка лестницы или коридора в доме
СообщениеДобавлено: 26 июн 2014, 21:41 
Не в сети
Аватара пользователя

Зарегистрирован: 29 май 2011, 17:59
Сообщения: 3769
Откуда: Россия


Вложения:
ATtmega168_Александр ММ _out16.hex [5.41 КБ]
Скачиваний: 1447


Последний раз редактировалось SVN 27 июн 2014, 21:04, всего редактировалось 1 раз.
Вернуться к началу
 Профиль Отправить личное сообщение  
Ответить с цитатой  
 Заголовок сообщения: Re: LED подсветка лестницы или коридора в доме
СообщениеДобавлено: 26 июн 2014, 22:41 
Не в сети
Аватара пользователя

Зарегистрирован: 19 июн 2014, 22:40
Сообщения: 18
Откуда: Гамбург, Германия
SVN писал
но как определять направление по одному датчику… при пересечении датчика В - это вышел входящий или это вошёл человек навстречу? Если пересёк первым датчик В второй входящий, то направление тёмной точки для него, изменится лишь когда его пересечёт выходящий.

Ну и пусть, разницы нет, толи первый вышел первым или же второй первым зашел. Факт-после второго срабатывания изменится направление. В худшем случае второго тень достигнит в конце лестницы. И потом в большенстве случаев это делается для дома, где лестницы не такие уж широкие и редко когда встречаются 2 человека там, обычно второй ждет, пока не пройдет первый, во всяком случае так у меня дома. Поэтому этот алгоритм я применил именно для своего случая.
Может быть еще кто нибудь идеи подкинит, а пока буду делать и устанавливать железо по имеющейся проге, потом можно перезалить.

3. Видить момент срабатывания датчика,

Да, думаю это лишнее

Пока и так всем доволен, спасибо


Вернуться к началу
 Профиль Отправить личное сообщение  
Ответить с цитатой  
 Заголовок сообщения: Re: LED подсветка лестницы или коридора в доме
СообщениеДобавлено: 26 июн 2014, 23:01 
Уважаемый SVN
Залил по новому,теперь горит постоянно светодиод Presence (сработал датчик)и не выключается пока не выключишь датчик света


Вернуться к началу
  
Ответить с цитатой  
 Заголовок сообщения: Re: LED подсветка лестницы или коридора в доме
СообщениеДобавлено: 26 июн 2014, 23:06 
Извиняюсь за не точность
светодиод (срабатывание датчика )горит постоянно,а вот все каналы работают до тех пор,пока не выключишь датчик света(засветить его)


Вернуться к началу
  
Ответить с цитатой  
 Заголовок сообщения: Re: LED подсветка лестницы или коридора в доме
СообщениеДобавлено: 27 июн 2014, 21:05 
Не в сети
Аватара пользователя

Зарегистрирован: 29 май 2011, 17:59
Сообщения: 3769
Откуда: Россия


Вернуться к началу
 Профиль Отправить личное сообщение  
Ответить с цитатой  
 Заголовок сообщения: Re: LED подсветка лестницы или коридора в доме
СообщениеДобавлено: 27 июн 2014, 21:07 
Не в сети
Аватара пользователя

Зарегистрирован: 29 май 2011, 17:59
Сообщения: 3769
Откуда: Россия


Вернуться к началу
 Профиль Отправить личное сообщение  
Ответить с цитатой  
 Заголовок сообщения: Re: LED подсветка лестницы или коридора в доме
СообщениеДобавлено: 28 июн 2014, 12:28 
Уважаемый SVN
Что-то никак не пойму,то ли у меня косяк,то ли в программе.
Светодиод (присутствия)горит постоянно и что интересно,что ни один датчик к схеме не подключён и соответственно каналы работают постоянно и не выключаются.
Пошёл на всякий случай ещё раз тщательно промою плату,может где-то там остатки флюса дают напряжение
С уважением Александр ММ


Вернуться к началу
  
Ответить с цитатой  
 Заголовок сообщения: Re: LED подсветка лестницы или коридора в доме
СообщениеДобавлено: 28 июн 2014, 16:20 
Всё отмыл,блестит как яйца у кота,но всё осталось по прежнему
Теперь и не знаю где искать


Вернуться к началу
  
Ответить с цитатой  
 Заголовок сообщения: Re: LED подсветка лестницы или коридора в доме
СообщениеДобавлено: 28 июн 2014, 18:14 
Не в сети
Аватара пользователя

Зарегистрирован: 29 май 2011, 17:59
Сообщения: 3769
Откуда: Россия


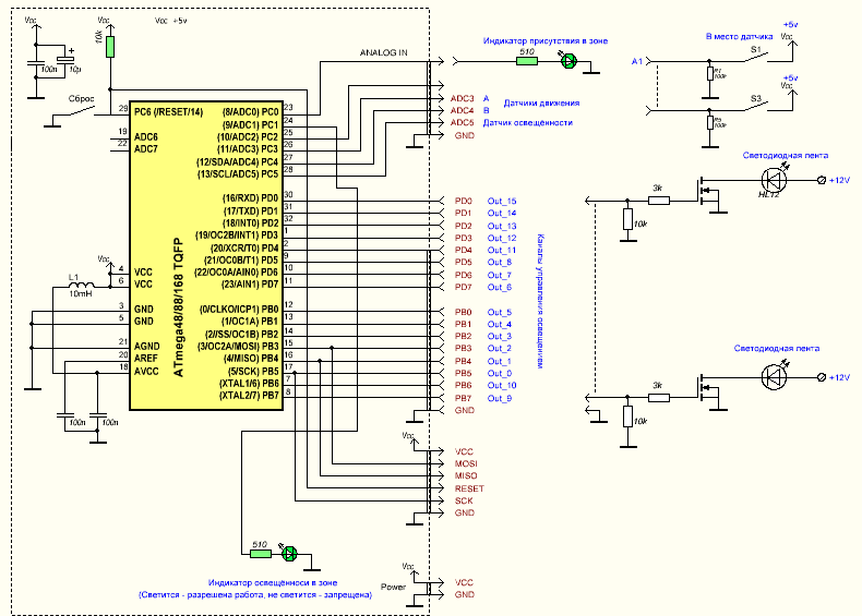
Вложения:
1.png
1.png [ 44.48 КБ | Просмотров: 14216 ]
Вернуться к началу
 Профиль Отправить личное сообщение  
Ответить с цитатой  
 Заголовок сообщения: Re: LED подсветка лестницы или коридора в доме
СообщениеДобавлено: 28 июн 2014, 19:28 
Уважаемый SVN
По пробовал с кнопками,с ними работает а вот с SHARPами никак не хочет работать.Как только подключаю датчики,светодиод(присутствия)загорается и не гаснет(пробовал ждать 5мин)а когда отключаю датчик SHARP,всё отключается ровно через минуту.
Уважаемый SVN может по пробовать уменьшить чувствительность датчиков 0.7мв..
0.4мв может очень чувствительно и хватает какую нибудь бяку
С уважением Александр ММ


Вернуться к началу
  
Ответить с цитатой  
Показать сообщения за:  Поле сортировки  
Начать новую тему Ответить на тему  [ Сообщений: 666 ]  На страницу Пред.  1 ... 55, 56, 57, 58, 59, 60, 61 ... 67  След.

Часовой пояс: UTC + 3 часа [ Летнее время ]


Кто сейчас на конференции

Сейчас этот форум просматривают: нет зарегистрированных пользователей и гости: 4


Вы можете начинать темы
Вы можете отвечать на сообщения
Вы не можете редактировать свои сообщения
Вы не можете удалять свои сообщения
Вы не можете добавлять вложения

Найти:
Перейти:  
cron
Powered by phpBB © 2000, 2002, 2005, 2007 phpBB Group
Русская поддержка phpBB