Перейти к блогу GetChip.net - блог        JilTE[1] - в разработке     Модификации устройств - модификации

 
Текущее время: 14 дек 2025, 04:09

Часовой пояс: UTC + 3 часа [ Летнее время ]



Начать новую тему Ответить на тему  [ Сообщений: 965 ]  На страницу Пред.  1 ... 52, 53, 54, 55, 56, 57, 58 ... 97  След.
Автор Сообщение
 Заголовок сообщения: Re: Разработка устройства управления электрокотлом (Рубин 03
СообщениеДобавлено: 16 янв 2016, 13:51 
Не в сети

Зарегистрирован: 03 ноя 2015, 09:38
Сообщения: 870
День добрый SVN
Все равно какая то ерунда получается. Включаю с мк. Дисплей молчит не показывает ни единого символа.
Вращение регулятора не помогает. Напряжение между 1 и 3 выводом меняется. сейчас около 2 вольт.

подсветка когда должна включиться?

померил напряжения на шине данных идущей на индикатор DB4, DB6,DB7 4.9v DB5 0
на 4 ноге индикатора RS 4.89v, E 0.59
Писчалка по идее должна визжать, так как нет сигнала ни от одного из датчиков молчит

Подскажи что может быть


Вернуться к началу
 Профиль Отправить личное сообщение  
Ответить с цитатой  
 Заголовок сообщения: Re: Разработка устройства управления электрокотлом (Рубин 03
СообщениеДобавлено: 16 янв 2016, 14:16 
Не в сети
Аватара пользователя

Зарегистрирован: 29 май 2011, 17:59
Сообщения: 3769
Откуда: Россия
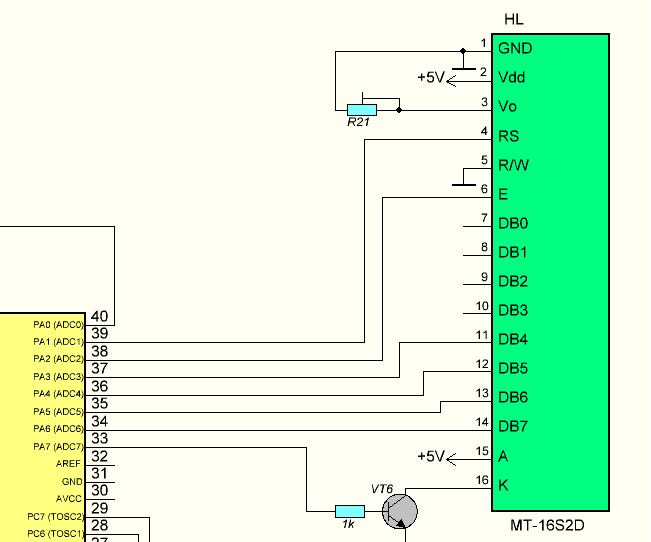
Похоже, не соответствуют выводы подключения ЖКИ. Давай будем разбираться. Выкладывай свою схему устройства. Я её сравню с прошивкой. Может я чего напутал, так как параллельно делал программу по иной схеме.
Судя по прошивке выводы должны быть такими:
1.png
1.png [ 24.24 КБ | Просмотров: 7648 ]

У тебя так сделано или иначе?


Вернуться к началу
 Профиль Отправить личное сообщение  
Ответить с цитатой  
 Заголовок сообщения: Re: Разработка устройства управления электрокотлом (Рубин 03
СообщениеДобавлено: 16 янв 2016, 14:45 
Не в сети

Зарегистрирован: 03 ноя 2015, 09:38
Сообщения: 870
по ходу не запускается нормально внутренний генератор МК.
у меня на плате разведены посадочные гнезда под кварц и конденсаторы пальцем касаешься загорается экран. дальше просто висит это сообщение. Порой отключается
Порой просто подсветка загорается а при втором касании загорается надпись

Сколько по времени должно висеть это сообщение


Вложения:
IMAG2626.jpg
IMAG2626.jpg [ 175.88 КБ | Просмотров: 7647 ]


Последний раз редактировалось styxbbc 16 янв 2016, 14:51, всего редактировалось 2 раз(а).
Вернуться к началу
 Профиль Отправить личное сообщение  
Ответить с цитатой  
 Заголовок сообщения: Re: Разработка устройства управления электрокотлом (Рубин 03
СообщениеДобавлено: 16 янв 2016, 14:47 
Не в сети

Зарегистрирован: 03 ноя 2015, 09:38
Сообщения: 870
делал по твоей схеме все как у тебя.


Вернуться к началу
 Профиль Отправить личное сообщение  
Ответить с цитатой  
 Заголовок сообщения: Re: Разработка устройства управления электрокотлом (Рубин 03
СообщениеДобавлено: 16 янв 2016, 15:41 
Не в сети
Аватара пользователя

Зарегистрирован: 29 май 2011, 17:59
Сообщения: 3769
Откуда: Россия
Убери конденсаторы для кварца. Мы же оговаривали этот момент. Выводы для кварца должны остаться свободными (не к чему не подключены).
Такая надпись будет висеть до окончания опроса датчиков и проверки часов. Не зависимо от их подключения… Вообще она висит где-то 4 секунды, честно уже не помню сколько… нужно смотреть на код. Но если надпись появилась, то можно сказать с уверенностью, что инициализация ЖКИ прошла нормально. В описании должно быть всё описано… посмотри описание.


Вернуться к началу
 Профиль Отправить личное сообщение  
Ответить с цитатой  
 Заголовок сообщения: Re: Разработка устройства управления электрокотлом (Рубин 03
СообщениеДобавлено: 16 янв 2016, 15:43 
Не в сети

Зарегистрирован: 03 ноя 2015, 09:38
Сообщения: 870
МК Atmega 32A PU

Прикасаюсь еще раз начинает писчать и появляется следующая картинка. Касаюсь и звук пропадает картинка остается.

кондеров нет.

По картинке все правильно так и должно быть ни один датчик не подключен.

Я уже и на 30 ногу Avcc подал питание. тоже самое не стартует пока не ткнешь пальцем

Такое ощущение МК чего то не хватает для нормального старта


Вложения:
IMAG2627.jpg
IMAG2627.jpg [ 147.37 КБ | Просмотров: 7637 ]
Вернуться к началу
 Профиль Отправить личное сообщение  
Ответить с цитатой  
 Заголовок сообщения: Re: Разработка устройства управления электрокотлом (Рубин 03
СообщениеДобавлено: 16 янв 2016, 15:52 
Не в сети

Зарегистрирован: 03 ноя 2015, 09:38
Сообщения: 870
Я уже погрешил на 1307 поменял из рабочего устройства местами.
Тут таже самая хрень а в том устройстве все нормально.
Так что микруха жива. Запускал и без нее касаешься появляется надпись.


Вернуться к началу
 Профиль Отправить личное сообщение  
Ответить с цитатой  
 Заголовок сообщения: Re: Разработка устройства управления электрокотлом (Рубин 03
СообщениеДобавлено: 16 янв 2016, 15:57 
Не в сети
Аватара пользователя

Зарегистрирован: 29 май 2011, 17:59
Сообщения: 3769
Откуда: Россия
С картинкой всё верно, так и должно отображаться, после того как прошёл тест устройства. Похоже, у тебя, или какие-то проблемы с печаткой, или с самим МК. Короче, тактирование МК не происходит… а когда ты прикасаешься, он заводится на какое-то время, и опять прекращает тактироваться. Попробуй заменить МК, или ищи проблему в печатке. Можешь на макетке собрать часть схемы и проверить МК. Могу написать тестовую программу для проверки работы как МК так и ЖКИ. Макетная плата такого типа, у тебя есть?
1.png
1.png [ 286.95 КБ | Просмотров: 7634 ]


Вернуться к началу
 Профиль Отправить личное сообщение  
Ответить с цитатой  
 Заголовок сообщения: Re: Разработка устройства управления электрокотлом (Рубин 03
СообщениеДобавлено: 16 янв 2016, 16:01 
Не в сети

Зарегистрирован: 03 ноя 2015, 09:38
Сообщения: 870
нет нету. посмотрю плату еще раз тчательно. ну а макетку тока в понедельник уже

возможно панелька гонит.


Вернуться к началу
 Профиль Отправить личное сообщение  
Ответить с цитатой  
 Заголовок сообщения: Re: Разработка устройства управления электрокотлом (Рубин 03
СообщениеДобавлено: 16 янв 2016, 16:07 
Не в сети
Аватара пользователя

Зарегистрирован: 29 май 2011, 17:59
Сообщения: 3769
Откуда: Россия
Хоть ты и проверял соединения между общей шиной и дорожками, но всё же… возьми нож, или иглу, и пройдись по вытравленным расстояниям, карябая вытравленные места… может перемычка где-то есть.


Вернуться к началу
 Профиль Отправить личное сообщение  
Ответить с цитатой  
Показать сообщения за:  Поле сортировки  
Начать новую тему Ответить на тему  [ Сообщений: 965 ]  На страницу Пред.  1 ... 52, 53, 54, 55, 56, 57, 58 ... 97  След.

Часовой пояс: UTC + 3 часа [ Летнее время ]


Кто сейчас на конференции

Сейчас этот форум просматривают: нет зарегистрированных пользователей и гости: 10


Вы можете начинать темы
Вы можете отвечать на сообщения
Вы не можете редактировать свои сообщения
Вы не можете удалять свои сообщения
Вы не можете добавлять вложения

Найти:
Перейти:  
cron
Powered by phpBB © 2000, 2002, 2005, 2007 phpBB Group
Русская поддержка phpBB