Перейти к блогу GetChip.net - блог        JilTE[1] - в разработке     Модификации устройств - модификации

 
Текущее время: 25 апр 2026, 02:58

Часовой пояс: UTC + 3 часа [ Летнее время ]



Начать новую тему Ответить на тему  [ Сообщений: 232 ]  На страницу Пред.  1 ... 11, 12, 13, 14, 15, 16, 17 ... 24  След.
Автор Сообщение
 Заголовок сообщения: Re: «Охранно-пожарная сигнализация для дома или дачи»
СообщениеДобавлено: 03 авг 2015, 08:03 
Не в сети

Зарегистрирован: 24 мар 2013, 18:53
Сообщения: 129
У меня такие тонкие дорожки 0,3 мм не получаться, как я паять буду незнаю, слепой. уже. А вы решили со сдвиговыми регистрами делать ?


Вернуться к началу
 Профиль Отправить личное сообщение  
Ответить с цитатой  
 Заголовок сообщения: Re: «Охранно-пожарная сигнализация для дома или дачи»
СообщениеДобавлено: 03 авг 2015, 09:03 
Не в сети
Аватара пользователя

Зарегистрирован: 09 сен 2011, 06:43
Сообщения: 294
Всем привет. ну и я вставлю свои пять копеек..
В стандартной схеме расключения пожарных шлейфов ставится оконечный резистор например 4,7кОм и добавочный например 1кОм. но бывают и такие приборы у который по одной паре идут сразу два шлейфа просто ставятся оконечные резисторы разных номиналов. При такой схеме расключения можно будет контролировать и КЗ и обрыв. в охранных шлейфах как правило ставятся только оконечка.


Вернуться к началу
 Профиль Отправить личное сообщение  
Ответить с цитатой  
 Заголовок сообщения: Re: «Охранно-пожарная сигнализация для дома или дачи»
СообщениеДобавлено: 03 авг 2015, 15:40 
Не в сети
Аватара пользователя

Зарегистрирован: 29 май 2011, 17:59
Сообщения: 3769
Откуда: Россия


Вернуться к началу
 Профиль Отправить личное сообщение  
Ответить с цитатой  
 Заголовок сообщения: Re: «Охранно-пожарная сигнализация для дома или дачи»
СообщениеДобавлено: 03 авг 2015, 23:26 
Не в сети
Аватара пользователя

Зарегистрирован: 29 май 2011, 17:59
Сообщения: 3769
Откуда: Россия
Вот думаю испытать такую схему линии датчиков. Есть мысли по этому поводу?
1.png
1.png [ 12.53 КБ | Просмотров: 15547 ]


Или такую…
2.png
2.png [ 14.9 КБ | Просмотров: 15547 ]


Вернуться к началу
 Профиль Отправить личное сообщение  
Ответить с цитатой  
 Заголовок сообщения: Re: «Охранно-пожарная сигнализация для дома или дачи»
СообщениеДобавлено: 04 авг 2015, 16:04 
Не в сети
Аватара пользователя

Зарегистрирован: 29 май 2011, 17:59
Сообщения: 3769
Откуда: Россия
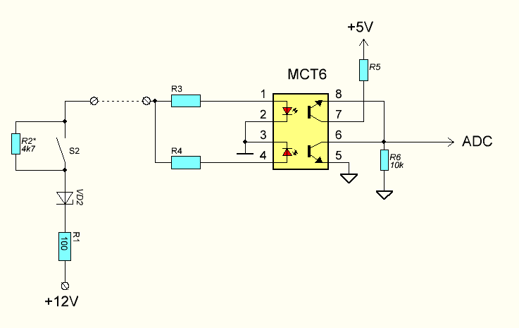
Вот схема контроля линии датчика. Нужно будет протестировать в реальных условиях, с длинным шлейфом. Будет такая возможность?
1.png
1.png [ 16.94 КБ | Просмотров: 15530 ]


Вернуться к началу
 Профиль Отправить личное сообщение  
Ответить с цитатой  
 Заголовок сообщения: Re: «Охранно-пожарная сигнализация для дома или дачи»
СообщениеДобавлено: 04 авг 2015, 17:43 
Не в сети
Аватара пользователя

Зарегистрирован: 09 сен 2011, 06:43
Сообщения: 294
я завтра гляну как там на приборах "Сигнал-20" ... там вроде все идет через микруху 4051... и питание там 35в в линию идет, повышающий собран на mc34063.


Вернуться к началу
 Профиль Отправить личное сообщение  
Ответить с цитатой  
 Заголовок сообщения: Re: «Охранно-пожарная сигнализация для дома или дачи»
СообщениеДобавлено: 04 авг 2015, 18:03 
Не в сети
Аватара пользователя

Зарегистрирован: 29 май 2011, 17:59
Сообщения: 3769
Откуда: Россия
4051, это если я правильно понял – коммутатор (мультиплексор). В данном случае это лишнее. Входов достаточно. Вот если для расширения оных, то тогда имеет смысл. Мне нежна развязка сигнала между МК и датчиком. Мультиплексор не является гальванически развязывающим устройством.


Вернуться к началу
 Профиль Отправить личное сообщение  
Ответить с цитатой  
 Заголовок сообщения: Re: «Охранно-пожарная сигнализация для дома или дачи»
СообщениеДобавлено: 04 авг 2015, 18:24 
Не в сети

Зарегистрирован: 24 мар 2013, 18:53
Сообщения: 129


Вернуться к началу
 Профиль Отправить личное сообщение  
Ответить с цитатой  
 Заголовок сообщения: Re: «Охранно-пожарная сигнализация для дома или дачи»
СообщениеДобавлено: 04 авг 2015, 18:33 
Не в сети
Аватара пользователя

Зарегистрирован: 29 май 2011, 17:59
Сообщения: 3769
Откуда: Россия
Почему в сторону? Нет. Просто хотелось бы выбрать вариант, который будет работать лучше и безопаснее для основного устройства.

Вот недавно была гроза, я все приборы обычно выключаю из розеток, и термометр на кухне тоже обесточил, а вот датчик наружного воздуха выдернуть забыл. В итоге на утро оказалось, что датчик и порт контроллера – мёртвые. Хотя внутренний датчик на рядом расположенном порту, работает как ни в чём не бывало. В итоге пришлось менять МК. Датчик от окна 30 см, длинна провода до термометра 3 метра. Напряжённости в атмосфере достаточно было убить защитные диоды порта МК. Вот после таких моментов, начинаешь серьёзней задумываться над защитой. :-)


Вернуться к началу
 Профиль Отправить личное сообщение  
Ответить с цитатой  
 Заголовок сообщения: Re: «Охранно-пожарная сигнализация для дома или дачи»
СообщениеДобавлено: 05 авг 2015, 12:10 
Не в сети

Зарегистрирован: 01 авг 2015, 01:57
Сообщения: 5
Приветствую всех на форуме.
Свободного времени почти нет.
Редкая возможность участия в теме вряд ли чем нибудь поможет.
Интересная идея по трансформаторно-оптронной развязке шлейфа по ссылке http://www.rlocman.ru/shem/schematics.html?di=55261
Если усовершенствовать схему, можно и запитать и ИК датчик.
Микроконтроллер в датчике так же расширяет возможность схемы, на пример на месте в датчике обрабатывать контакт ввода( или несколько контактов) и дальше передать данные в цифровой форме через оптрон в центральный блок обработки.


Вернуться к началу
 Профиль Отправить личное сообщение  
Ответить с цитатой  
Показать сообщения за:  Поле сортировки  
Начать новую тему Ответить на тему  [ Сообщений: 232 ]  На страницу Пред.  1 ... 11, 12, 13, 14, 15, 16, 17 ... 24  След.

Часовой пояс: UTC + 3 часа [ Летнее время ]


Кто сейчас на конференции

Сейчас этот форум просматривают: нет зарегистрированных пользователей и гости: 6


Вы можете начинать темы
Вы можете отвечать на сообщения
Вы не можете редактировать свои сообщения
Вы не можете удалять свои сообщения
Вы не можете добавлять вложения

Найти:
Перейти:  
cron
Powered by phpBB © 2000, 2002, 2005, 2007 phpBB Group
Русская поддержка phpBB