Перейти к блогу GetChip.net - блог        JilTE[1] - в разработке     Модификации устройств - модификации

 
Текущее время: 21 янв 2026, 04:20

Часовой пояс: UTC + 3 часа [ Летнее время ]



Начать новую тему Ответить на тему  [ Сообщений: 666 ]  На страницу Пред.  1 ... 10, 11, 12, 13, 14, 15, 16 ... 67  След.
Автор Сообщение
 Заголовок сообщения: Re: адаптируйте прошивку под тини
СообщениеДобавлено: 26 фев 2013, 21:32 
Не в сети
Аватара пользователя

Зарегистрирован: 29 май 2011, 17:59
Сообщения: 3769
Откуда: Россия


Вернуться к началу
 Профиль Отправить личное сообщение  
Ответить с цитатой  
 Заголовок сообщения: Re: адаптируйте прошивку под тини
СообщениеДобавлено: 26 фев 2013, 22:46 
Не в сети

Зарегистрирован: 12 фев 2012, 00:44
Сообщения: 221
Откуда: Минск
Пришли мне, плиз, любой набросок, который у тебя работает. Пожет протеус глючный...
Кстити, а какой вариант сейчас тестится ИК барьера, передатчик на 2313, приёмник на 13?
Какое расстояние?


Вернуться к началу
 Профиль Отправить личное сообщение  
Ответить с цитатой  
 Заголовок сообщения: Re: адаптируйте прошивку под тини
СообщениеДобавлено: 27 фев 2013, 00:11 
Не в сети

Зарегистрирован: 08 ноя 2012, 23:06
Сообщения: 300
Спасибо! ;) Все понял. :-) Завтра буду тестить и сразу отпишусь.


Вернуться к началу
 Профиль Отправить личное сообщение  
Ответить с цитатой  
 Заголовок сообщения: Re: адаптируйте прошивку под тини
СообщениеДобавлено: 27 фев 2013, 14:43 
Не в сети

Зарегистрирован: 08 ноя 2012, 23:06
Сообщения: 300
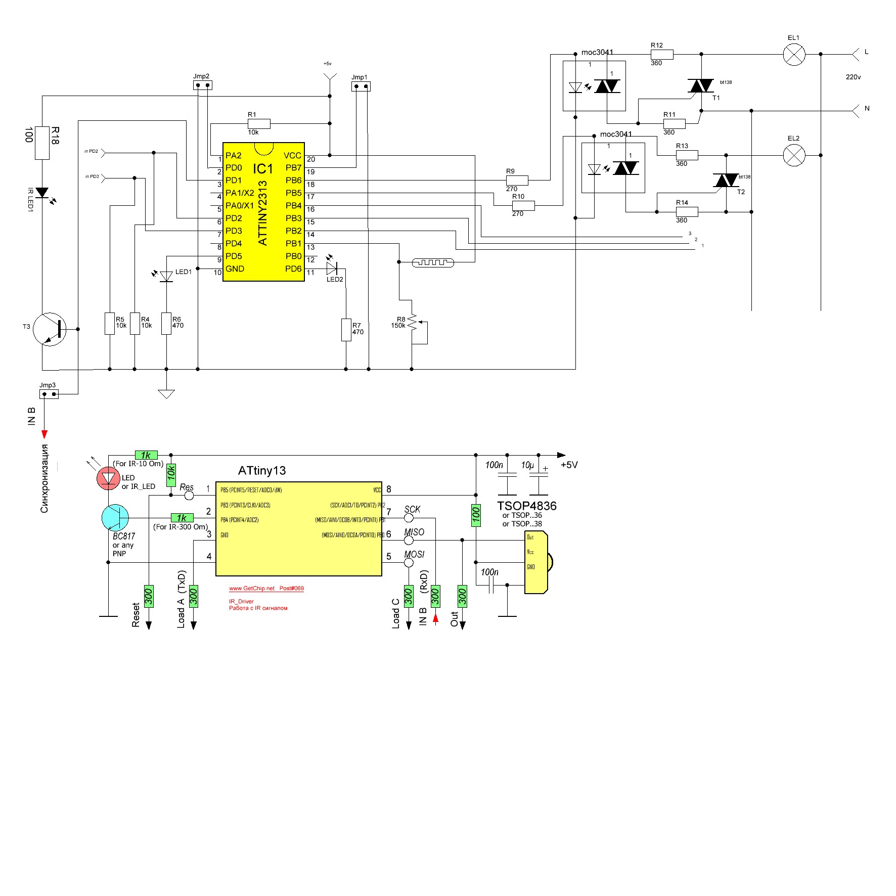
Вобщем попробовал я новую прошивку.Приемник и передатчик поставил рядом(на отражение). Работает через раз :( . То включится,то нет... :( Наверное всетаки надо делать на направленный луч.Подать на одну из ног тини 13 импульс ,напямую с выхода тини2313 PD1 ,для синхронизации и переписать прошивку таким образом,чтоб она не прописывала кнопку в память,а просто сравнивала,вход синхронизачии с входом от TSOP.


Вложения:
схема3.JPG
схема3.JPG [ 225.73 КБ | Просмотров: 11798 ]
Вернуться к началу
 Профиль Отправить личное сообщение  
Ответить с цитатой  
 Заголовок сообщения: Re: адаптируйте прошивку под тини
СообщениеДобавлено: 27 фев 2013, 16:10 
Не в сети
Аватара пользователя

Зарегистрирован: 29 май 2011, 17:59
Сообщения: 3769
Откуда: Россия


Вложения:
mcmega.zip [18.33 КБ]
Скачиваний: 749
Вернуться к началу
 Профиль Отправить личное сообщение  
Ответить с цитатой  
 Заголовок сообщения: Re: адаптируйте прошивку под тини
СообщениеДобавлено: 27 фев 2013, 16:15 
Не в сети
Аватара пользователя

Зарегистрирован: 29 май 2011, 17:59
Сообщения: 3769
Откуда: Россия


Вернуться к началу
 Профиль Отправить личное сообщение  
Ответить с цитатой  
 Заголовок сообщения: Re: адаптируйте прошивку под тини
СообщениеДобавлено: 27 фев 2013, 16:23 
Не в сети

Зарегистрирован: 12 фев 2012, 00:44
Сообщения: 221
Откуда: Минск
Да, действительно работает. А при моём алгоритме никак не работает, если отключить Таймер0, только тогда начинает работать. из-за чего это может быть?


Вернуться к началу
 Профиль Отправить личное сообщение  
Ответить с цитатой  
 Заголовок сообщения: Re: адаптируйте прошивку под тини
СообщениеДобавлено: 27 фев 2013, 16:30 
Не в сети
Аватара пользователя

Зарегистрирован: 29 май 2011, 17:59
Сообщения: 3769
Откуда: Россия
А ты мне свой алгоритм с протеусом сперва пришли, а уже потом вопрос, а то, как бы я, в даль не всматривался, на горизонте не чего не вижу. :D


Вернуться к началу
 Профиль Отправить личное сообщение  
Ответить с цитатой  
 Заголовок сообщения: Re: адаптируйте прошивку под тини
СообщениеДобавлено: 27 фев 2013, 16:43 
Не в сети

Зарегистрирован: 08 ноя 2012, 23:06
Сообщения: 300


Вернуться к началу
 Профиль Отправить личное сообщение  
Ответить с цитатой  
 Заголовок сообщения: Re: адаптируйте прошивку под тини
СообщениеДобавлено: 27 фев 2013, 17:14 
Не в сети
Аватара пользователя

Зарегистрирован: 29 май 2011, 17:59
Сообщения: 3769
Откуда: Россия
Так располагал, передатчик и датчик? Ты не рукой води, а сам походи.


Вложения:
1.png
1.png [ 20.02 КБ | Просмотров: 11796 ]
Вернуться к началу
 Профиль Отправить личное сообщение  
Ответить с цитатой  
Показать сообщения за:  Поле сортировки  
Начать новую тему Ответить на тему  [ Сообщений: 666 ]  На страницу Пред.  1 ... 10, 11, 12, 13, 14, 15, 16 ... 67  След.

Часовой пояс: UTC + 3 часа [ Летнее время ]


Кто сейчас на конференции

Сейчас этот форум просматривают: нет зарегистрированных пользователей и гости: 10


Вы можете начинать темы
Вы можете отвечать на сообщения
Вы не можете редактировать свои сообщения
Вы не можете удалять свои сообщения
Вы не можете добавлять вложения

Найти:
Перейти:  
cron
Powered by phpBB © 2000, 2002, 2005, 2007 phpBB Group
Русская поддержка phpBB