Перейти к блогу GetChip.net - блог        JilTE[1] - в разработке     Модификации устройств - модификации

 
Текущее время: 21 янв 2026, 02:52

Часовой пояс: UTC + 3 часа [ Летнее время ]



Начать новую тему Ответить на тему  [ Сообщений: 232 ]  На страницу Пред.  1, 2, 3, 4, 5 ... 24  След.
Автор Сообщение
 Заголовок сообщения: Re: «Охранно-пожарная сигнализация для дома или дачи»
СообщениеДобавлено: 16 июл 2015, 16:46 
Не в сети

Зарегистрирован: 24 мар 2013, 18:53
Сообщения: 129
Теперь понятно, Молодец ! :OK:


Вернуться к началу
 Профиль Отправить личное сообщение  
Ответить с цитатой  
 Заголовок сообщения: Re: «Охранно-пожарная сигнализация для дома или дачи»
СообщениеДобавлено: 16 июл 2015, 17:42 
Не в сети
Аватара пользователя

Зарегистрирован: 29 май 2011, 17:59
Сообщения: 3769
Откуда: Россия
Сколько максимальное количество входов у GSM?


Вернуться к началу
 Профиль Отправить личное сообщение  
Ответить с цитатой  
 Заголовок сообщения: Re: «Охранно-пожарная сигнализация для дома или дачи»
СообщениеДобавлено: 16 июл 2015, 18:02 
Не в сети

Зарегистрирован: 24 мар 2013, 18:53
Сообщения: 129
У одного GSM модуля два входа, два выхода . Я так понимаю что модуль UART будет распознавать сигнал каждого датчика., например пришел сигнал от датчика затопления модуль UART отключит или включит нужную нагрузку ? если да то может там сигнал и от аккумулятора задействовать


Вернуться к началу
 Профиль Отправить личное сообщение  
Ответить с цитатой  
 Заголовок сообщения: Re: «Охранно-пожарная сигнализация для дома или дачи»
СообщениеДобавлено: 16 июл 2015, 23:39 
Не в сети
Аватара пользователя

Зарегистрирован: 29 май 2011, 17:59
Сообщения: 3769
Откуда: Россия
Устройство соединённое по UART, имеет 14 выходов включения/отключения нагрузок. Нужно определится, чем оно будет рулить. Мой модуль GSM имеет 8 входов и 6 выходов. Два выхода (реле), четыре выхода ТТЛ.


Вернуться к началу
 Профиль Отправить личное сообщение  
Ответить с цитатой  
 Заголовок сообщения: Re: «Охранно-пожарная сигнализация для дома или дачи»
СообщениеДобавлено: 17 июл 2015, 12:39 
Не в сети

Зарегистрирован: 24 мар 2013, 18:53
Сообщения: 129
Сирена на выходе МК или UART подключена ? И как отключать нагрузку? Например. Сигнал от Датчика затопления включит насос,
отключение произойдет по времени, или управлением например Gsm выход ?
,


Вернуться к началу
 Профиль Отправить личное сообщение  
Ответить с цитатой  
 Заголовок сообщения: Re: «Охранно-пожарная сигнализация для дома или дачи»
СообщениеДобавлено: 17 июл 2015, 12:53 
Не в сети
Аватара пользователя

Зарегистрирован: 29 май 2011, 17:59
Сообщения: 3769
Откуда: Россия
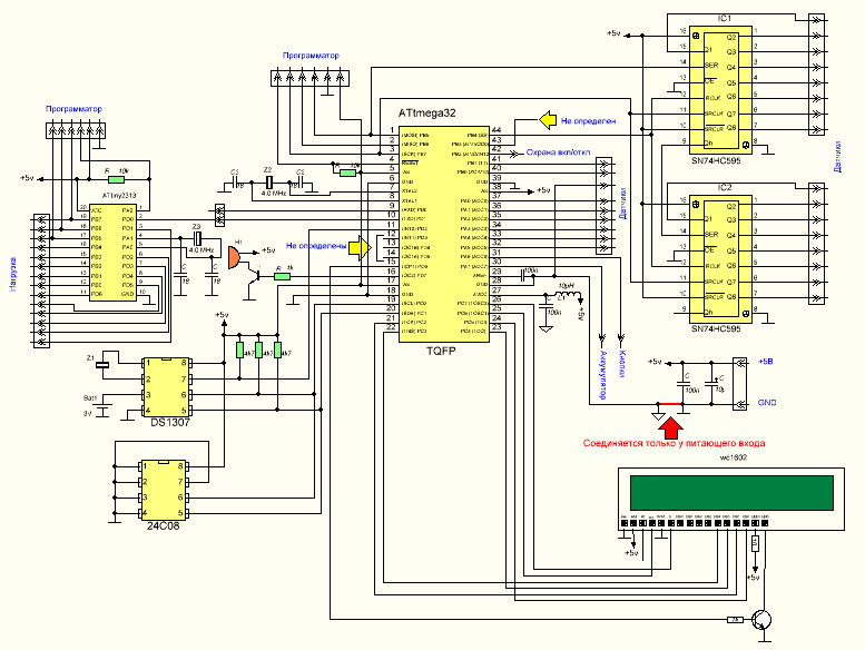
По сути разницы нет, куда будет подключена нагрузка, к дополнительному МК через UART, или к центральному МК. Алгоритм включения/отключения насоса, сирены, или чего либо, нужно обсудить и дополнить ТЗ. Напиши, что думаешь о алгоритмах управления нагрузок…

Я нарисую предварительную схему для наглядности…


Вернуться к началу
 Профиль Отправить личное сообщение  
Ответить с цитатой  
 Заголовок сообщения: Re: «Охранно-пожарная сигнализация для дома или дачи»
СообщениеДобавлено: 17 июл 2015, 15:38 
Не в сети
Аватара пользователя

Зарегистрирован: 29 май 2011, 17:59
Сообщения: 3769
Откуда: Россия
Предварительная схема:
2.png
2.png [ 46.8 КБ | Просмотров: 12897 ]

схема.zip [47.69 КБ]
Скачиваний: 868


Вернуться к началу
 Профиль Отправить личное сообщение  
Ответить с цитатой  
 Заголовок сообщения: Re: «Охранно-пожарная сигнализация для дома или дачи»
СообщениеДобавлено: 17 июл 2015, 22:21 
Не в сети

Зарегистрирован: 24 мар 2013, 18:53
Сообщения: 129
Написал, старался как можно понятливей.


Вложения:
Упрвление.rar [116.97 КБ]
Скачиваний: 843
Вернуться к началу
 Профиль Отправить личное сообщение  
Ответить с цитатой  
 Заголовок сообщения: Re: «Охранно-пожарная сигнализация для дома или дачи»
СообщениеДобавлено: 18 июл 2015, 09:00 
Не в сети

Зарегистрирован: 24 мар 2013, 18:53
Сообщения: 129
Еще немного подправил.


Вернуться к началу
 Профиль Отправить личное сообщение  
Ответить с цитатой  
 Заголовок сообщения: Re: «Охранно-пожарная сигнализация для дома или дачи»
СообщениеДобавлено: 18 июл 2015, 15:17 
Не в сети
Аватара пользователя

Зарегистрирован: 29 май 2011, 17:59
Сообщения: 3769
Откуда: Россия


Вернуться к началу
 Профиль Отправить личное сообщение  
Ответить с цитатой  
Показать сообщения за:  Поле сортировки  
Начать новую тему Ответить на тему  [ Сообщений: 232 ]  На страницу Пред.  1, 2, 3, 4, 5 ... 24  След.

Часовой пояс: UTC + 3 часа [ Летнее время ]


Кто сейчас на конференции

Сейчас этот форум просматривают: нет зарегистрированных пользователей и гости: 14


Вы можете начинать темы
Вы можете отвечать на сообщения
Вы не можете редактировать свои сообщения
Вы не можете удалять свои сообщения
Вы не можете добавлять вложения

Найти:
Перейти:  
cron
Powered by phpBB © 2000, 2002, 2005, 2007 phpBB Group
Русская поддержка phpBB