нет не критично.... это лучше если один и тот же кнопка может включить/выключить....
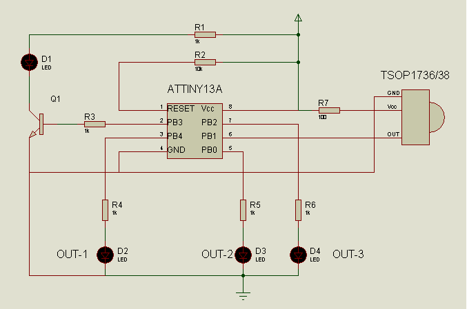
можете сделать 3 прошивки разными режимами работы.
1. пульт управляет одним нагрузкам, для ночника.
2. пульт управляет двум нагрузкам, для прихожей и спальной.
3. пульт управляет трем нагрузкам, для зала.
естественно режим обучения будет прежним 10-15 сек удерживаю любую кнопку и потом нажимаю свободную копку на пульте и этот кнопка будет включит/выключит нагрузку и обучения и программирование завершено.
во втором 10-15 сек удерживаю любую кнопку и потом нажимаю свободную копку на пульте и 1 кнопка будет включит/выключит нагрузку, нажимаю второю свободную кнопку который будет включит/выключит вторую нагрузку и обучения и программирование завершено.
и третьем варианте тоже самое но будет задействовано 3 кнопки.
этот систему хочу установить дома пожилым людям (дедушка и бабушка) и потому нужно что программирование было простым.
если можно при программировании fuse не использовать RSTDISBL а то угробил уже 5 штук.(как можно реанимировать простым способом чтоб не собрать схему для восстановления).
заранее благодарен.
с наилучшими пожеланиями.
с уважением ZUR.
