Я к своему стыду не разобрался как это компилировать.
Скиньте весь проект в сборе. Что-бы ему сказать make и оно собралось.
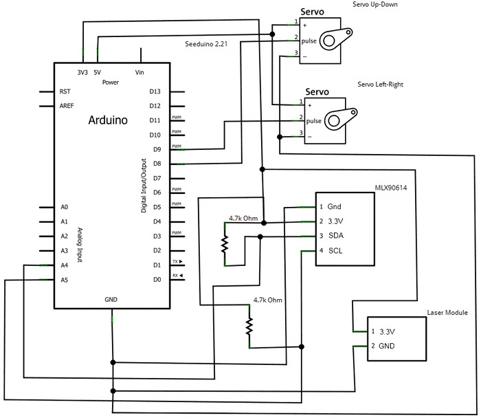
как зовут ваши серводвигатели?
Что-то я не пойму как серводвигатели ваши работают.
Знаю есть серводвигатели с аналоговым управлением. В нутрях ПИД и обратная связь. Подаёшь напряжение. Уровень напряжения определяет позицию. И серва отрабатывает эту позицию.
Бывают цифровые выдаёшь им код позиции и они отрабатывают положениие. В нутрях тот-же ПИД тока цифровой.
Бывают сервы без контроллера. Подаёшь сигнал и снимаешь обратную связь.
У вас как?
Рискну предположить что при половине питания серва стоит в 0 позиции. При +5 поворачивается в одно крайнее положение. При 0 в другое. Правильно? А где тогда если оно аналоговое интегрирующая цепочка на выходе шим?
Если это верно. То имеет смысл тупо инвертировать значение загружаемое в регистр совпадения ШИМ. Как будет проект целиком посмотрю
PS
Как тут всё в AVRDino мудрёно.
