Перейти к блогу GetChip.net - блог        JilTE[1] - в разработке     Модификации устройств - модификации

 
Текущее время: 20 фев 2026, 08:28

Часовой пояс: UTC + 3 часа [ Летнее время ]



Начать новую тему Ответить на тему  [ Сообщений: 158 ]  На страницу Пред.  1, 2, 3, 4, 5 ... 16  След.
Автор Сообщение
 Заголовок сообщения: Re: действие кнопки при ее удержании.
СообщениеДобавлено: 30 ноя 2013, 20:49 
Не в сети
Аватара пользователя

Зарегистрирован: 29 май 2011, 17:59
Сообщения: 3769
Откуда: Россия
Желательно описать словами (подробно, что нужно, какие порты включить-выключить при данном нажатии) алгоритм действий. А то ведь машины у меня нет и что такое АСС, я не в курсе. :D

Кнопка, у тебя подаёт 1 на МК при нажатии, а лучше 0 при нажатии, это защита от помех. :-)


Последний раз редактировалось SVN 30 ноя 2013, 21:10, всего редактировалось 1 раз.

Вернуться к началу
 Профиль Отправить личное сообщение  
Ответить с цитатой  
 Заголовок сообщения: Re: действие кнопки при ее удержании.
СообщениеДобавлено: 30 ноя 2013, 21:01 
Не в сети

Зарегистрирован: 08 ноя 2012, 23:06
Сообщения: 300
Хорошо) Все сделаю. Постараюсь описать доступно :D


Вернуться к началу
 Профиль Отправить личное сообщение  
Ответить с цитатой  
 Заголовок сообщения: Re: действие кнопки при ее удержании.
СообщениеДобавлено: 01 дек 2013, 14:06 
Нет SVN,у меня при нажатии подается 0. Хотя может я где-то и накосячил...


Вернуться к началу
  
Ответить с цитатой  
 Заголовок сообщения: Re: действие кнопки при ее удержании.
СообщениеДобавлено: 01 дек 2013, 14:55 
Не в сети
Аватара пользователя

Зарегистрирован: 29 май 2011, 17:59
Сообщения: 3769
Откуда: Россия
Из алгоритма, я понял, что 1… ;)
Безымянный.png
Безымянный.png [ 2.17 КБ | Просмотров: 12390 ]


Вернуться к началу
 Профиль Отправить личное сообщение  
Ответить с цитатой  
 Заголовок сообщения: Re: действие кнопки при ее удержании.
СообщениеДобавлено: 01 дек 2013, 21:19 
Не в сети

Зарегистрирован: 08 ноя 2012, 23:06
Сообщения: 300


Вложения:
Безымянный.JPG
Безымянный.JPG [ 45.46 КБ | Просмотров: 12381 ]
Вернуться к началу
 Профиль Отправить личное сообщение  
Ответить с цитатой  
 Заголовок сообщения: Re: действие кнопки при ее удержании.
СообщениеДобавлено: 02 дек 2013, 12:59 
Не в сети

Зарегистрирован: 08 ноя 2012, 23:06
Сообщения: 300
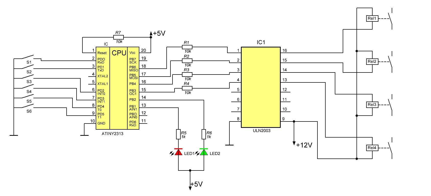
SVN Привет,выкладываю схему и краткое назначение входов-выходов.

схема кнопки.JPG
схема кнопки.JPG [ 107.69 КБ | Просмотров: 12374 ]


Вложения:
Назначение выводов МК для кнопки СТАРТ-СТОП.docx [14.09 КБ]
Скачиваний: 869
Вернуться к началу
 Профиль Отправить личное сообщение  
Ответить с цитатой  
 Заголовок сообщения: Re: действие кнопки при ее удержании.
СообщениеДобавлено: 02 дек 2013, 14:49 
Я в командировке, к инету доступ очень ограничен. Связи практически нет. Буду появляться редко. Файлы забрал, с горем пополам. ))))
SVN


Вернуться к началу
  
Ответить с цитатой  
 Заголовок сообщения: Re: действие кнопки при ее удержании.
СообщениеДобавлено: 02 дек 2013, 18:38 
А чО ТЗ (алгоритм работы), не написал?


Вернуться к началу
  
Ответить с цитатой  
 Заголовок сообщения: Re: действие кнопки при ее удержании.
СообщениеДобавлено: 03 дек 2013, 00:11 
Не в сети

Зарегистрирован: 08 ноя 2012, 23:06
Сообщения: 300
Все понял,ТЗ подготавливаю. На днях выложу. А тебе SVN удачной командировки. ;) :OK:


Вернуться к началу
 Профиль Отправить личное сообщение  
Ответить с цитатой  
 Заголовок сообщения: Re: действие кнопки при ее удержании.
СообщениеДобавлено: 03 дек 2013, 10:00 
Не в сети

Зарегистрирован: 08 ноя 2012, 23:06
Сообщения: 300
SVN , я никак не могу описать понятным текстом алгоритм работы.Вот какой он примерно получается,но это без описания автозапуска ТЗ на кнопку СТАРТ-СТОП.docx [14.36 КБ]
Скачиваний: 870
. Я постараюсь это сделать графическим алгоритмом,если ты не против ,мне кажется так будет понятнее :-) .


Вернуться к началу
 Профиль Отправить личное сообщение  
Ответить с цитатой  
Показать сообщения за:  Поле сортировки  
Начать новую тему Ответить на тему  [ Сообщений: 158 ]  На страницу Пред.  1, 2, 3, 4, 5 ... 16  След.

Часовой пояс: UTC + 3 часа [ Летнее время ]


Кто сейчас на конференции

Сейчас этот форум просматривают: нет зарегистрированных пользователей и гости: 3


Вы можете начинать темы
Вы можете отвечать на сообщения
Вы не можете редактировать свои сообщения
Вы не можете удалять свои сообщения
Вы не можете добавлять вложения

Найти:
Перейти:  
cron
Powered by phpBB © 2000, 2002, 2005, 2007 phpBB Group
Русская поддержка phpBB