|
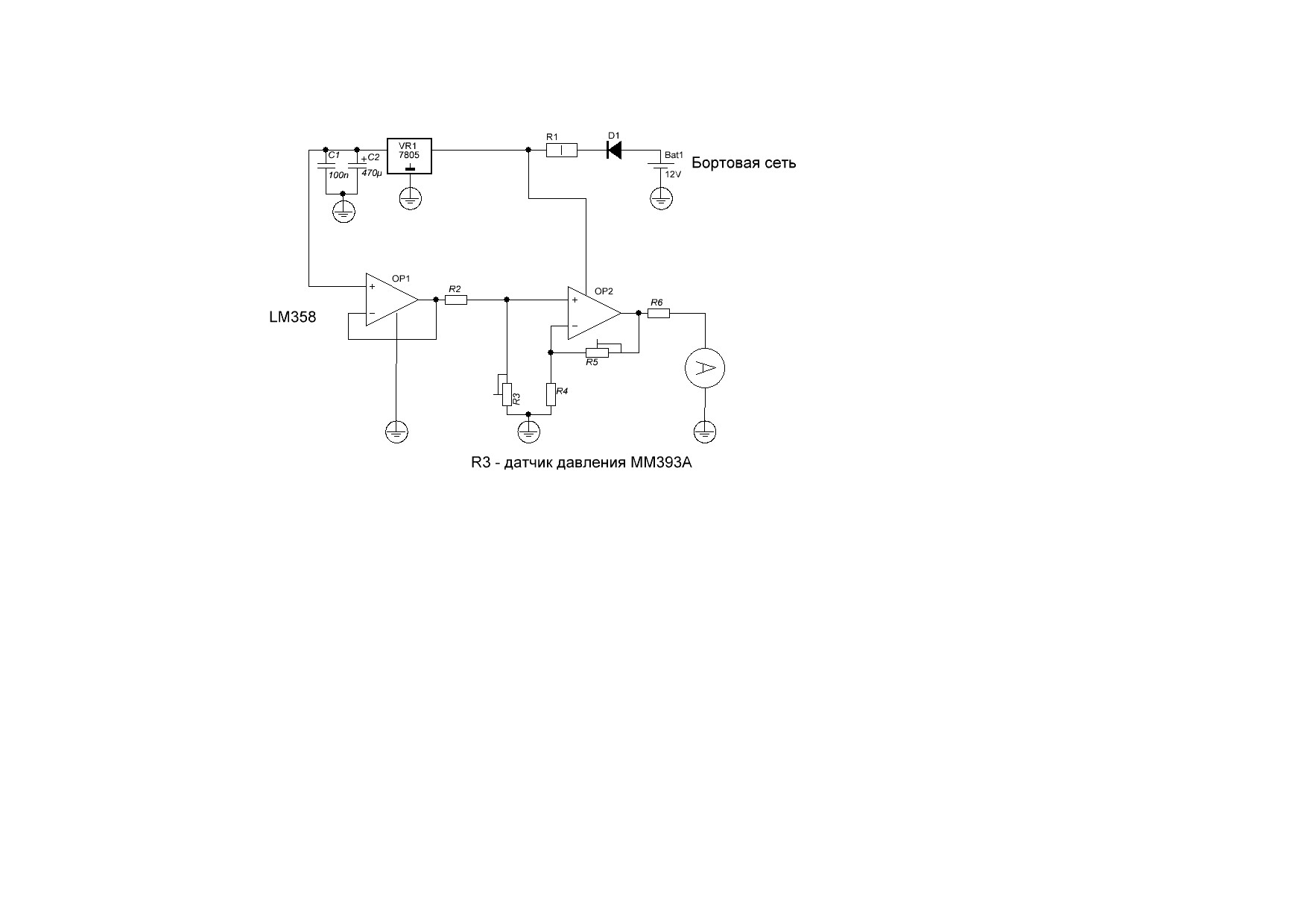
Брат купил на машину чудо китайской мысли - измеритель давления. Начали ставить на машину - при подаче питания стрелка зашкаливает. Видимо он под другой датчик. Инструкция на китайском. Понять не возможно. Знакомого китайца нет. Разобрал,внутри оказалась вот такая схема. Подключил вместо датчика давления магазин сопротивлений - действительно,работает наоборот, при увеличении сопротивления показания увеличиваются. А у ММ393А при 0 кгс/см^2 - 315 Ом, при 8 кгс/см^2 - 10 Ом (беру средние значения). Вопроса собственно два:
1. Как инвертировать сигнал на выходе операционника.
2. Если я правильно понимаю,на выходе операционника ток прямо-пропорционален сопротивлению датчика, а датчик-то нелинеен. Можно ли как-то учесть эту нелинейность.
| Вложения: |

Давление.JPG [ 67.22 КБ | Просмотров: 19527 ]
|
|