Перейти к блогу GetChip.net - блог        JilTE[1] - в разработке     Модификации устройств - модификации

 
Текущее время: 15 мар 2026, 04:36

Часовой пояс: UTC + 3 часа [ Летнее время ]



Начать новую тему Ответить на тему  [ Сообщений: 16 ]  На страницу 1, 2  След.
Автор Сообщение
 Заголовок сообщения: Таймер для поливного насоса
СообщениеДобавлено: 12 июн 2016, 13:52 
Не в сети

Зарегистрирован: 11 июн 2016, 11:31
Сообщения: 4
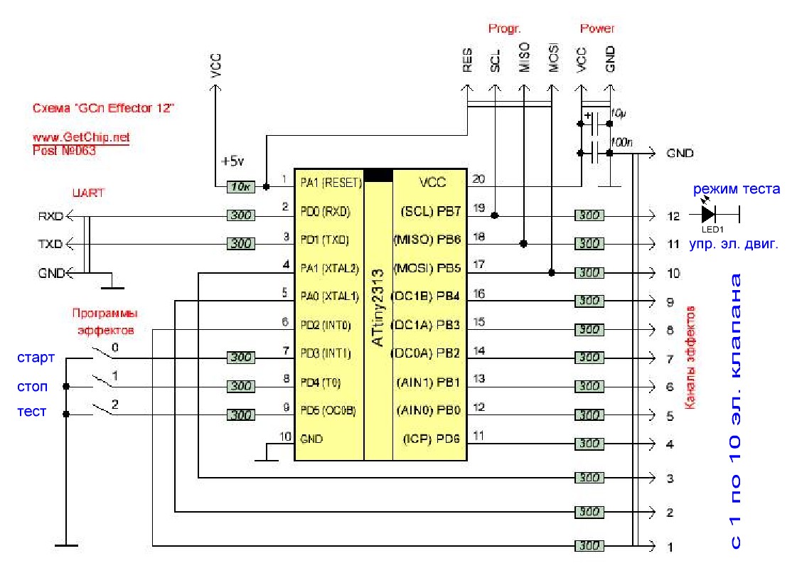
Здравствуйте уважаемые форумчане! Прошу помощи в написании программки для управления поливным насосом. Подобную тему на форуме изучил, но у меня другие проблемы.
Проблема такая, хочу автоматизировать полив своего огорода. Насос поливной один, а участок большой, надо поливать по секторно. Так вот, приобрёл десять эл. клапанов, на каждый клапан нагружу по распылителю, но клапанами надо управлять автоматически, хочу включать эту систему на ночь.
Логика работы такая. Клапана должны включаться по очерёдно, на 20-30 минут, с 1 по 10, как десятый клапан отработает, счёт должен остановиться. Ещё нужен режим "тест", при его включении всё тоже самое, только клапана должны включаться по 2-3 секунды. За время теста я смогу визуально убедиться в исправности клапанов, распылителей и насоса. Схемка пришлась по душе от 12 канального эффектора, но ШИМ и UART не нужен. Синим цветом обозначил назначение выводов.
Может кто поможет с прошивкой, буду благодарен. Надеюсь такой автомат пригодиться не только мне.


Вложения:
проэкт-3.JPG
проэкт-3.JPG [ 158.77 КБ | Просмотров: 24793 ]
Вернуться к началу
 Профиль Отправить личное сообщение  
Ответить с цитатой  
 Заголовок сообщения: Re: Таймер для поливного насоса
СообщениеДобавлено: 12 июн 2016, 14:45 
Не в сети
Администратор
Аватара пользователя

Зарегистрирован: 15 май 2011, 23:00
Сообщения: 1904
А что делает вывод 11?


Вернуться к началу
 Профиль Отправить личное сообщение  
Ответить с цитатой  
 Заголовок сообщения: Re: Таймер для поливного насоса
СообщениеДобавлено: 12 июн 2016, 15:01 
Не в сети
Аватара пользователя

Зарегистрирован: 29 май 2011, 17:59
Сообщения: 3769
Откуда: Россия
Включает насос.


Вернуться к началу
 Профиль Отправить личное сообщение  
Ответить с цитатой  
 Заголовок сообщения: Re: Таймер для поливного насоса
СообщениеДобавлено: 12 июн 2016, 15:04 
Не в сети

Зарегистрирован: 11 июн 2016, 11:31
Сообщения: 4


Вернуться к началу
 Профиль Отправить личное сообщение  
Ответить с цитатой  
 Заголовок сообщения: Re: Таймер для поливного насоса
СообщениеДобавлено: 12 июн 2016, 17:03 
Не в сети
Аватара пользователя

Зарегистрирован: 29 май 2011, 17:59
Сообщения: 3769
Откуда: Россия


Вложения:
Temmer.hex [1.45 КБ]
Скачиваний: 1696


Последний раз редактировалось SVN 19 июн 2016, 11:41, всего редактировалось 2 раз(а).
Вернуться к началу
 Профиль Отправить личное сообщение  
Ответить с цитатой  
 Заголовок сообщения: Re: Таймер для поливного насоса
СообщениеДобавлено: 12 июн 2016, 18:52 
Не в сети

Зарегистрирован: 11 июн 2016, 11:31
Сообщения: 4
Спасибо, добрый человек! :pray: . Спаяю платку, проверю пока на светодиодах и отпишусь.


Вернуться к началу
 Профиль Отправить личное сообщение  
Ответить с цитатой  
 Заголовок сообщения: Re: Таймер для поливного насоса
СообщениеДобавлено: 13 июн 2016, 00:54 
Не в сети
Аватара пользователя

Зарегистрирован: 29 май 2011, 17:59
Сообщения: 3769
Откуда: Россия
Дык отпиши конечно… программка проста как гвоздь, работать будет. Только вот ТЗ не Феншую… в итоге одно баловство.


Вернуться к началу
 Профиль Отправить личное сообщение  
Ответить с цитатой  
 Заголовок сообщения: Re: Таймер для поливного насоса
СообщениеДобавлено: 14 июн 2016, 00:15 
Не в сети

Зарегистрирован: 11 июн 2016, 11:31
Сообщения: 4
Сегодня спаял таймер, работает как часики! Ещё раз огромное спасибо за прошивку! Теперь можно и силовую часть сочинять, да и параллельно кнопке "стоп" думаю подключить датчик дождя.


Вернуться к началу
 Профиль Отправить личное сообщение  
Ответить с цитатой  
 Заголовок сообщения: Re: Таймер для поливного насоса
СообщениеДобавлено: 14 июн 2016, 00:49 
Не в сети
Аватара пользователя

Зарегистрирован: 29 май 2011, 17:59
Сообщения: 3769
Откуда: Россия
Удачи!


Вернуться к началу
 Профиль Отправить личное сообщение  
Ответить с цитатой  
 Заголовок сообщения: Re: Таймер для поливного насоса
СообщениеДобавлено: 19 июн 2016, 05:04 
Не в сети

Зарегистрирован: 02 мар 2016, 06:02
Сообщения: 34


Вернуться к началу
 Профиль Отправить личное сообщение  
Ответить с цитатой  
Показать сообщения за:  Поле сортировки  
Начать новую тему Ответить на тему  [ Сообщений: 16 ]  На страницу 1, 2  След.

Часовой пояс: UTC + 3 часа [ Летнее время ]


Кто сейчас на конференции

Сейчас этот форум просматривают: нет зарегистрированных пользователей и гости: 42


Вы можете начинать темы
Вы можете отвечать на сообщения
Вы не можете редактировать свои сообщения
Вы не можете удалять свои сообщения
Вы не можете добавлять вложения

Найти:
Перейти:  
cron
Powered by phpBB © 2000, 2002, 2005, 2007 phpBB Group
Русская поддержка phpBB