Перейти к блогу GetChip.net - блог        JilTE[1] - в разработке     Модификации устройств - модификации

 
Текущее время: 08 дек 2025, 07:47

Часовой пояс: UTC + 3 часа [ Летнее время ]



Начать новую тему Ответить на тему  [ Сообщений: 59 ]  На страницу Пред.  1, 2, 3, 4, 5, 6
Автор Сообщение
 Заголовок сообщения: Re: 071-Преобразователь IR-сигналов от пультов в UART.
СообщениеДобавлено: 24 авг 2015, 23:03 
Не в сети

Зарегистрирован: 31 дек 2014, 09:44
Сообщения: 42
Дык... А если использовать тот функционал описанный мной выше?
Т.е. устройство запоминает "сырые" ик посылки с пультов и мы уже внешне, через юарт даем команду на воспроизведение этих сохранённых ранее в памяти устройства кодов.
Мы ранее обсуждали алгоритм данного устройства. По своей сути оно является универсальным пультом, но с uart управлением. (Без сенсорных кнопок)
А сателлиты уже есть. Вы их давно изобрели )))


Вернуться к началу
 Профиль Отправить личное сообщение  
Ответить с цитатой  
 Заголовок сообщения: Re: 071-Преобразователь IR-сигналов от пультов в UART.
СообщениеДобавлено: 25 авг 2015, 00:00 
Не в сети
Администратор
Аватара пользователя

Зарегистрирован: 15 май 2011, 23:00
Сообщения: 1904
Если в ЗиЧип появится возможность воспроизводить ИК-команды пультов, то делать с ними в последствии можно что угодно.


Вернуться к началу
 Профиль Отправить личное сообщение  
Ответить с цитатой  
 Заголовок сообщения: Re: 071-Преобразователь IR-сигналов от пультов в UART.
СообщениеДобавлено: 07 сен 2015, 08:55 
Не в сети

Зарегистрирован: 31 дек 2014, 09:44
Сообщения: 42
Скажите пожалуйста, а когда появится такая возможность?


Вернуться к началу
 Профиль Отправить личное сообщение  
Ответить с цитатой  
 Заголовок сообщения: Re: 071-Преобразователь IR-сигналов от пультов в UART.
СообщениеДобавлено: 07 сен 2015, 20:46 
Не в сети
Администратор
Аватара пользователя

Зарегистрирован: 15 май 2011, 23:00
Сообщения: 1904
Пока не могу ничего сказать, так как занимаюсь сейчас другим устройством и после этого хочу еще модифицировать свою гирлянду. Так что не очень скоро.


Вернуться к началу
 Профиль Отправить личное сообщение  
Ответить с цитатой  
 Заголовок сообщения: Re: 071-Преобразователь IR-сигналов от пультов в UART.
СообщениеДобавлено: 16 окт 2015, 09:19 
Не в сети

Зарегистрирован: 31 дек 2014, 09:44
Сообщения: 42


Вернуться к началу
 Профиль Отправить личное сообщение  
Ответить с цитатой  
 Заголовок сообщения: Re: 071-Преобразователь IR-сигналов от пультов в UART.
СообщениеДобавлено: 16 окт 2015, 21:24 
Не в сети
Администратор
Аватара пользователя

Зарегистрирован: 15 май 2011, 23:00
Сообщения: 1904
Частями (в других устройствах) я это устройство понемногу делаю, но не знаю когда я возьмусь за него серьезно.


Вернуться к началу
 Профиль Отправить личное сообщение  
Ответить с цитатой  
 Заголовок сообщения: Re: 071-Преобразователь IR-сигналов от пультов в UART.
СообщениеДобавлено: 31 окт 2015, 20:53 
Не в сети

Зарегистрирован: 31 дек 2014, 09:44
Сообщения: 42


Вложения:
BroadLink_RM2_Smart_Infrared_Learning_and_Transmitter.jpg
BroadLink_RM2_Smart_Infrared_Learning_and_Transmitter.jpg [ 121.25 КБ | Просмотров: 14977 ]
Вернуться к началу
 Профиль Отправить личное сообщение  
Ответить с цитатой  
 Заголовок сообщения: Re: 071-Преобразователь IR-сигналов от пультов в UART.
СообщениеДобавлено: 13 ноя 2015, 20:06 
Не в сети

Зарегистрирован: 31 дек 2014, 09:44
Сообщения: 42
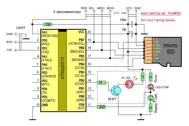
Вот идея:
Как организовать по "простому":

1. Используем программы для превращения IR to WAV, вот тема:
http://www.getchip.net/posts/077-zapis- ... uyu-kartu/
2. Далее сохраняем на карту полученные сигналы в WAV формате, вот тема:
http://www.getchip.net/posts/087-attiny ... ng-device/
3. И вместо динамика ставим ИК светодиод:
А потом запускаем нужный трек (команду) через UART, как описано в статье (пункт 2)
4. Приделываем Bluetooth-модуль HC-04
5. Скачиваем под Андроид программу BlueTooth Serial Controller (В ней прописываем необходимые команды для отправки на блютуз)
6. Делаем множество сателлитов:
http://www.getchip.net/posts/076-upravl ... -attiny13/
или
http://www.getchip.net/posts/099-rasshi ... ttiny2313/

P.S.: С помощью программки и блютуза, а так же устройства 110-Модуль UART_to_PIN – управление нагрузками. (http://www.getchip.net/posts/110-modul- ... agruzkami/) делал машинку =)) Работает...

Будет время постараюсь попробовать задуманное...


Вложения:
087-SDC_Talking_Device.JPG
087-SDC_Talking_Device.JPG [ 77.22 КБ | Просмотров: 14900 ]
Вернуться к началу
 Профиль Отправить личное сообщение  
Ответить с цитатой  
 Заголовок сообщения: Re: 071-Преобразователь IR-сигналов от пультов в UART.
СообщениеДобавлено: 14 ноя 2015, 01:30 
Не в сети
Администратор
Аватара пользователя

Зарегистрирован: 15 май 2011, 23:00
Сообщения: 1904
Размах идеи впечатляет :)


Вернуться к началу
 Профиль Отправить личное сообщение  
Ответить с цитатой  
Показать сообщения за:  Поле сортировки  
Начать новую тему Ответить на тему  [ Сообщений: 59 ]  На страницу Пред.  1, 2, 3, 4, 5, 6

Часовой пояс: UTC + 3 часа [ Летнее время ]


Кто сейчас на конференции

Сейчас этот форум просматривают: нет зарегистрированных пользователей и гости: 11


Вы можете начинать темы
Вы можете отвечать на сообщения
Вы не можете редактировать свои сообщения
Вы не можете удалять свои сообщения
Вы не можете добавлять вложения

Найти:
Перейти:  
cron
Powered by phpBB © 2000, 2002, 2005, 2007 phpBB Group
Русская поддержка phpBB