Перейти к блогу GetChip.net - блог        JilTE[1] - в разработке     Модификации устройств - модификации

 
Текущее время: 15 окт 2025, 10:50

Часовой пояс: UTC + 3 часа [ Летнее время ]



Начать новую тему Ответить на тему  [ Сообщений: 25 ]  На страницу 1, 2, 3  След.
Автор Сообщение
 Заголовок сообщения: Диммер для LED-ленты.
СообщениеДобавлено: 29 сен 2014, 18:36 
Не в сети
Аватара пользователя

Зарегистрирован: 29 май 2011, 17:59
Сообщения: 3769
Откуда: Россия
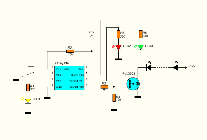
Вот решил поделиться своей очередной конструкцией (может кому пригодится). Цель данного устройства, регулировать яркостью светодиодной ленты, которая освещает клавиатуру на выдвижной столешнице компьютерного стола.
1.png
1.png [ 12.45 КБ | Просмотров: 41542 ]

Устройство сделано на базе ATtiny13 (9,6 МГц). Диммер имеет одну кнопку управления, регулирующий транзистор и три светодиода для индикации. Алгоритм работы простой как гвоздь. При подаче питания, устройство переходит в дежурный режим. Включение и отключение светодиодной ленты производится кратковременным нажатием на кнопку. При первом включении, лента плавно зажигается до максимального уровня. При повторном включении, лента плавно зажигается до сохранённого уровня. Выбор яркости ленты производится длительным удержанием кнопки. При удержании кнопки (более 5 сек), яркость ленты начнёт изменяться до максимального, затем до минимального, и так до бесконечности пока удерживается кнопка. При нужной яркости кнопка отпускается. Данное значение яркости записывается в EEPROM.
Индикация светодиодов: Красный – горит когда устройство находится в дежурном режиме. Зелёный – горит при включении светодиодной ленты. Жёлтый – горит при максимальной яркости светодиодной ленты.

Фьюзы Algorithm Builder:
2.png
2.png [ 19.97 КБ | Просмотров: 41542 ]

Прошивка:
Tiny13_Dimmer.hex [905 байт]
Скачиваний: 2811


Вернуться к началу
 Профиль Отправить личное сообщение  
Ответить с цитатой  
 Заголовок сообщения: Re: Диммер для LED-ленты.
СообщениеДобавлено: 29 сен 2014, 20:57 
Не в сети
Администратор
Аватара пользователя

Зарегистрирован: 15 май 2011, 23:00
Сообщения: 1904
Отличное устройство!
А фотка есть готового девайса?


Вернуться к началу
 Профиль Отправить личное сообщение  
Ответить с цитатой  
 Заголовок сообщения: Re: Диммер для LED-ленты.
СообщениеДобавлено: 29 сен 2014, 21:45 
Не в сети
Аватара пользователя

Зарегистрирован: 29 май 2011, 17:59
Сообщения: 3769
Откуда: Россия


Вложения:
IMG_2243.JPG
IMG_2243.JPG [ 233.57 КБ | Просмотров: 41523 ]
IMG_2239.JPG
IMG_2239.JPG [ 153.75 КБ | Просмотров: 41523 ]
IMG_2237.JPG
IMG_2237.JPG [ 151.27 КБ | Просмотров: 41523 ]
Вернуться к началу
 Профиль Отправить личное сообщение  
Ответить с цитатой  
 Заголовок сообщения: Re: Диммер для LED-ленты.
СообщениеДобавлено: 29 сен 2014, 21:50 
Не в сети
Администратор
Аватара пользователя

Зарегистрирован: 15 май 2011, 23:00
Сообщения: 1904
Отличный корпус - выглядит серьезно! ;)


Вернуться к началу
 Профиль Отправить личное сообщение  
Ответить с цитатой  
 Заголовок сообщения: Re: Диммер для LED-ленты.
СообщениеДобавлено: 29 сен 2014, 22:49 
Не в сети
Аватара пользователя

Зарегистрирован: 29 май 2011, 17:59
Сообщения: 3769
Откуда: Россия


Вернуться к началу
 Профиль Отправить личное сообщение  
Ответить с цитатой  
 Заголовок сообщения: Re: Диммер для LED-ленты.
СообщениеДобавлено: 01 окт 2014, 06:21 


Вернуться к началу
  
Ответить с цитатой  
 Заголовок сообщения: Re: Диммер для LED-ленты.
СообщениеДобавлено: 01 ноя 2014, 17:24 
Не в сети
Аватара пользователя

Зарегистрирован: 29 май 2011, 17:59
Сообщения: 3769
Откуда: Россия
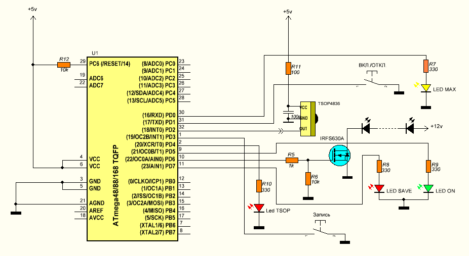
Вот добрался до кухонной подсветки. Готового устройства пока нет, но программа проверена на железе. Работает пока без замечаний. За основу взято выше описанное устройство и дополнено частью программы работы с пультом (новая разработка Евгения: 109 – Модуль Keypad).
Программа перенесена на МК ATmega48PA-AU с тактированием от внутреннего генератора 8 МГц.
Схема устройства:
Dim.png
Dim.png [ 41.84 КБ | Просмотров: 41211 ]


Фьюзы для АВ:
8MHz.png
8MHz.png [ 22.57 КБ | Просмотров: 41211 ]


Алгоритм управления:
При первом включении устройства (до изучения пульта), управление включением и отключением LED – ленты осуществляется от кнопки «ВКЛ./ОТКЛ.» (кратковременное нажатие). При этом лента плавно выходит на полную яркость. Возможность регулирования яркости, предусмотрено только от пульта. Если есть такая необходимость, необходимо изучить пульт. Для этого нужно выключить питание, потом нажать на кнопку «Запись» и не отпуская её подать питание. Как только загорится светодиод «LED_SAVE», отпускаем кнопку. Теперь можно изучать пульт. Устройство изучает две кнопки. ПЕРВАЯ – вкючение/отключение LED – ленты (производит те же действия, что и кнопка «ВКЛ./ОТКЛ.»), ВТОРАЯ – регулировка яркости. После изучения двух кнопок, устройство отключает светодиод «LED_SAVE» и переходит в дежурный режим.
Теперь включать и отключать LED – ленту можно как от стационарной кнопки, так и кнопкой с пульта. Регулировка яркости осуществляется при нажатии и удержании кнопки пульта (регулировка яркости). Яркость ленты при этом будет плавно изменятся от минимальной до максимальной и обратно. При необходимой яркости, отпускаете кнопку и данные значения яркости сохранятся в памяти. Теперь при включении, лента будет разгораться до сохранённого значения. Регулировку яркости, можно производить как при включённой ленте, так и при выключенной.
«LED_ON» - индикатор работы ленты
«LED_MAX» - индикатор максимальной яркости ленты.
Вот пока и всё.
ATmega48P_Dimmer.hex [2.39 КБ]
Скачиваний: 2307


В дальнейшем планируется к устройству прикрутить датчики движения и освещённости.


Вернуться к началу
 Профиль Отправить личное сообщение  
Ответить с цитатой  
 Заголовок сообщения: Re: Диммер для LED-ленты.
СообщениеДобавлено: 08 ноя 2014, 20:01 
Не в сети
Аватара пользователя

Зарегистрирован: 29 май 2011, 17:59
Сообщения: 3769
Откуда: Россия
Супруга зарубила проект по датчикам движения и освещённости… 8-) так что нет смысла продолжать. :-) Оставляю то что есть. Но считаю мегу в данном проекте избыточным… переделал на тиньку. Вот может кому пригодится… Алгоритм без изменений…
ATtiny2313.png
ATtiny2313.png [ 26.58 КБ | Просмотров: 41122 ]

Fuse ATtiny2313 8 MHz.png
Fuse ATtiny2313 8 MHz.png [ 23.47 КБ | Просмотров: 41122 ]

ATtiny2313_Dimmer.hex [2.21 КБ]
Скачиваний: 2325


Вернуться к началу
 Профиль Отправить личное сообщение  
Ответить с цитатой  
 Заголовок сообщения: Re: Диммер для LED-ленты.
СообщениеДобавлено: 23 фев 2015, 01:11 
А можно кнопку "Вкл. откл." заменить сенсором?


Вернуться к началу
  
Ответить с цитатой  
 Заголовок сообщения: Re: Диммер для LED-ленты.
СообщениеДобавлено: 23 фев 2015, 11:49 
Не в сети
Аватара пользователя

Зарегистрирован: 12 янв 2014, 16:16
Сообщения: 82
а не поделитесь исходником прошивки подсветки клавиатуры?


Вернуться к началу
 Профиль Отправить личное сообщение  
Ответить с цитатой  
Показать сообщения за:  Поле сортировки  
Начать новую тему Ответить на тему  [ Сообщений: 25 ]  На страницу 1, 2, 3  След.

Часовой пояс: UTC + 3 часа [ Летнее время ]


Кто сейчас на конференции

Сейчас этот форум просматривают: нет зарегистрированных пользователей и гости: 6


Вы можете начинать темы
Вы можете отвечать на сообщения
Вы не можете редактировать свои сообщения
Вы не можете удалять свои сообщения
Вы не можете добавлять вложения

Найти:
Перейти:  
cron
Powered by phpBB © 2000, 2002, 2005, 2007 phpBB Group
Русская поддержка phpBB