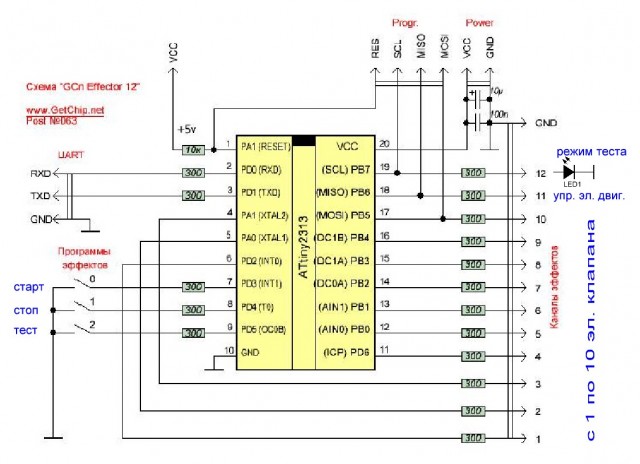
Здравствуйте уважаемые форумчане! Прошу помощи в написании программки для управления поливным насосом. Подобную тему на форуме изучил, но у меня другие проблемы. Проблема такая, хочу автоматизировать полив своего огорода. Насос поливной один, а участок большой, надо поливать по секторно. Так вот, приобрёл десять эл. клапанов, на каждый клапан нагружу по распылителю, но клапанами надо управлять автоматически, хочу включать эту систему на ночь. Логика работы такая. Клапана должны включаться по очерёдно, на 20-30 минут, с 1 по 10, как десятый клапан отработает, счёт должен остановиться. Ещё нужен режим "тест", при его включении всё тоже самое, только клапана должны включаться по 2-3 секунды. За время теста я смогу визуально убедиться в исправности клапанов, распылителей и насоса. Схемка пришлась по душе от 12 канального эффектора, но ШИМ и UART не нужен. Синим цветом обозначил назначение выводов. Может кто поможет с прошивкой, буду благодарен. Надеюсь такой автомат пригодиться не только мне.
| Вложения: |

проэкт-3.JPG [ 158.77 КБ | Просмотров: 22529 ]
|
|