Перейти к блогу GetChip.net - блог        JilTE[1] - в разработке     Модификации устройств - модификации

 
Текущее время: 08 мар 2026, 04:43

Часовой пояс: UTC + 3 часа [ Летнее время ]



Начать новую тему Ответить на тему  [ Сообщений: 522 ]  На страницу Пред.  1 ... 23, 24, 25, 26, 27, 28, 29 ... 53  След.
Автор Сообщение
 Заголовок сообщения: Re: автоматика полива огорода
СообщениеДобавлено: 16 янв 2017, 10:23 
Не в сети
Аватара пользователя

Зарегистрирован: 29 май 2011, 17:59
Сообщения: 3769
Откуда: Россия
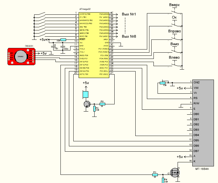
Ещё что касается схемы, то можно при необходимости переназначить порты… единственный момент, выводы выходов должны быть одного порта. Вот примерно так:
1.png
1.png [ 31.1 КБ | Просмотров: 11681 ]


Вернуться к началу
 Профиль Отправить личное сообщение  
Ответить с цитатой  
 Заголовок сообщения: Re: автоматика полива огорода
СообщениеДобавлено: 16 янв 2017, 10:30 
Не в сети

Зарегистрирован: 03 ноя 2015, 09:38
Сообщения: 870
SVN я учту, начну разводить там видно будет хотя рассыпухи минимум в основном одни разъемы.
Спасибо.
Подскажи еще один момент ты себе контроллер утечки разводил как подключал модуль? какой разъем использовал


Вернуться к началу
 Профиль Отправить личное сообщение  
Ответить с цитатой  
 Заголовок сообщения: Re: автоматика полива огорода
СообщениеДобавлено: 16 янв 2017, 10:37 
Не в сети
Аватара пользователя

Зарегистрирован: 29 май 2011, 17:59
Сообщения: 3769
Откуда: Россия
Ты про модуль часов? Если да то стандартный…


Вернуться к началу
 Профиль Отправить личное сообщение  
Ответить с цитатой  
 Заголовок сообщения: Re: автоматика полива огорода
СообщениеДобавлено: 16 янв 2017, 11:07 
Не в сети

Зарегистрирован: 14 мар 2012, 22:49
Сообщения: 91
Поясните, пожалуйста, для чего нужны кнопки, подключенные к 1-8-му выводам контроллера?


Вернуться к началу
 Профиль Отправить личное сообщение  
Ответить с цитатой  
 Заголовок сообщения: Re: автоматика полива огорода
СообщениеДобавлено: 16 янв 2017, 11:12 
Не в сети

Зарегистрирован: 03 ноя 2015, 09:38
Сообщения: 870
День добрый VSA

Эти кнопки или разъем предназначены для управления каналами.
Если замкнут канал не включит исполнительное устройство.
Я планирую следующим шагом состыковать с датчиками влажности почвы.

А в таком виде можно блокировать временно канал.


Вернуться к началу
 Профиль Отправить личное сообщение  
Ответить с цитатой  
 Заголовок сообщения: Re: автоматика полива огорода
СообщениеДобавлено: 16 янв 2017, 11:18 
Не в сети
Аватара пользователя

Зарегистрирован: 29 май 2011, 17:59
Сообщения: 3769
Откуда: Россия


Вернуться к началу
 Профиль Отправить личное сообщение  
Ответить с цитатой  
 Заголовок сообщения: Re: автоматика полива огорода
СообщениеДобавлено: 16 янв 2017, 13:18 
Не в сети

Зарегистрирован: 03 ноя 2015, 09:38
Сообщения: 870
SVN отталкиваясь от первой схемы.
Можно в ней переназначить порты
PA и PB?

PA зделать Контактные группы внешних устройств
PB Зделать индикацию

Во втором варианте схемы который ты выложил появился зуммер.
О чем он будет сигнализировать?


Вернуться к началу
 Профиль Отправить личное сообщение  
Ответить с цитатой  
 Заголовок сообщения: Re: автоматика полива огорода
СообщениеДобавлено: 16 янв 2017, 13:32 
Не в сети
Аватара пользователя

Зарегистрирован: 29 май 2011, 17:59
Сообщения: 3769
Откуда: Россия


Вернуться к началу
 Профиль Отправить личное сообщение  
Ответить с цитатой  
 Заголовок сообщения: Re: автоматика полива огорода
СообщениеДобавлено: 16 янв 2017, 13:36 
Не в сети

Зарегистрирован: 03 ноя 2015, 09:38
Сообщения: 870
смотри у тебя в изначальной схеме порты PB это блокировка каналов.
PA это индикация. Можно их местами поменять?


Вернуться к началу
 Профиль Отправить личное сообщение  
Ответить с цитатой  
 Заголовок сообщения: Re: автоматика полива огорода
СообщениеДобавлено: 16 янв 2017, 13:39 
Не в сети

Зарегистрирован: 03 ноя 2015, 09:38
Сообщения: 870
что касается зуммера.

Пик на включение\отключение нагрузки, сделай если не сложно.

Я датчики воткнул в систему отопления можешь глянуть.


Вернуться к началу
 Профиль Отправить личное сообщение  
Ответить с цитатой  
Показать сообщения за:  Поле сортировки  
Начать новую тему Ответить на тему  [ Сообщений: 522 ]  На страницу Пред.  1 ... 23, 24, 25, 26, 27, 28, 29 ... 53  След.

Часовой пояс: UTC + 3 часа [ Летнее время ]


Кто сейчас на конференции

Сейчас этот форум просматривают: нет зарегистрированных пользователей и гости: 7


Вы можете начинать темы
Вы можете отвечать на сообщения
Вы не можете редактировать свои сообщения
Вы не можете удалять свои сообщения
Вы не можете добавлять вложения

Найти:
Перейти:  
cron
Powered by phpBB © 2000, 2002, 2005, 2007 phpBB Group
Русская поддержка phpBB