Перейти к блогу GetChip.net - блог        JilTE[1] - в разработке     Модификации устройств - модификации

 
Текущее время: 28 янв 2026, 12:38

Часовой пояс: UTC + 3 часа [ Летнее время ]



Начать новую тему Ответить на тему  [ Сообщений: 39 ]  На страницу Пред.  1, 2, 3, 4  След.
Автор Сообщение
 Заголовок сообщения: Re: PIC12F675 для отключения аккумуляторов
СообщениеДобавлено: 28 дек 2014, 20:26 
Не в сети
Аватара пользователя

Зарегистрирован: 29 май 2011, 17:59
Сообщения: 3769
Откуда: Россия


Вернуться к началу
 Профиль Отправить личное сообщение  
Ответить с цитатой  
 Заголовок сообщения: Re: PIC12F675 для отключения аккумуляторов
СообщениеДобавлено: 29 дек 2014, 19:01 
Не в сети
Аватара пользователя

Зарегистрирован: 29 май 2011, 17:59
Сообщения: 3769
Откуда: Россия
Программа практически готова… осталось указать необходимое значение напряжения для переключения каналов и можно тестировать… вначале проверю программу сам на отладочной плате…
Что ещё необходимо добавить в схему… это установить кнопку СБРОС на вывод RESET (РВ5) МК.

Алгоритм такой:
При подаче питания на МК (или после нажатия кнопки СБРОС), через 2 секунды производится замер напряжения на шине питания нагрузки. Так как все транзисторы закрыты, МК получит 0 Вольт. Так как это напряжение меньше порогового, то МК начнёт проверять какой канал необходимо включить. На данном этапе (при старте программы), МК включит первый канал… после включения канала, МК через 10 секунд проверит напряжение шины питания нагрузки. Если напряжение в норме, последующие замеры будут проводиться 1 раз в минуту. Если же напряжение осталось ниже уставки, устройство через каждые 10 секунд будет поочерёдно подключать следующие аккумуляторы, до того момента когда получит нужное напряжение (выше уставки) на шине питания или пока не опробует все аккумуляторы. После попытки подключения всех аккумуляторов и получении напряжения на шине питания ниже уставки, устройство отключает все аккумуляторы и взводит флаг запрета подключения аккумуляторов.
Алгоритм анализа попыток подключения всех аккумуляторов имеет различия при старте и дежурного режима работы. В чём различия? В том, что после старта, попробовав подключить все аккумуляторы, и если напряжение на шине питания не появилось выше уставки, то флаг запрета последующих подключений аккумуляторов взводится сразу после 4_го аккумулятора. В дежурном режиме этот флаг взведётся лишь после предварительной проверки предыдущих 3_х аккумуляторов. Это сделано для того, чтобы можно было на ходу заменить разряженные аккумуляторы. То есть если при работающем 4_м аккумуляторе заменить 1_й на заряженный, то поле разряда 4_го, питание перейдёт на первый и тд.


Последний раз редактировалось SVN 30 дек 2014, 19:29, всего редактировалось 4 раз(а).

Вернуться к началу
 Профиль Отправить личное сообщение  
Ответить с цитатой  
 Заголовок сообщения: Re: PIC12F675 для отключения аккумуляторов
СообщениеДобавлено: 29 дек 2014, 19:50 
Не в сети

Зарегистрирован: 11 июл 2013, 22:36
Сообщения: 127
Былобы не плохо включить в схему светодиоды (например на порты подвесить) для визуализации подключеного аккумулятора.


Вернуться к началу
 Профиль Отправить личное сообщение  
Ответить с цитатой  
 Заголовок сообщения: Re: PIC12F675 для отключения аккумуляторов
СообщениеДобавлено: 29 дек 2014, 20:13 
Не в сети
Аватара пользователя

Зарегистрирован: 29 май 2011, 17:59
Сообщения: 3769
Откуда: Россия


Вернуться к началу
 Профиль Отправить личное сообщение  
Ответить с цитатой  
 Заголовок сообщения: Re: PIC12F675 для отключения аккумуляторов
СообщениеДобавлено: 29 дек 2014, 23:30 
Не в сети
Аватара пользователя

Зарегистрирован: 29 май 2011, 17:59
Сообщения: 3769
Откуда: Россия
@nikola_man

Вот ещё какой момент… это по названию данной темы… так как от пика, мы плавно перешли к AVR, то будет рациональней переименовать данную тему в «Микроконтроллер для отключения аккумуляторов». Дабы не запутывать форумчан. Если Вы согласны с данным предложением, то обратитесь к GetChiper с просьбой о переименовании.


Вернуться к началу
 Профиль Отправить личное сообщение  
Ответить с цитатой  
 Заголовок сообщения: Re: PIC12F675 для отключения аккумуляторов
СообщениеДобавлено: 30 дек 2014, 11:27 
Не в сети

Зарегистрирован: 24 мар 2013, 18:53
Сообщения: 129
Ребята, все сделаю после праздников , извините за задержку , сейчас в отъезде , и с 5 числа в командировку на неделю. Кнопка сброса через резистор 10кОм к общему минусу подтягивается ? не совсем понял когда наступит дежурный режим , что то туго соображаю


Вернуться к началу
 Профиль Отправить личное сообщение  
Ответить с цитатой  
 Заголовок сообщения: Re: PIC12F675 для отключения аккумуляторов
СообщениеДобавлено: 30 дек 2014, 18:10 
Не в сети

Зарегистрирован: 31 авг 2014, 14:08
Сообщения: 35
С наступающим !
Вставлю свои 5 копеек. Вход ацп мк защитите после делителя супрессором или хотя бы стабилитроном. Шоттки тоже не любят превышения напряжения - мощный варистор в цепь нагрузки. Это всё нужно от выбросов при отключениях-подключениях нагрузки если они будут производится руками. Минус конструкции - нет индикации разряженных АКБ.
UPD: Длительное хранение разряженного АКБ приводит к оползанию активной массы и перждевременному выходу его из строя.
P.S. Если нужно - помогу с программой под PIC.


Последний раз редактировалось UnKaiF 30 дек 2014, 19:02, всего редактировалось 1 раз.

Вернуться к началу
 Профиль Отправить личное сообщение  
Ответить с цитатой  
 Заголовок сообщения: Re: PIC12F675 для отключения аккумуляторов
СообщениеДобавлено: 30 дек 2014, 18:23 
Не в сети
Аватара пользователя

Зарегистрирован: 29 май 2011, 17:59
Сообщения: 3769
Откуда: Россия


Вложения:
1.png
1.png [ 10.58 КБ | Просмотров: 13049 ]
Вернуться к началу
 Профиль Отправить личное сообщение  
Ответить с цитатой  
 Заголовок сообщения: Re: PIC12F675 для отключения аккумуляторов
СообщениеДобавлено: 02 янв 2015, 20:53 
Не в сети

Зарегистрирован: 24 мар 2013, 18:53
Сообщения: 129
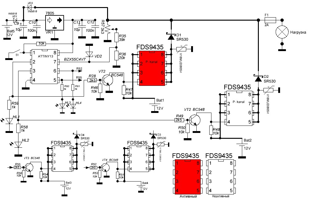
Здравствуйте , замеры сделал.
стабилизатор 5,02 вольт
входное 10,5 вольта делитель 3,4 вольта.
Схему еще подправил, посмотрите пожалуйста.
V18MLE0805H


забыл подстроечник прицепить , с подстроечником на 3кОм выведен примерно в середину на делителе 3.4 вольта


Вложения:
6.JPG
6.JPG [ 123.66 КБ | Просмотров: 13003 ]
Вернуться к началу
 Профиль Отправить личное сообщение  
Ответить с цитатой  
 Заголовок сообщения: Re: PIC12F675 для отключения аккумуляторов
СообщениеДобавлено: 02 янв 2015, 21:48 
Не в сети
Аватара пользователя

Зарегистрирован: 29 май 2011, 17:59
Сообщения: 3769
Откуда: Россия
Как мне показалось… речь о варисторе заключалась в следующем… защитить Шоттки от пробоя обратным напряжением, который может возникнуть при коммутировании нагрузки… тогда варистор нужно ставить перед предохранителем (один). ИМХО: ставить или не ставить варистор зависит от рода нагрузки…
Стабилитрон на входе АЦП, лучше поставить 5,1V или 5,6V, чтобы не влиял на измерительную цепь.


Вернуться к началу
 Профиль Отправить личное сообщение  
Ответить с цитатой  
Показать сообщения за:  Поле сортировки  
Начать новую тему Ответить на тему  [ Сообщений: 39 ]  На страницу Пред.  1, 2, 3, 4  След.

Часовой пояс: UTC + 3 часа [ Летнее время ]


Кто сейчас на конференции

Сейчас этот форум просматривают: нет зарегистрированных пользователей и гости: 3


Вы можете начинать темы
Вы можете отвечать на сообщения
Вы не можете редактировать свои сообщения
Вы не можете удалять свои сообщения
Вы не можете добавлять вложения

Найти:
Перейти:  
cron
Powered by phpBB © 2000, 2002, 2005, 2007 phpBB Group
Русская поддержка phpBB