Перейти к блогу GetChip.net - блог        JilTE[1] - в разработке     Модификации устройств - модификации

 
Текущее время: 31 янв 2026, 19:48

Часовой пояс: UTC + 3 часа [ Летнее время ]



Начать новую тему Ответить на тему  [ Сообщений: 100 ]  На страницу Пред.  1 ... 4, 5, 6, 7, 8, 9, 10  След.
Автор Сообщение
 Заголовок сообщения: Re: Mod#087 трек по длительному удержанию Start
СообщениеДобавлено: 10 июн 2016, 00:23 
Не в сети
Аватара пользователя

Зарегистрирован: 12 май 2016, 22:38
Сообщения: 51


Вернуться к началу
 Профиль Отправить личное сообщение  
Ответить с цитатой  
 Заголовок сообщения: Re: Mod#087 трек по длительному удержанию Start
СообщениеДобавлено: 10 июн 2016, 00:51 
Не в сети
Аватара пользователя

Зарегистрирован: 12 май 2016, 22:38
Сообщения: 51
Меня сейчас посетила мысль, но не знаю согласитесь помочь или нет ,это на ваше усмотрение, вы и так много для меня сделали!
Мысль такова:
Если подправить прошивку которую вы для меня делали "Mod#087" ,не изменяя те функции которые уже имеются в прошивке, сделать так ,что бы при замыкании 8-вывода на землю автоматически играл D-трек без дополнительного нажатия кнопки селект-плай,то есть подключить к данному выводу управляющий сигнал с датчика удара ( он подает минусовой сигнал ) , вот как то так!
По моей задумке устройство обещало быть простым и функциональным, но как то пока не складывается!
Хотя уже приобрела функцию подключения двухзоного датчика удара :OK:


Вернуться к началу
 Профиль Отправить личное сообщение  
Ответить с цитатой  
 Заголовок сообщения: Re: Mod#087 трек по длительному удержанию Start
СообщениеДобавлено: 10 июн 2016, 21:31 
Не в сети
Администратор
Аватара пользователя

Зарегистрирован: 15 май 2011, 23:00
Сообщения: 1904
Скинь мне в личку общее ТЗ на то что нужно в идеале и с нуля. Я посмотрю может сделать все с нуля так как нужно а не подлампичивать уже готовое устройство.


Вернуться к началу
 Профиль Отправить личное сообщение  
Ответить с цитатой  
 Заголовок сообщения: Re: Mod#087 трек по длительному удержанию Start
СообщениеДобавлено: 11 июн 2016, 13:16 
Не в сети
Аватара пользователя

Зарегистрирован: 12 май 2016, 22:38
Сообщения: 51
скинул в личку


Вернуться к началу
 Профиль Отправить личное сообщение  
Ответить с цитатой  
 Заголовок сообщения: Re: Mod#087 трек по длительному удержанию Start
СообщениеДобавлено: 12 июн 2016, 17:22 
Не в сети
Аватара пользователя

Зарегистрирован: 12 май 2016, 22:38
Сообщения: 51


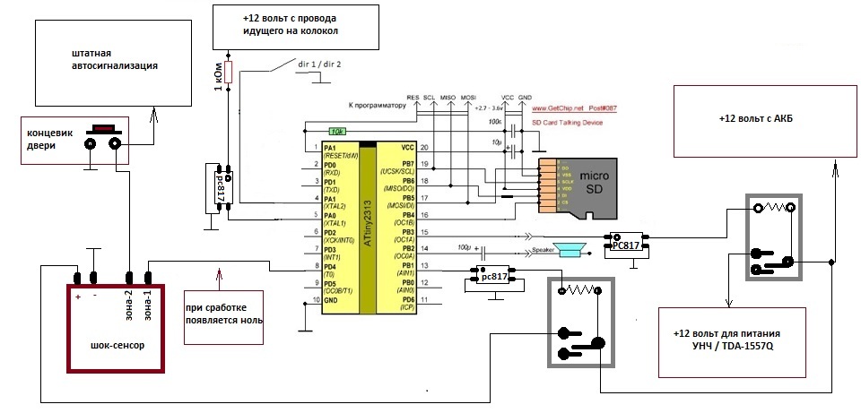
Вложения:
говорилка.jpg
говорилка.jpg [ 89.72 КБ | Просмотров: 16404 ]
Вернуться к началу
 Профиль Отправить личное сообщение  
Ответить с цитатой  
 Заголовок сообщения: Re: Mod#087 трек по длительному удержанию Start
СообщениеДобавлено: 12 июн 2016, 19:13 
Не в сети
Аватара пользователя

Зарегистрирован: 12 май 2016, 22:38
Сообщения: 51
вот попробовал нарисовать в програмке, мне понравилось,хорошая программка :OK: !


Вложения:
ab_project_scheme #087.spl7 [41.89 КБ]
Скачиваний: 1010
Вернуться к началу
 Профиль Отправить личное сообщение  
Ответить с цитатой  
 Заголовок сообщения: Re: Mod#087 трек по длительному удержанию Start
СообщениеДобавлено: 07 июл 2016, 22:25 
Не в сети
Администратор
Аватара пользователя

Зарегистрирован: 15 май 2011, 23:00
Сообщения: 1904
Добавил вот это
"
То есть , что бы при нажатии обоих кнопок кнопок одновременно ( "Select / Play" + "Select/track" ) кнопка "Select / Play" игнорировалась пока не проиграет трек "D".
"


Вложения:
SDC_Talking_Mod_Long_Key3.zip [42.04 КБ]
Скачиваний: 924
Вернуться к началу
 Профиль Отправить личное сообщение  
Ответить с цитатой  
 Заголовок сообщения: Re: Mod#087 трек по длительному удержанию Start
СообщениеДобавлено: 09 июл 2016, 00:59 
Не в сети
Аватара пользователя

Зарегистрирован: 12 май 2016, 22:38
Сообщения: 51


Вернуться к началу
 Профиль Отправить личное сообщение  
Ответить с цитатой  
 Заголовок сообщения: Re: Mod#087 трек по длительному удержанию Start
СообщениеДобавлено: 09 июл 2016, 23:36 
Не в сети
Администратор
Аватара пользователя

Зарегистрирован: 15 май 2011, 23:00
Сообщения: 1904
Попробуй Select track нажать (и удерживать) первым перед Select / Play


Вернуться к началу
 Профиль Отправить личное сообщение  
Ответить с цитатой  
 Заголовок сообщения: Re: Mod#087 трек по длительному удержанию Start
СообщениеДобавлено: 09 июл 2016, 23:43 
Не в сети
Аватара пользователя

Зарегистрирован: 12 май 2016, 22:38
Сообщения: 51
сейчас попробую, но мне по сути не нужно чтобы ее удерживать, нужно кратковременное нажатие кнопки селект - трек.


Вернуться к началу
 Профиль Отправить личное сообщение  
Ответить с цитатой  
Показать сообщения за:  Поле сортировки  
Начать новую тему Ответить на тему  [ Сообщений: 100 ]  На страницу Пред.  1 ... 4, 5, 6, 7, 8, 9, 10  След.

Часовой пояс: UTC + 3 часа [ Летнее время ]


Кто сейчас на конференции

Сейчас этот форум просматривают: нет зарегистрированных пользователей и гости: 2


Вы можете начинать темы
Вы можете отвечать на сообщения
Вы не можете редактировать свои сообщения
Вы не можете удалять свои сообщения
Вы не можете добавлять вложения

Найти:
Перейти:  
cron
Powered by phpBB © 2000, 2002, 2005, 2007 phpBB Group
Русская поддержка phpBB