Перейти к блогу GetChip.net - блог        JilTE[1] - в разработке     Модификации устройств - модификации

 
Текущее время: 02 май 2026, 19:30

Часовой пояс: UTC + 3 часа [ Летнее время ]



Начать новую тему Ответить на тему  [ Сообщений: 404 ]  На страницу Пред.  1 ... 31, 32, 33, 34, 35, 36, 37 ... 41  След.
Автор Сообщение
 Заголовок сообщения: Re: Mod#076 (держишь кнопку -"1", отпустил -"0")
СообщениеДобавлено: 01 авг 2016, 01:04 
Не в сети
Аватара пользователя

Зарегистрирован: 29 май 2011, 17:59
Сообщения: 3769
Откуда: Россия


Вернуться к началу
 Профиль Отправить личное сообщение  
Ответить с цитатой  
 Заголовок сообщения: Re: Mod#076 (держишь кнопку -"1", отпустил -"0")
СообщениеДобавлено: 02 авг 2016, 23:03 
Не в сети

Зарегистрирован: 29 июл 2016, 21:51
Сообщения: 4
Концевики - это как "защита от детей" , прощелкал лицом - стоп двигатель в любом крайнем положении. Спасибо за разъяснения ,как соберу девайс обязательно отпишусь.


Вернуться к началу
 Профиль Отправить личное сообщение  
Ответить с цитатой  
 Заголовок сообщения: Re: Mod#076 (держишь кнопку -"1", отпустил -"0")
СообщениеДобавлено: 23 авг 2016, 02:16 
Не в сети

Зарегистрирован: 19 ноя 2015, 03:23
Сообщения: 151
Уважаемый SVN
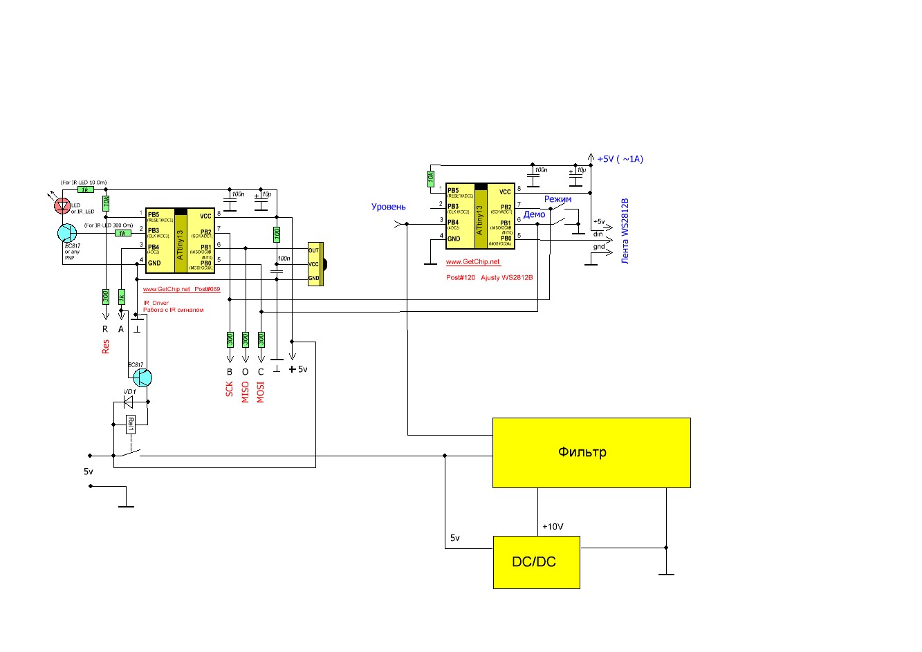
Наконец-то дошли руки определиться со схемой для индикатора уровня, и собрать устройство полностью. Но столкнулся с проблемой дистанционного управления. Если вкратце то устройство не включается. Для включения устройства я применил классическую схему с реле, то-есть выход МК - Канал А через резистор 1к на базу BC547, эмиттер на массу, коллектор на реле.
При активации канала А, мк пытается выдать 1, но тут же обваливается в 0. Каналы В и С подтягивают 0 без проблем. В дальнейшем МК зависает и не реагирует на пульт.
Если у Вас будет пару минут, может поможете разобраться в таком поведении мк.

Мод. тот, что Вы для меня подправили на 33 стр.


Вложения:
IR-rele-plata.JPG
IR-rele-plata.JPG [ 484.23 КБ | Просмотров: 18553 ]
IR-rele.JPG
IR-rele.JPG [ 89.56 КБ | Просмотров: 18553 ]
Вернуться к началу
 Профиль Отправить личное сообщение  
Ответить с цитатой  
 Заголовок сообщения: Re: Mod#076 (держишь кнопку -"1", отпустил -"0")
СообщениеДобавлено: 23 авг 2016, 18:12 
Не в сети
Аватара пользователя

Зарегистрирован: 29 май 2011, 17:59
Сообщения: 3769
Откуда: Россия


Вложения:
1.png
1.png [ 166.92 КБ | Просмотров: 18549 ]
Вернуться к началу
 Профиль Отправить личное сообщение  
Ответить с цитатой  
 Заголовок сообщения: Re: Mod#076 (держишь кнопку -"1", отпустил -"0")
СообщениеДобавлено: 23 авг 2016, 19:49 
Не в сети

Зарегистрирован: 19 ноя 2015, 03:23
Сообщения: 151
Прошивку проверял тогда ещё, когда была написана. Проверял на макетке с светодиодами, мк в дип корпусе была. По началу не обратил внимания, что мк и фьюзы другие выставлены, соответственно не заработало. Потом перепрошил и прошивка на светиках отрабатывала как положено, о чём я тогда и написал.
Теперь дошли руки собрать всё на плате и такая вот засада. С питанием на плате всё правильно. +5`v надо было как On/Off обозначить, но места мало.
Попробовал вместо транзистора подкинуть лед - загорается. Но после нескольких вкл/выкл всё ровно виснет. Может плату плохо развёл и что-то фонит или смд мк такие чувствительные? Если к массе пинцетом касаться то срабатывает канал А.
Пойду я наверное на макетке опять в дип корпусе соберу, но уже с транзистором и реле.
А фьюзы я так понимаю заводские оставлять? То-есть "спин" и скорость гены 9.6мГц +0мс. Я пользуюсь AVRStudio 4, фьюзы должны быть инверсны к АВ.
В оригинальной программе есть функция записи в еепром. А в этой этом моде есть эта функция? Я этот фьюз не выстовлял.

Да, выход С должен быть в тригерном режиме.


Последний раз редактировалось viktor001 23 авг 2016, 20:06, всего редактировалось 1 раз.

Вернуться к началу
 Профиль Отправить личное сообщение  
Ответить с цитатой  
 Заголовок сообщения: Re: Mod#076 (держишь кнопку -"1", отпустил -"0")
СообщениеДобавлено: 23 авг 2016, 19:58 
Не в сети
Аватара пользователя

Зарегистрирован: 29 май 2011, 17:59
Сообщения: 3769
Откуда: Россия
На предыдущей стр. прошивку поправил (канал «С» триггер). Проверил – рабочая на 100%

Фьюзы не заводские, а на 9,6 МГц.
Вот так:
1.png
1.png [ 21.18 КБ | Просмотров: 18547 ]



Про как выставить фьюзы у тебя… не знаю эту прогу. Выяснить можно просто: считай заводские фьюзы и посмотри как установлено для SPIEN, таким образом и определишь как выставлять согласно картинки АВ. В АВ галка устанавливается для неактивного бита.


Вернуться к началу
 Профиль Отправить личное сообщение  
Ответить с цитатой  
 Заголовок сообщения: Re: Mod#076 (держишь кнопку -"1", отпустил -"0")
СообщениеДобавлено: 23 авг 2016, 20:14 
Не в сети

Зарегистрирован: 19 ноя 2015, 03:23
Сообщения: 151
У меня спин и 9.6 мГц выставляютя автоматически. Поэтому и считал, что это заводские установки :smile:
Хорошо, спасибо за прошивку. Пойду макетку соберу и потом отпишусь.


Вернуться к началу
 Профиль Отправить личное сообщение  
Ответить с цитатой  
 Заголовок сообщения: Re: Mod#076 (держишь кнопку -"1", отпустил -"0")
СообщениеДобавлено: 23 авг 2016, 20:23 
Не в сети
Аватара пользователя

Зарегистрирован: 29 май 2011, 17:59
Сообщения: 3769
Откуда: Россия
Проверь конечно, но она точно рабочая – я проверил. :-)


Вернуться к началу
 Профиль Отправить личное сообщение  
Ответить с цитатой  
 Заголовок сообщения: Re: Mod#076 (держишь кнопку -"1", отпустил -"0")
СообщениеДобавлено: 23 авг 2016, 23:26 
Не в сети

Зарегистрирован: 19 ноя 2015, 03:23
Сообщения: 151
В прошивке я и не сомневался. Это я что то напартачил, но что именно я пока ещё не понял. На макетке всё отлично работает. И новая и старая прошивки.


Вернуться к началу
 Профиль Отправить личное сообщение  
Ответить с цитатой  
 Заголовок сообщения: Re: Mod#076 (держишь кнопку -"1", отпустил -"0")
СообщениеДобавлено: 27 авг 2016, 00:59 
Не в сети

Зарегистрирован: 19 ноя 2015, 03:23
Сообщения: 151
Собрал на макетке весь модуль питания и получил тот же эффект - не включается. Точнее пытается, но МК тут же сбрасывает канал А с "1" на "0". Похоже такое поведение МК происходит из-за преобразователя напряжения. Переподсоеденил управление преобразователя по минусу через транзистор (параллельно релюшке) стало включаться, но при выключении МК дёргает выхода "В" и "С", что возможно чревато в дальнейшем отказом мк (на плате он тупо зависает). Надо теперь думать как развести питание, что бы преобразователь не влиял на работу контролёров. Может сталкивались уже с подобным? Был бы признателен за подсказку.


Вернуться к началу
 Профиль Отправить личное сообщение  
Ответить с цитатой  
Показать сообщения за:  Поле сортировки  
Начать новую тему Ответить на тему  [ Сообщений: 404 ]  На страницу Пред.  1 ... 31, 32, 33, 34, 35, 36, 37 ... 41  След.

Часовой пояс: UTC + 3 часа [ Летнее время ]


Кто сейчас на конференции

Сейчас этот форум просматривают: нет зарегистрированных пользователей и гости: 10


Вы можете начинать темы
Вы можете отвечать на сообщения
Вы не можете редактировать свои сообщения
Вы не можете удалять свои сообщения
Вы не можете добавлять вложения

Найти:
Перейти:  
cron
Powered by phpBB © 2000, 2002, 2005, 2007 phpBB Group
Русская поддержка phpBB