Куда уж проще то

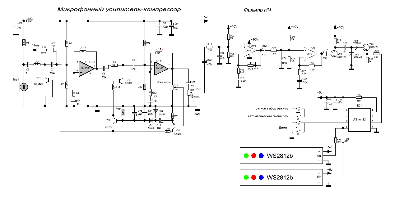
Можно конечно упростить микрофонный компрессор - выкинув два транзистора, но лучше оставить так как есть. Ну, или применить специализированную микросхему к примеру ВА3308. Позже выложу плату, только доведу её до состояния понятное не только одному мне, и будет совсем просто собрать схему. Схема изначально была в двое больше. Пробовал я и с полосовыми фильтрами, и с фильтром четвёртого порядка, и с логарифмическим усилителем. В итоге всё из схемы повыкидывал, но использование логарифмического усилителя всё ещё рассматриваю - придаёт особую изюминку в подвижности.
Режим демо работает. По-моему это самая стабильная версия. Единственное, что хочу отметить, это то, что в режиме автосмены бывает зацикливается на трёх-четырёх эффектах.
Эту версию я выкладывал на третьей странице этого топика. "Adjusty_WS2812B_source_auto_effectprobe006.rar"
Кстати, что бы первые пиксели не светились в паузе между треками, на вход МК надо повесить резистор на 100к относительно массы. Я когда рисовал схему упустил этот момент.