Перейти к блогу GetChip.net - блог        JilTE[1] - в разработке     Модификации устройств - модификации

 
Текущее время: 28 янв 2026, 08:01

Часовой пояс: UTC + 3 часа [ Летнее время ]



Ответить
Имя пользователя:
Заголовок:
Текст сообщения:
Введите текст вашего сообщения. Длина сообщения в символах не более: 60000

Размер шрифта:
Цвет шрифта
Настройки:
BBCode ВКЛЮЧЁН
[img] ВКЛЮЧЁН
[flash] ВЫКЛЮЧЕН
[url] ВКЛЮЧЁН
Смайлики ВЫКЛЮЧЕНЫ
Отключить в этом сообщении BBCode
Не преобразовывать адреса URL в ссылки
Анти-спам
Анти-спам:
Выполните задание
   

Обзор темы - 071-Преобразователь IR-сигналов от пультов в UART.
Автор Сообщение
  Заголовок сообщения:  Re: 071-Преобразователь IR-сигналов от пультов в UART.  
Цитата
Размах идеи впечатляет :)
Сообщение Добавлено: 14 ноя 2015, 01:30
  Заголовок сообщения:  Re: 071-Преобразователь IR-сигналов от пультов в UART.  
Цитата
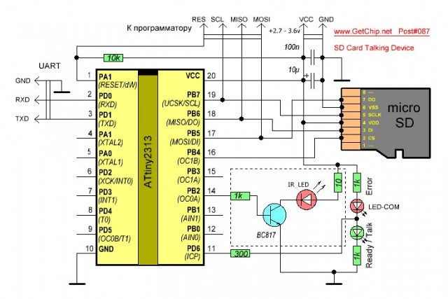
Вот идея:
Как организовать по "простому":

1. Используем программы для превращения IR to WAV, вот тема:
http://www.getchip.net/posts/077-zapis- ... uyu-kartu/
2. Далее сохраняем на карту полученные сигналы в WAV формате, вот тема:
http://www.getchip.net/posts/087-attiny ... ng-device/
3. И вместо динамика ставим ИК светодиод:
А потом запускаем нужный трек (команду) через UART, как описано в статье (пункт 2)
4. Приделываем Bluetooth-модуль HC-04
5. Скачиваем под Андроид программу BlueTooth Serial Controller (В ней прописываем необходимые команды для отправки на блютуз)
6. Делаем множество сателлитов:
http://www.getchip.net/posts/076-upravl ... -attiny13/
или
http://www.getchip.net/posts/099-rasshi ... ttiny2313/

P.S.: С помощью программки и блютуза, а так же устройства 110-Модуль UART_to_PIN – управление нагрузками. (http://www.getchip.net/posts/110-modul- ... agruzkami/) делал машинку =)) Работает...

Будет время постараюсь попробовать задуманное...


Вложения:
087-SDC_Talking_Device.JPG
087-SDC_Talking_Device.JPG [ 77.22 КБ | Просмотров: 16338 ]
Сообщение Добавлено: 13 ноя 2015, 20:06
  Заголовок сообщения:  Re: 071-Преобразователь IR-сигналов от пультов в UART.  
Цитата


Вложения:
BroadLink_RM2_Smart_Infrared_Learning_and_Transmitter.jpg
BroadLink_RM2_Smart_Infrared_Learning_and_Transmitter.jpg [ 121.25 КБ | Просмотров: 16415 ]
Сообщение Добавлено: 31 окт 2015, 20:53
  Заголовок сообщения:  Re: 071-Преобразователь IR-сигналов от пультов в UART.  
Цитата
Частями (в других устройствах) я это устройство понемногу делаю, но не знаю когда я возьмусь за него серьезно.
Сообщение Добавлено: 16 окт 2015, 21:24
  Заголовок сообщения:  Re: 071-Преобразователь IR-сигналов от пультов в UART.  
Цитата
Сообщение Добавлено: 16 окт 2015, 09:19
  Заголовок сообщения:  Re: 071-Преобразователь IR-сигналов от пультов в UART.  
Цитата
Пока не могу ничего сказать, так как занимаюсь сейчас другим устройством и после этого хочу еще модифицировать свою гирлянду. Так что не очень скоро.
Сообщение Добавлено: 07 сен 2015, 20:46
  Заголовок сообщения:  Re: 071-Преобразователь IR-сигналов от пультов в UART.  
Цитата
Скажите пожалуйста, а когда появится такая возможность?
Сообщение Добавлено: 07 сен 2015, 08:55
  Заголовок сообщения:  Re: 071-Преобразователь IR-сигналов от пультов в UART.  
Цитата
Если в ЗиЧип появится возможность воспроизводить ИК-команды пультов, то делать с ними в последствии можно что угодно.
Сообщение Добавлено: 25 авг 2015, 00:00
  Заголовок сообщения:  Re: 071-Преобразователь IR-сигналов от пультов в UART.  
Цитата
Дык... А если использовать тот функционал описанный мной выше?
Т.е. устройство запоминает "сырые" ик посылки с пультов и мы уже внешне, через юарт даем команду на воспроизведение этих сохранённых ранее в памяти устройства кодов.
Мы ранее обсуждали алгоритм данного устройства. По своей сути оно является универсальным пультом, но с uart управлением. (Без сенсорных кнопок)
А сателлиты уже есть. Вы их давно изобрели )))
Сообщение Добавлено: 24 авг 2015, 23:03
  Заголовок сообщения:  Re: 071-Преобразователь IR-сигналов от пультов в UART.  
Цитата
Определенного функционала на данный момент нет. Мне нужно устройство работающее с сателлитами (сателлиты появляются, а работать с ними сеть ЗиЧип не может так как нет не одного устройства с ними работающего).

Можете предлагать любой функционал - если это будет интересно для читателей блога, я это буду реализовывать.
Сообщение Добавлено: 24 авг 2015, 22:48

Часовой пояс: UTC + 3 часа [ Летнее время ]


Перейти:  
Powered by phpBB © 2000, 2002, 2005, 2007 phpBB Group
Русская поддержка phpBB