| Автор | 
			Сообщение | 
		
		
				| 
					
				 | 
				
					
					
						|   | 
						Заголовок сообщения:  | 
						Re: kalibrator 4-20mA | 
						 Цитата | 
					 
					 
				 | 
			
			
				
					
					
						
							
							
								| 
									 при  включении микроконтроллера  с СОМ портом  не смотря на низкий скорость подключение все  равно сбой . 
									
										при  включении микроконтроллера  с СОМ портом  не смотря на низкий скорость подключение все  равно сбой . 
									
								 | 
							 
							 
						 | 
					 
					
						
							
							
								 | 
								  | 
								Добавлено: 13 окт 2011, 15:11 | 
							 
							 
						 | 
					 
					 
				 | 
				
			
			
				  | 
			
		
				| 
					
				 | 
				
					
					
						|   | 
						Заголовок сообщения:  | 
						Re: kalibrator 4-20mA | 
						 Цитата | 
					 
					 
				 | 
			
			
				
					
					
						
							
							
								| 
									 Это устройство предназначено для регулирование IP konvertor-а А мощность должно быть достаточно  для этого. 
									
										Это устройство предназначено для регулирование [color=#008000]IP konvertor[/color]-а А мощность должно быть достаточно  для этого. 
									
								 | 
							 
							 
						 | 
					 
					
						
							
							
								 | 
								  | 
								Добавлено: 27 сен 2011, 18:24 | 
							 
							 
						 | 
					 
					 
				 | 
				
			
			
				  | 
			
		
				| 
					
				 | 
				
					
					
						|   | 
						Заголовок сообщения:  | 
						Re: kalibrator 4-20mA | 
						 Цитата | 
					 
					 
				 | 
			
			
				
					
					
						
							
							
								| 
									 Изящнее было бы использовать ШИМ. И проще было бы исключить микроконтроллер вообще. Ток задавать переменниками, а измерять обрубком китайского мультиметра типа 830. Причём всё это запихнуть в корпус того же мультиметра. 
									
										Изящнее было бы использовать ШИМ. И проще было бы исключить микроконтроллер вообще. Ток задавать переменниками, а измерять обрубком китайского мультиметра типа 830. Причём всё это запихнуть в корпус того же мультиметра. 
									
								 | 
							 
							 
						 | 
					 
					
						
							
							
								 | 
								  | 
								Добавлено: 25 сен 2011, 21:47 | 
							 
							 
						 | 
					 
					 
				 | 
				
			
			
				  | 
			
		
				| 
					
				 | 
				
					
					
						|   | 
						Заголовок сообщения:  | 
						Re: kalibrator 4-20mA | 
						 Цитата | 
					 
					 
				 | 
			
			
				
					
					
						
							
							
								| 
									 Программу писал на CodeVisionAVR. Самый простой вариант решении проблемы. ...Задача проста. Надо с помощью калибратора подать токи 4-20 мА которые  назначены для управления устройством.Эти токи мы будем имитировать. Чтобы нам стало легче , надо чтоб эти токи сохранились на контроллере. (на EEPROM-е)При повторном запросе нам не остается опять  набрать код тока ... 
									
										Программу писал на CodeVisionAVR. Самый простой вариант решении проблемы. ...Задача проста. Надо с помощью калибратора подать токи 4-20 мА которые  назначены для управления устройством.Эти токи мы будем имитировать. Чтобы нам стало легче , надо чтоб эти токи сохранились на контроллере. (на EEPROM-е)При повторном запросе нам не остается опять  набрать код тока ... 
									
								 | 
							 
							 
						 | 
					 
					
						
							
							
								 | 
								  | 
								Добавлено: 24 сен 2011, 17:23 | 
							 
							 
						 | 
					 
					 
				 | 
				
			
			
				  | 
			
		
				| 
					
				 | 
				
					
					
						|   | 
						Заголовок сообщения:  | 
						Re: kalibrator 4-20mA | 
						 Цитата | 
					 
					 
				 | 
			
			
				
					
					
						
							
							
								
									А программой похвастаешься? Если конечно на АВ.    
									
										А программой похвастаешься? Если конечно на АВ. :) 
									
								 | 
							 
							 
						 | 
					 
					
						
							
							
								 | 
								  | 
								Добавлено: 23 сен 2011, 17:03 | 
							 
							 
						 | 
					 
					 
				 | 
				
			
			
				  | 
			
		
				| 
					
				 | 
				
					
					
						|   | 
						Заголовок сообщения:  | 
						Re: kalibrator 4-20mA | 
						 Цитата | 
					 
					 
				 | 
			
			
				
					
					
						
							
							
								
									
									
										
  
										
										
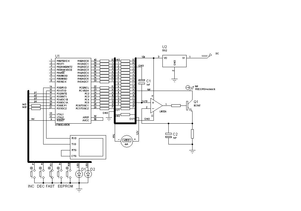
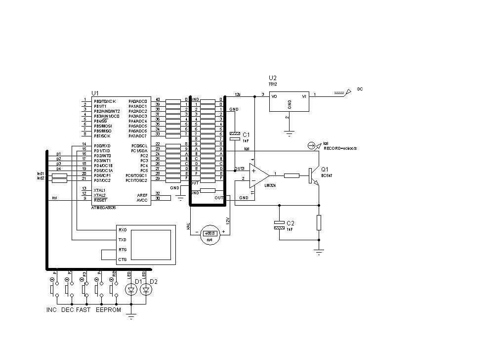
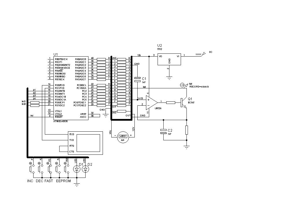
											| Вложения:  | 
										 
										
											
												
			  
			kalib.jpg [ 58.3 КБ | Просмотров: 13949 ]
		
		 
	 | 
											 
										
										 
									
										[quote="SVN"][quote="echoo_mix"][quote="SVN"]А что нельзя взять другой камень?[/quote]  :?: А какого именно   :?:  самый подходящий  по моему  Atmega8[/quote] Можно ATmega 8535. По цене почти равны, а портов больше.[/quote] ---------------------------------------------------------------------------------- Можно и так нет проблем :) http://www.forum.getchip.net/download/file.php?mode=view&id=106 
									
								 | 
							 
							 
						 | 
					 
					
						
							
							
								 | 
								  | 
								Добавлено: 23 сен 2011, 12:08 | 
							 
							 
						 | 
					 
					 
				 | 
				
			
			
				  | 
			
		
				| 
					
				 | 
				
					
					
						|   | 
						Заголовок сообщения:  | 
						Re: kalibrator 4-20mA | 
						 Цитата | 
					 
					 
				 | 
			
			
				
					
					
						
							
							
								| 
									
									
										 [quote="echoo_mix"][quote="SVN"]А что нельзя взять другой камень?[/quote]  :?: А какого именно   :?:  самый подходящий  по моему  Atmega8[/quote] Можно ATmega 8535. По цене почти равны, а портов больше. 
									
								 | 
							 
							 
						 | 
					 
					
						
							
							
								 | 
								  | 
								Добавлено: 08 сен 2011, 18:44 | 
							 
							 
						 | 
					 
					 
				 | 
				
			
			
				  | 
			
		
				| 
					
				 | 
				
					
					
						|   | 
						Заголовок сообщения:  | 
						Re: kalibrator 4-20mA | 
						 Цитата | 
					 
					 
				 | 
			
			
				
					
					
						
							
							
								| 
									
									
										 [quote="GetChiper"]Если скорость UART небольшая - оставляй так - будет нормально работать.[/quote] Скорость будет ниже 9600 br 
									
								 | 
							 
							 
						 | 
					 
					
						
							
							
								 | 
								  | 
								Добавлено: 08 сен 2011, 13:29 | 
							 
							 
						 | 
					 
					 
				 | 
				
			
			
				  | 
			
		
				| 
					
				 | 
				
					
					
						|   | 
						Заголовок сообщения:  | 
						Re: kalibrator 4-20mA | 
						 Цитата | 
					 
					 
				 | 
			
			
				
					
					
						
							
							
								| 
									
									
										 [quote="SVN"]А что нельзя взять другой камень?[/quote]  :?: А какого именно   :?:  самый подходящий  по моему  Atmega8 
									
								 | 
							 
							 
						 | 
					 
					
						
							
							
								 | 
								  | 
								Добавлено: 08 сен 2011, 13:23 | 
							 
							 
						 | 
					 
					 
				 | 
				
			
			
				  | 
			
		
				| 
					
				 | 
				
					
					
						|   | 
						Заголовок сообщения:  | 
						Re: kalibrator 4-20mA | 
						 Цитата | 
					 
					 
				 | 
			
			
				
					
					
						
							
							
								| 
									 Если скорость UART небольшая - оставляй так - будет нормально работать. 
									
										Если скорость UART небольшая - оставляй так - будет нормально работать. 
									
								 | 
							 
							 
						 | 
					 
					
						
							
							
								 | 
								  | 
								Добавлено: 06 сен 2011, 20:52 | 
							 
							 
						 | 
					 
					 
				 | 
				
			
			
				  |