| Автор |
Сообщение |
|
|
| |
Заголовок сообщения: |
Re: kalibrator 4-20mA |
Цитата |
|
|
при включении микроконтроллера с СОМ портом не смотря на низкий скорость подключение все равно сбой .
при включении микроконтроллера с СОМ портом не смотря на низкий скорость подключение все равно сбой .
|
|
|
 |
Добавлено: 13 окт 2011, 15:11 |
|
|
 |
|
|
| |
Заголовок сообщения: |
Re: kalibrator 4-20mA |
Цитата |
|
|
Это устройство предназначено для регулирование IP konvertor-а А мощность должно быть достаточно для этого.
Это устройство предназначено для регулирование [color=#008000]IP konvertor[/color]-а А мощность должно быть достаточно для этого.
|
|
|
 |
Добавлено: 27 сен 2011, 18:24 |
|
|
 |
|
|
| |
Заголовок сообщения: |
Re: kalibrator 4-20mA |
Цитата |
|
|
Изящнее было бы использовать ШИМ. И проще было бы исключить микроконтроллер вообще. Ток задавать переменниками, а измерять обрубком китайского мультиметра типа 830. Причём всё это запихнуть в корпус того же мультиметра.
Изящнее было бы использовать ШИМ. И проще было бы исключить микроконтроллер вообще. Ток задавать переменниками, а измерять обрубком китайского мультиметра типа 830. Причём всё это запихнуть в корпус того же мультиметра.
|
|
|
 |
Добавлено: 25 сен 2011, 21:47 |
|
|
 |
|
|
| |
Заголовок сообщения: |
Re: kalibrator 4-20mA |
Цитата |
|
|
Программу писал на CodeVisionAVR. Самый простой вариант решении проблемы. ...Задача проста. Надо с помощью калибратора подать токи 4-20 мА которые назначены для управления устройством.Эти токи мы будем имитировать. Чтобы нам стало легче , надо чтоб эти токи сохранились на контроллере. (на EEPROM-е)При повторном запросе нам не остается опять набрать код тока ...
Программу писал на CodeVisionAVR. Самый простой вариант решении проблемы. ...Задача проста. Надо с помощью калибратора подать токи 4-20 мА которые назначены для управления устройством.Эти токи мы будем имитировать. Чтобы нам стало легче , надо чтоб эти токи сохранились на контроллере. (на EEPROM-е)При повторном запросе нам не остается опять набрать код тока ...
|
|
|
 |
Добавлено: 24 сен 2011, 17:23 |
|
|
 |
|
|
| |
Заголовок сообщения: |
Re: kalibrator 4-20mA |
Цитата |
|
А программой похвастаешься? Если конечно на АВ. 
А программой похвастаешься? Если конечно на АВ. :)
|
|
|
 |
Добавлено: 23 сен 2011, 17:03 |
|
|
 |
|
|
| |
Заголовок сообщения: |
Re: kalibrator 4-20mA |
Цитата |
|
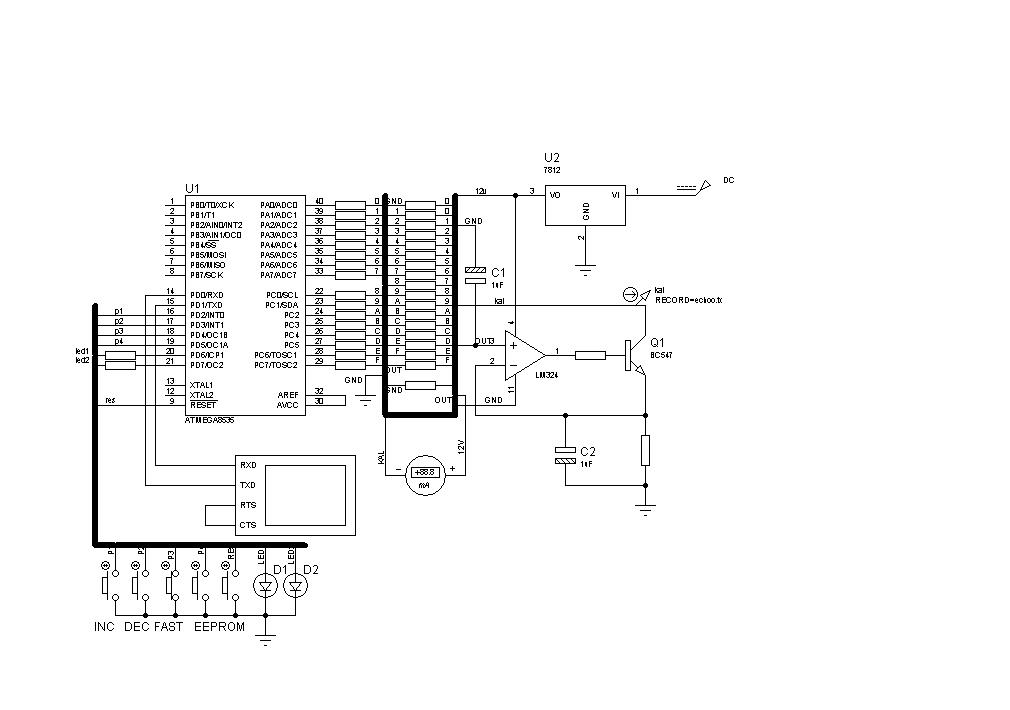
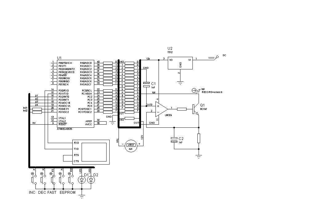
| Вложения: |

kalib.jpg [ 58.3 КБ | Просмотров: 16873 ]
|
[quote="SVN"][quote="echoo_mix"][quote="SVN"]А что нельзя взять другой камень?[/quote] :?: А какого именно :?: самый подходящий по моему Atmega8[/quote] Можно ATmega 8535. По цене почти равны, а портов больше.[/quote] ---------------------------------------------------------------------------------- Можно и так нет проблем :) http://www.forum.getchip.net/download/file.php?mode=view&id=106
|
|
|
 |
Добавлено: 23 сен 2011, 12:08 |
|
|
 |
|
|
| |
Заголовок сообщения: |
Re: kalibrator 4-20mA |
Цитата |
|
|
[quote="echoo_mix"][quote="SVN"]А что нельзя взять другой камень?[/quote] :?: А какого именно :?: самый подходящий по моему Atmega8[/quote] Можно ATmega 8535. По цене почти равны, а портов больше.
|
|
|
 |
Добавлено: 08 сен 2011, 18:44 |
|
|
 |
|
|
| |
Заголовок сообщения: |
Re: kalibrator 4-20mA |
Цитата |
|
|
[quote="GetChiper"]Если скорость UART небольшая - оставляй так - будет нормально работать.[/quote] Скорость будет ниже 9600 br
|
|
|
 |
Добавлено: 08 сен 2011, 13:29 |
|
|
 |
|
|
| |
Заголовок сообщения: |
Re: kalibrator 4-20mA |
Цитата |
|
|
[quote="SVN"]А что нельзя взять другой камень?[/quote] :?: А какого именно :?: самый подходящий по моему Atmega8
|
|
|
 |
Добавлено: 08 сен 2011, 13:23 |
|
|
 |
|
|
| |
Заголовок сообщения: |
Re: kalibrator 4-20mA |
Цитата |
|
|
Если скорость UART небольшая - оставляй так - будет нормально работать.
Если скорость UART небольшая - оставляй так - будет нормально работать.
|
|
|
 |
Добавлено: 06 сен 2011, 20:52 |
|
|
 |