Автор |
Сообщение |
|
|
Заголовок сообщения: |
Re: 071-Преобразователь IR-сигналов от пультов в UART. |
Цитата |
|
Размах идеи впечатляет 
Размах идеи впечатляет :)
|
|
|
 |
Добавлено: 14 ноя 2015, 01:30 |
|
|
 |
|
|
Заголовок сообщения: |
Re: 071-Преобразователь IR-сигналов от пультов в UART. |
Цитата |
|
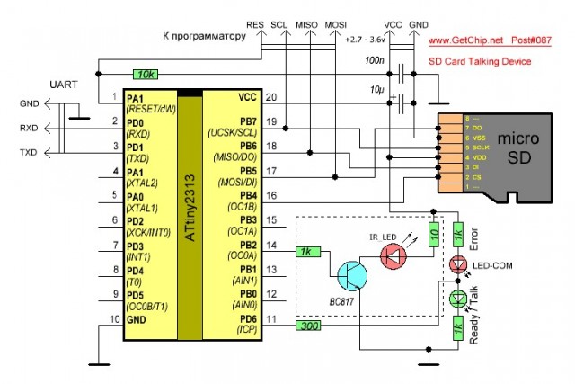
Вот идея: Как организовать по "простому": 1. Используем программы для превращения IR to WAV, вот тема: http://www.getchip.net/posts/077-zapis- ... uyu-kartu/2. Далее сохраняем на карту полученные сигналы в WAV формате, вот тема: http://www.getchip.net/posts/087-attiny ... ng-device/3. И вместо динамика ставим ИК светодиод: А потом запускаем нужный трек (команду) через UART, как описано в статье (пункт 2) 4. Приделываем Bluetooth-модуль HC-04 5. Скачиваем под Андроид программу BlueTooth Serial Controller (В ней прописываем необходимые команды для отправки на блютуз) 6. Делаем множество сателлитов: http://www.getchip.net/posts/076-upravl ... -attiny13/или http://www.getchip.net/posts/099-rasshi ... ttiny2313/P.S.: С помощью программки и блютуза, а так же устройства 110-Модуль UART_to_PIN – управление нагрузками. ( http://www.getchip.net/posts/110-modul- ... agruzkami/) делал машинку =)) Работает... Будет время постараюсь попробовать задуманное...
Вложения: |

087-SDC_Talking_Device.JPG [ 77.22 КБ | Просмотров: 13323 ]
|
Вот идея: Как организовать по "простому":
1. Используем программы для превращения IR to WAV, вот тема: http://www.getchip.net/posts/077-zapis-signalov-ir-pulta-na-zvukovuyu-kartu/ 2. Далее сохраняем на карту полученные сигналы в WAV формате, вот тема: http://www.getchip.net/posts/087-attiny2313-sd-card-talking-device/ 3. И вместо динамика ставим ИК светодиод: А потом запускаем нужный трек (команду) через UART, как описано в статье (пункт 2) 4. Приделываем Bluetooth-модуль HC-04 5. Скачиваем под Андроид программу BlueTooth Serial Controller (В ней прописываем необходимые команды для отправки на блютуз) 6. Делаем множество сателлитов: http://www.getchip.net/posts/076-upravlenie-nagruzkami-pri-pomoshhi-ir-pulta-attiny13/ или http://www.getchip.net/posts/099-rasshirennoe-upravlenie-nagruzkami-pri-pomoshhi-ik-pulta-na-attiny2313/
P.S.: С помощью программки и блютуза, а так же устройства 110-Модуль UART_to_PIN – управление нагрузками. (http://www.getchip.net/posts/110-modul-uart_to_pin-upravlenie-nagruzkami/) делал машинку =)) Работает...
Будет время постараюсь попробовать задуманное...
|
|
|
 |
Добавлено: 13 ноя 2015, 20:06 |
|
|
 |
|
|
Заголовок сообщения: |
Re: 071-Преобразователь IR-сигналов от пультов в UART. |
Цитата |
|
Вложения: |

BroadLink_RM2_Smart_Infrared_Learning_and_Transmitter.jpg [ 121.25 КБ | Просмотров: 13400 ]
|
[quote="GetChiper"]Частями (в других устройствах) я это устройство понемногу делаю, но не знаю когда я возьмусь за него серьезно.[/quote]
Было бы здорово если бы взялись серьезно... мега девайс бы получился. Вот что- то типа этого:
Broadlink RM2 RM (без корпуса)
|
|
|
 |
Добавлено: 31 окт 2015, 20:53 |
|
|
 |
|
|
Заголовок сообщения: |
Re: 071-Преобразователь IR-сигналов от пультов в UART. |
Цитата |
|
Частями (в других устройствах) я это устройство понемногу делаю, но не знаю когда я возьмусь за него серьезно.
Частями (в других устройствах) я это устройство понемногу делаю, но не знаю когда я возьмусь за него серьезно.
|
|
|
 |
Добавлено: 16 окт 2015, 21:24 |
|
|
 |
|
|
Заголовок сообщения: |
Re: 071-Преобразователь IR-сигналов от пультов в UART. |
Цитата |
|
[quote="GetChiper"]Пока не могу ничего сказать, так как занимаюсь сейчас другим устройством и после этого хочу еще модифицировать свою гирлянду. Так что не очень скоро.[/quote]
Здравствуйте! Обнадежте пожалуйста... ))) Вы сможете заняться этой задумкой....???
|
|
|
 |
Добавлено: 16 окт 2015, 09:19 |
|
|
 |
|
|
Заголовок сообщения: |
Re: 071-Преобразователь IR-сигналов от пультов в UART. |
Цитата |
|
Пока не могу ничего сказать, так как занимаюсь сейчас другим устройством и после этого хочу еще модифицировать свою гирлянду. Так что не очень скоро.
Пока не могу ничего сказать, так как занимаюсь сейчас другим устройством и после этого хочу еще модифицировать свою гирлянду. Так что не очень скоро.
|
|
|
 |
Добавлено: 07 сен 2015, 20:46 |
|
|
 |
|
|
Заголовок сообщения: |
Re: 071-Преобразователь IR-сигналов от пультов в UART. |
Цитата |
|
Скажите пожалуйста, а когда появится такая возможность?
Скажите пожалуйста, а когда появится такая возможность?
|
|
|
 |
Добавлено: 07 сен 2015, 08:55 |
|
|
 |
|
|
Заголовок сообщения: |
Re: 071-Преобразователь IR-сигналов от пультов в UART. |
Цитата |
|
Если в ЗиЧип появится возможность воспроизводить ИК-команды пультов, то делать с ними в последствии можно что угодно.
Если в ЗиЧип появится возможность воспроизводить ИК-команды пультов, то делать с ними в последствии можно что угодно.
|
|
|
 |
Добавлено: 25 авг 2015, 00:00 |
|
|
 |
|
|
Заголовок сообщения: |
Re: 071-Преобразователь IR-сигналов от пультов в UART. |
Цитата |
|
Дык... А если использовать тот функционал описанный мной выше? Т.е. устройство запоминает "сырые" ик посылки с пультов и мы уже внешне, через юарт даем команду на воспроизведение этих сохранённых ранее в памяти устройства кодов. Мы ранее обсуждали алгоритм данного устройства. По своей сути оно является универсальным пультом, но с uart управлением. (Без сенсорных кнопок) А сателлиты уже есть. Вы их давно изобрели )))
Дык... А если использовать тот функционал описанный мной выше? Т.е. устройство запоминает "сырые" ик посылки с пультов и мы уже внешне, через юарт даем команду на воспроизведение этих сохранённых ранее в памяти устройства кодов. Мы ранее обсуждали алгоритм данного устройства. По своей сути оно является универсальным пультом, но с uart управлением. (Без сенсорных кнопок) А сателлиты уже есть. Вы их давно изобрели )))
|
|
|
 |
Добавлено: 24 авг 2015, 23:03 |
|
|
 |
|
|
Заголовок сообщения: |
Re: 071-Преобразователь IR-сигналов от пультов в UART. |
Цитата |
|
Определенного функционала на данный момент нет. Мне нужно устройство работающее с сателлитами (сателлиты появляются, а работать с ними сеть ЗиЧип не может так как нет не одного устройства с ними работающего).
Можете предлагать любой функционал - если это будет интересно для читателей блога, я это буду реализовывать.
Определенного функционала на данный момент нет. Мне нужно устройство работающее с сателлитами (сателлиты появляются, а работать с ними сеть ЗиЧип не может так как нет не одного устройства с ними работающего).
Можете предлагать любой функционал - если это будет интересно для читателей блога, я это буду реализовывать.
|
|
|
 |
Добавлено: 24 авг 2015, 22:48 |
|
|
 |